Back to Home Page of CD3WD Project or Back to list of CD3WD Publications

CLOSE THIS BOOKWorking on Long-hole Cutting Machines - Course: Mechanical woodworking techniques. Trainees' handbook of lessons (Institut für Berufliche Entwicklung, 12 p.)
VIEW THE DOCUMENT(introduction...)
VIEW THE DOCUMENT1. The Purpose of Drilling and Cutting with Long-hole Cutters
VIEW THE DOCUMENT2. The Construction of a Long-hole Cutting Machine
VIEW THE DOCUMENT3. The Tools
VIEW THE DOCUMENT4. The Operation of the Long-hole Cutting Machine
5. Technological Processes of Drilling and Cutting

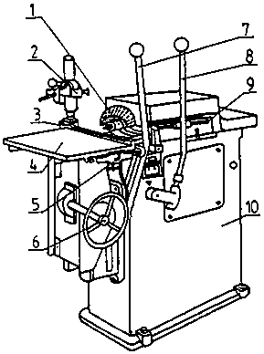
2. The Construction of a Long-hole Cutting Machine


Figure 2 - Construction of a long-hole cutting machine

1 bore chuck with safety basket, 2 fixture, 3 stop edge, 4 working table, 5 stops for fixing the cutting length, 6 hand wheel for adjusting the table height, 7 cutting lever (cross feed), 8 drilling lever (axial feed), 9 stop for fixing the bore depth, 10 stand

The stand

The stand accomodates the motor with the bore shaft and the bore chuck which can be moved in axial direction by a lever. The length of the axial movement determines the bore hole depth and can be fixed by a stop. The working table with the movement mechanism and the lever for the cross feed are fixed on the front side of the stand. The working table can be adjusted in height by a hand wheel.

The working table

The piece of work is clamped on the working table. The working table with the fixture moves on a guideway. The cross feed is carried out by a lever which determines the length of the long hole. The length of the cross feed can be adjusted by two stops.

The stop edge

The stop edge is fixed at a right angle (90°) to the axis of the bore shaft. Fixing the piece of work at that edge the right angularity of the round bore or of the long hole towards the edge of the piece of work is guaranteed.


Figure 3 - Fastened wooden boards

1 bore chuck, 2 fixture, 3 stop edge, 4 working table

The fixture

With this machine type the fixture has got an eccentric lever which clamps the piece of work with its pressure plate onto the working table.

Safety devices

Motor and bore shaft are covered. The bore chuck is smooth without projecting edges. A cover basket is placed over the bore chuck.

The fixture should be regularly checked for operation!

The bore chuck and the tool shanks should be kept clean, as well as the surface of the machine table and the stop edge!

The machine should be lubricated according to a lubrication plan regularly!

What is the working table used for?
______________________________________________
______________________________________________
______________________________________________

Why has the working table got a fixture?
______________________________________________
______________________________________________
______________________________________________

Why has the working table got a stop edge?
______________________________________________
______________________________________________
______________________________________________

How can the length of the cross feed of the working table be fixed?
______________________________________________
______________________________________________
______________________________________________

TO PREVIOUS SECTION OF BOOK TO NEXT SECTION OF BOOK