Back to Home Page of CD3WD Project or Back to list of CD3WD Publications

CLOSE THIS BOOKRadio and Electronics (DED Philippinen, 66 p.)
13. CLASS B AMPLIFIERS
VIEW THE DOCUMENT13.1. LIMITS OF CLASS A AMPLIFIERS
VIEW THE DOCUMENT13.2. CLASS B AMPLIFIERS WITH TRANSFORMERS
VIEW THE DOCUMENT13.3. CLASS B AMPLIFIERS WITHOUT TRANSFORMERS
VIEW THE DOCUMENT13.4. POWER AMPLIFIER WITH COMPLIMENTARY TRANSISTORS.

Radio and Electronics (DED Philippinen, 66 p.)

13. CLASS B AMPLIFIERS

13.1. LIMITS OF CLASS A AMPLIFIERS

In very cheap and small transistorradios we find sometimes - as an exception - class A amplifier even for the power stage, but operating only an earphone or a very tiny loudspeaker. The reason why is easy to see if we have a closer look to the quiescent point.


fig. 153

If you have a short look back to fig. 144a you will easily see, that in this case in a class A amplifier the output-voltage must be half of the supply voltage. The collector-current is therefore half of the maximum current and this means: AT QUIESCENCE (NO INPUT SIGNAL AND NO OUTPUT SIGNAL) THE POWER CONSUMPTION OF A CLASS A AMPLIFIER IS ALREADY 25 % OF THE MAXIMUM POWER CONSUMPTION OF THIS STAGE.

This makes clear: for high amplification of considerable power another kind of amplifier is necessary otherwise the energy losses are too much.

The next amplifier class which we will come to know now is called class B amplifier and it is designed for power-amplification.

A difference between class A and class B amplifiers easily to be realized is:

- Class A amplifiers amplify with a single transistor a whole sinewave of the input signal.
- Class B need at least two transistors to do the same.

GENERALLY:

If we want to avoid the losses - caused in a class A amplifier at quiescence - we have to shift the quiescence working point to lower powers.

This can be achieved by reducing the base-current to about “0”.

But if the base-current is kept “0” at quiescence at the output of a COMMON-EMITTER-CONNECTION (as we call the transistor circuit used up to here) can only be produced half of a sine-wave as shown in fig. 154.


fig. 154

So we have to use two transistors in order to amplify both parts of the sinewave and to find a way how to “couple” both parts together again.

13.2. CLASS B AMPLIFIERS WITH TRANSFORMERS

In power amplifiers of older types of receivers we find often circuits which are called PUSH-PULL-AMPLIFIERS. In this kind of an amplifier one transistor amplifies only one half of the input signal wave, the other half of the signal is amplified by another transistor.

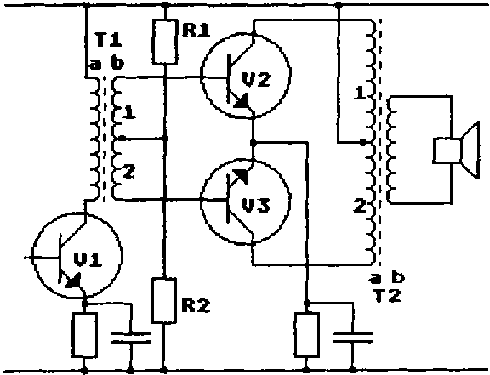
One circuit which has been commonly used in such push-pull amplifiers is shown in fig. 162. It has two transistors and two centre-tapped transformers.

T1 has a centre-tapped secondary coil and it is used to split the input signal into two halfwaves, and to feed the bases of the two transistors alternatively.

T2 has a centre tapped primary winding and is used to combine again the two amplified halfwaves of the output-signal.


fig. 162

Transistor V1 is part of an PREAMPLIFIER. It controls the collector-current of V1 through coil “a” of T1. If this collector current increases, there will be a voltage induced at the secondary coil “b” of T1. This has here a downward direction, so we find now at the base-emitter-junction of V2 a voltage which is directed forward while at V3 it has a reverse-direction. ® V2 will be conducting and ® there will flow a collector current through V2 and the part 1 of coil “b” of T2. This induces a voltage in the secondary coil of T2 and a current through the loudspeaker.


fig 162b

If this collector current through V1 decreases, there is a voltage induced at the secondary coil “b” of T1. This has here a upward direction, so we find now at the base-emitter-junction of V3 a voltage which is directed forward while at V2 it has a reverse-direction ® V3 will be conducting and ® there will flow a collector current through V2 and the part 2 of coil “b” of T2. This induces an opposite voltage in the secondary coil of T2 and an opposite current through the loudspeaker.


fig. 162a

The two resistors R1 and R2 are necessary to avoid a distortion which would be caused if there would be no biasing of the two bases of transistors 2 and transistor 3. As demonstrated in fig. 155 without biasing the start of the output halfwave is delayed till the input signal has passed the level of the so called THRESHOLD VOLTAGE of about 0.6. Volts.


fig. 155

This kind of push-pull-amplifier was used a rather long time, but it is almost no more found in modern transistor radios because of the bulkiness and the high price of transformers. These disadvantages have been the cause for a change in technology of power amplifiers nowadays.

13.3. CLASS B AMPLIFIERS WITHOUT TRANSFORMERS

The intention was to get rid of the transformers which had been used to “split” the input signals into two halfwaves. Without transformers we cannot “turn around” one half of the input signal. So it is necessary to let the current flow in both directions. This is not possible with transistors of the same type.

We have to use a combination of an NPN and a PNP transistor. They must be very similar in characteristics and therefore they are called to be complimentary.

13.4. POWER AMPLIFIER WITH COMPLIMENTARY TRANSISTORS.

The following drawings show how a complimentary push-pull amplifier is working.


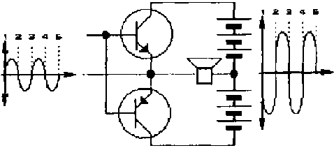
fig. 163

Fig. 163 shows two circuits. The upper one with a NPN transistor will have current through R1 while there is a positive signal at the input. The lower circuit will have current through R2 always when there is a negative input signal.


fig. 164

Fig. 164 shows the two circuits of fig. 163 combined. Now the two resistors are replaced by a single loudspeaker. Both currents - explained in fig. 163 - flow through the loudspeaker so causing an ac-current in the loudspeaker. This fits to our desire, to have a current flowing only if there is a signal voltage different from quiescence.

The big disadvantage of the circuit in fig. 164 is, that there are two batteries necessary for it.


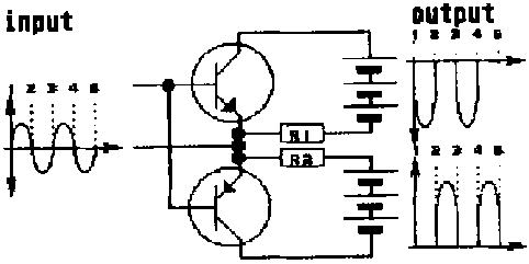
fig. 165

Fig. 165 shows a circuit which gets rid of that disadvantage.

If there is a positive input signal, there will flow a current via the NPN transistor, the capacitor will have a capacity big enough so that it can be charged completely only during the longest possible half-waves (at lowest frequencies).


fig. 166a


fig. 166b


fig. 166c

So we will find after the positive halfwave at the capacitor a full positive charge as shown in fig. 166b. With a negative input signal the PNP-transistor gets conducting and there will flow a current - originated from the capacitor as a voltage-source - through the PNP-transistor and the loudspeaker as shown in fig. 166c.

The current flowing now through the loudspeaker is flowing backward - which means: there is flowing an ac-current through the loudspeaker.

Improvements of the simple circuit of a complimentary push-pull amplifier.

The circuit derived in fig. 166 has still two main problems which must be solved before it can be used for a receiver.

PROBLEM 1:

It is easy to see, that the voltage at the base of Tr1 can never reach a value higher than that of the supply voltage. But supposed Tr1 is made conducting (by a relatively high base-current) then the voltage at the emitter of Tr1 has a potential which is just 0.2 Volts lower than the supply-voltage.


fig. 167

As we know: to inject a base-current to Tr1 we need at least 0.7 V between Base and Emitter of Tr1.

This shows: With circuit shown in fig. 167 it will never be possible to make Tr1 fully conducting.

Consequence:

We have to find a method to supply point A with a potential about 0.6 V higher than the supply voltage. One possibility to achieve this is shown in fig. 168. But this is a very complicated and inconvenient way, because we need an additional cell for it.


fig. 168

Practical solution:

The most common way of solving that problem is the so called BOOTSTRAP CAPACITOR C2 shown in fig. 169.


fig. 169

Its function is like that: At “NO” input signal the voltage at point A will be about half of the supply voltage because there is flowing a medium current. The voltage at point C through the two collector resistors of Tr.3 will be about 75 % of the supply voltage. If now a negative signal occurs at the input the voltag at point A will be raised. Of course the voltage at point B is increased as well (base-emitter-voltage at Tr1 maximum 0.6 V). So C2 has a rather big capacity the voltage at point C reaches values higher than the full supply voltage.

PROBLEM 2:

If the bases of Tr.1 and Tr.2 are connected like shown in fig. 170 we would face a so called CROSSOVER-DISTORTION as shown in fig. 170 because it takes always at least 0.7V of voltage change until the transistors are starting to get conducting. A first solution would be to insert a resistor R2 as shown in fig. 171. But the dimensioning of R2 is extremly sensitive because:

- if it is too small there will be still a crossover distortion, and
- if it is too big there will be a lot of losses or even a short circuiting through Tr.1 and Tr.2


fig. 170


fig. 171

A better solution is to fit in two diodes like shown in fig. 172. In order to have an automatic adjustment in case of heating up of the transistors, very often is used an additional thermistor connected in parallel to the diodes as shown in fig. 163. This thermistor is mostly fixed to the heat sink of the transistor.

So transistors heat up, the thermistor which will cause a drop of its resistance and therefore a voltage-drop across the two diodes. This again causes a decreasing base-current for both transistors Tr.1 and Tr.2.


fig. 172


fig. 173

In order to avoid lude a crossover-distortion as far as possible, in practical circuits we find at last an adjustable resistor connected in series to our diodes. This adjustable resistor is used to preset the voltage across the two bases exactly to a condition where at quiescence a small collector current just starts to flow.


fig. 175

A rather advanced power amplifier of the COMPLIMENTARY PUSH PULL TYPE is shown in fig. 176.


fig. 176

CHECK YOURSELF:

1. Explain how a Push-Pull amplifier with transformers is working.
2. Explain how a complimentary Push-Pull amplifier is working.
3. Explain what each component in fig. 176 is useful for.

TO PREVIOUS SECTION OF BOOK TO NEXT SECTION OF BOOK