Back to Home Page of CD3WD Project or Back to list of CD3WD Publications

CLOSE THIS BOOKRadio and Electronics (DED Philippinen, 66 p.)
12. AMPLIFIERS
VIEW THE DOCUMENT(introduction...)
VIEW THE DOCUMENT12.1. STRUCTURE OF A CLASS A AMPLIFIER
VIEW THE DOCUMENT12.2. FUNCTION OF A SIMPLE CLASS A AMPLIFIER
VIEW THE DOCUMENT12.3. ADVANCED CLASS A AMPLIFIER
VIEW THE DOCUMENT12.4. STABILIZATION OF THE QUIESCENT VOLTAGE

Radio and Electronics (DED Philippinen, 66 p.)

12. AMPLIFIERS

Amplifiers have to “amplify” signals. This means an input signal with a relatively low energy (low current and low voltage) is enlarged to an output signal of much more energy and a shape which should be (ideally) the same like the input-signal. Fig. 138 shows the general symbol of an amplifier.


fig. 138

An amplifier works on the following PRINCIPLE:

Beside the input-signal the amplifier is supplied with a supply voltage and a supply current, which means a supply power. This supply power is many times higher than the input signal power. Control-components (like for example transistors or triode valves) convert a more or less high percentage of the power into an output-signal. The part of the supply-power converted into the output signal is called the useful power Pout of the amplifer, while the rest of the supply power is dissipated as losses.


fig. 139

The main characteristics, which make an amplifer a good or a less good one, are the following:

A) a big difference between signal-power and NOISE-POWER. Every electrical device is producing electrical oscillations while operated.

These oscillations should be kept extremly small in comparison with the inputsignal.

B) As less DISTORTION of the shape of the input-signal as possible. (Low distortion or “Klirr-factor”.)

C) A good matching (see chapter - MATCHING) between:

- the input of signal source and the in put resistance and
- the output resistance and the load.

D) The fitting BANDWIDTH and a good FREQUENCY RESPONSE which means constant amplification over the whole range of frequencies which the amplifier is due to amplify.

E) A good EFFICIENCY which means as less losses as possible.

F) A good WORKING CONSTANCY which means all characteristics should be as constant as possible even under conditions when the temperature of the amplifier and the supply voltage is varying.

Amplifiers can be differentiated either by the special tasks they are built for, like for example:

- Preamplifiers (low level amplifier)
- Power-amplifiers
- NF-HF amplifiers
- selective amplifiers, or
- wide-band amplifiers....

Or by the principles they are working on, like for example:

- class A amplifiers
- class B amplifiers, or
- class C amplifiers.

12.1. STRUCTURE OF A CLASS A AMPLIFIER

INTRODUCTION

Let us suppose the amplifier we are looking at has to amplify a sinusoidal signal as shown in fig. 140.


fig. 140

Applying our knowledge about transistors you probably would come to suggest a circuit similar like shown in fig. 141. where a tiny signal source supplies a base-emitter-junction and the big collector-current is originated from the power-supply. Here is mentioned a NPN-transistor, but the principle is exactly the same with a PNP-transistor.


fig. 141

WHAT IS THE COLLECTOR RESISTOR NECESSARY FOR?

The circuit shown in fig. 141 would be in the theoretical sense of the word already an amplifier.

But the sinusoidal current flowing here in the so called collector-circuit, is not useful anywhere.

Neither is it operating anything (like a loudspeaker) nor is it producing a signal at the output which could be transmitted to another amplifier stage.

This is the reason why we find in all amplifiers at the output either a component which will use the signal current itself or at least cause a voltage drop. This part of the amplifier is called the collector resistor Rc, as shown in fig. 142a.


fig. 142a

If there is flowing now a collector current Ic it will cause a proportional voltage-drop at this collector resistor.

WHAT IS THE POINT OF “QUIESCENCE”.

Referring to the example in the last chapter we can easily state that:

VRC = VS - VCE

With the formula in the last chapter we can now derive that the voltage VRC can vary between the two extreme values.

1. Ic = 0 then VRc = 0
2. Ic = Maximum VRc = Vs
(whereby IC maximum = VS/RC)


fig. 142b


fig. 142c

At the output of the amplifier, we want to find an exact sinusoidal signal of exactly the same frequency again. This can only be achieved if the output-voltage can oscillate, which means: it must be free to increase and to decrease, from the level which it has at an input-voltage of 0 Volts - a status which will be called from now on:

QUIESCENCE. BIASING WHAT FOR?

If the input-signal would be directly connected to the base of our amplifier transistor as shown in fig. 142d we would find only a change of the output voltage during the period between point 1 and 2 as long as the input signal is above 0.6 Volts. This would not be fitting to the precondition developed for a class A amplifier in the last chapter.


fig. 142d

To set the output to the so called quiescent-voltage we have to make sure that at quiescence at the input, there is already flowing a collector-current which must be about half of the maximum collector current, therefore we have to let flow an input-current (base-current) even if there is not yet any input-signal.


fig. 142e

We call this method BIASING our amplifier circuit. The simplest circuit to achieve this is shown in fig. 143. Here a base-current is allowed to flow which is big enough to keep a collector current flowing which is half of its maximum. But if you have a short look back to the input-characteristics of a transistor, you can easily see, that a tiny change of the input voltage would cause a tremendous change in base-current, which would cause again a tremendous change of collector-current, and therefore too a tremendous change of the output-voltage. This means, that the quiescence-voltage is not stabil. As will be seen later, this would have very big disadvantages for the working of our amplifier.


fig. 143

To reduce this problem, it is prefered to bias with voltage-dividers like shown in fig. 144.


fig. 144

REPRESENTATION OF THE QUIESCENT-POINT IN A FOUR-QUADRANT-CHARACTERISTICS OF THE AMPLIFIER TRANSISTOR.

We can find the so called quiescence-point as well in our four-quadrant-characteristics.

Therefore we have to enter into the first quadrant the loadline of the collector-resistor. The transistor should have the characteristics given in fig. 143. The quiescent-voltage should be in this case about 4.5 Volts.

To achieve this, we have to supply the transistor with a base-current of about 0.14 mA. And therefore we need a base-emitter-voltage of 0.75 V. As you see in fig. 144a.


fig. 144a

HOW TO INJECT NOW THE INPUT SIGNAL TO SUCH A AMPLIFIER CIRCUIT?

If we could connect a signal-source directly to the input-terminals of the amplifier as shown in fig. 144 the signal-source would pass a dc-current through the lower resistor.

But the signal-source is always a very weak energy-source. So by such a dc-current the signal could be distorted very heavily. The problem can be solved by the following idea:

We know, the input-signal, is always an ac-voltage (at least in radio-technology). Therefore we have to make sure that only an ac-current is allowed to enter the input terminals of the amplifier-circuit.

As you know from chapter 8.2 the capacitor is the component which we need here.

If we connect such a capacitor in series there can only flow an ac-current through the inputcircuit.


fig. 145

HOW TO GET THE SIGNAL OUT OF THE STAGE?

As long as the amplifier is not the last one in a row of stages, its signal has to be entered to another stage.

The next stage will be constructed similar like the stage we came to know just now.

If we would connect another stage directly without a capacitor between the stages, there would again flow a dc current from one stage to the other, and this would mean again distortion.

Therefore: at the output we will find another capacitor. Between two stages, very often the input-capacitor is at the same time the output-capacitor. Both capacitors are called: COUPLING CAPACITORS.


fig. 146

12.2. FUNCTION OF A SIMPLE CLASS A AMPLIFIER

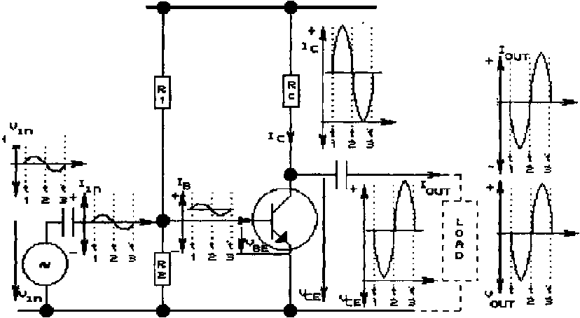
We know now the basical components of a class A amplifier and it is possible to have a closer look to the effects in this circuit when a signal is injected to the input of the circuit of fig. 147 (page 43).

- Suppose the signalsource has a positive halfwave of a signal between time 1 (t1) and time 2 (t2). This will cause a charging current for C1.

- This charge-current is flowing via the loop: signalsource, C1 and R2. At R2 this current will flow additional to the current flowing at quiescence. This means too an increase of the voltage at R2.

- The voltage at R2 is equal to the base-emitter-voltage. An increase of that voltage causes (according to the input-characteristics of the transistor) an increase of the base-current.

- The output-characteristics of the transistor tells us, that an increase of base-current causes an increase of collector-current.

An increase of collector-current lets the voltage at the collector-resistor increase, which again causes the collecter-emitter-voltage to decrease.

-Now there will flow a discharge current through C2 and this will cause a negative voltage drop at the load-resistance.

- Between t2 and t3 the negative halfwave will be injected, this will cause the same effects in our circuit, but with opposite direction.


fig. 147

REPRESENTATION OF THE FUNCTION OF A CLASS A AMPLIFIER IN THE FOUR-QUADRANT - CHARACTERISTICS.

Supposed the circuit is the same as described for fig. 147, and supposed that the input-signal has an amplitude of 50 mV we would find an output signal as derived in fig. 147a.


fig. 147a

12.3. ADVANCED CLASS A AMPLIFIER

PROBLEMS, IN A SIMPLE CLASS A AMPLIFIER.

If amplifiers would be constructed like shown in fig. 147 they would only work correctly for a very short time.

After a short while of operation they would get “instabil” and would produce a lot of distortion.

DISTORTION means: the shape of the output-signal is very different from the shape of the input-signal.

DISTORTION DUE TO A WRONG “QUIESCENT-VOLTAGE”

The output-voltage V2 can only reach levels between full supply-voltage and almost 0 Volts.

EFFECT OF TOO LOW BIASING VOLTAGE

Let us imagine the amplifier is supplied with maximum input-voltage V1, so that the sinewave - produced at the output - has a peak-to-peak-voltage of almost full supply-voltage as shown in fig. 147a.

If the quiescent voltage is now shifted because of any reason towards lower values the output voltage never can be higher than the supply-voltage. This means: during the negative halfwave of the input signal the output signal would be distored, as shown in fig. 148a.


figure

EFFECT OF TOO HIGH BIASING VOLTAGE

the same problem arises if the quiescent-voltage at the input increases. Now the output signal would be destorted during the positive halfwave of the input signal as shown fig. 148b.


fig. 148a


figure


fig. 148b


figure

EFFECT OF A TOO HIGH AMPLITUDE OF THE INPUT SIGNAL THE

In case, the quiescent-voltage is constant but the input-signal is bigger than allowed for this amplifier-stage. This would cause a distortion on both peaks of the output-signal as shown in fig. 148c.


fig. 148c

The method how to limit the input-signal will be shown later. At this stage of our course it is necessary to understand how the quiescent-voltage can be hold constant.

12.4. STABILIZATION OF THE QUIESCENT VOLTAGE

As explained in chapter 9.1. the transistor is a component, which is very sensitive to increasing temperatures.

It is a semiconducting component, and therefore with growing temperature its resistance is decreasing.

In case of our transistor in an amplifier-stage, the relatively high collector-current causes a rise in temperature. This increase of temperature causes a bigger conductivity in the transistor. Bigger conductivity lets rise the collector-current (even though the base-current is still the same). Even if this process is a slow one, the increase of collector-current, causes a decrease of output-voltage at quiescence, and therefore a drifting quiescence-voltage.


fig. 149

There are several methods, how to diminish this effect:

EXAMPLE A:

By tapping the biasing path from the collector-current.

Function:

If the collector-current increases because of increased transistor temperature the collector current increases and the voltage across the voltage divider will tend drop as well. So the base-emitter-voltage will drop too - which lets decrease the base-current and therefore the original increase of the collector-current will be cancelled.


fig. 150 - A

EXAMPLE B:

By a so called EMITTER-RESISTOR. This resistor is dimensioned in order to drop about 10% of the supply-voltage ant quiescence.

Function:

If the collector-current at quiescence tends to increase the voltage at the emitter-resistor tends to increase as well. So base-emitter-voltage is the difference of the voltage across the lower biasing resistor and the voltage across the emitter resistor, the base-emitter-voltage tends to drop then as well. Dropping base-emitter-voltage causes a decreasing base-current and this causes the collector-current to decrease as well.


fig. 150 - B

So the original increase of collector-current will be cancelled.

WHAT FOR THE EMITTER-CAPACITOR THEN?

The emitter-resistor has - beside its stabilizing effect - a big disadvantage as. The input-currents and the output-currents have to pass it. And this causes a voltage drop for input and output-values.

So, by an emitter-resistor exclusively the amplifier-stage would loose a lot of its efficiency. The solution can be found by the following thoughts:


fig. 151a

Input- and output-currents are ac-currents while the distorting effect of the increasing collector-current is a dc-component. So we have to bypass the ac-components. As we know a capacitor lets pass again ac- but not dc-values. So the currents - bypassed - are rather high here, the capacitor must be rather big (very often it is an electrolyte-type).


fig. 151b

NOW WE KNOW HOW A NORMAL SO CALLED CLASS A AMPLIFIER IS MADE UP.

WHERE ARE CLASS A AMPLIFIERS USED?

Always if the outputpower of the amplifierstage is low. This means, we will find this amplifier class for example in IF-stages, RF-stages and audio-preamplifiers.

HOMEWORK:

1. Label all the components in the circuit.

2. State which voltages you should measure (roughly) at this amplifierstage at quiescence.


fig. 152

A:...........................................
B:...........................................
C:...........................................
D:...........................................
E:...........................................
F:...........................................
G:...........................................
H:...........................................
V1:..........................................
V2:..........................................
V3:..........................................
V4:..........................................
V5:..........................................

TO PREVIOUS SECTION OF BOOK TO NEXT SECTION OF BOOK