Back to Home Page of CD3WD Project or Back to list of CD3WD Publications

CLOSE THIS BOOKAmplifier Teaching Aid (DED Philippinen, 86 p.)
Lesson 6 - Transistor Biasing II
Lesson Plan
VIEW THE DOCUMENT(introduction...)
VIEW THE DOCUMENTTransistor biasing II
VIEW THE DOCUMENTVDB analysis
VIEW THE DOCUMENTWorksheet No. 6

Amplifier Teaching Aid (DED Philippinen, 86 p.)

Lesson 6 - Transistor Biasing II

Lesson Plan

Title: Transistor Biasing II

Objectives:

- Know the advantage of voltage divider bias
- Able to analyse VDB circuits


Figure

Transistor biasing II

Voltage Divider Bias

The most famous circuit based on -the prototype of emitter bias is called the voltage divider bias (VDB).

Recall the steps of analyzing the emitter bias circuit:

1. VE
2. IE
3. IC
4. Voltage drop across RC
5. VC
6. VCE

The three most important steps are:

1. IE
2. VC
3. VCE


Fig. 6-1: Emitter biased circuit

Problem: Sometimes the voltage from the VCC power supply is too large to apply directly at the base.

Solution:

- extra power supply for the base
- or ==> VDB


Fig. 6-2: VDB circuit

The voltage drop across R2 is applied directly to the base, which means:

V2 = VB

1. step: find voltage drop across R2
2. step: subtract 0.7V to get VE

VDB analysis

Design errors of 5% or less are acceptable, because of resistor tolerances.


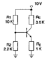
Fig. 6-3: VDB example circuit

Find the base voltage:

Assumption: Base current is so small that it has no effect on the voltage divider.

5% error - > base current is 20 times smaller than the divider current.

VB = I * R2 = 0.82 mA * 2.2KW = 1.8V

VE = VB - VBE = 1.8V - 0.7V = 1.1V


VC = VCC -(RC * IC) = 10V - (3.6KW * 1.1 mA) = 6.04V

VCE = VC - VE = 6.04V - 1.1V = 4.94V

Checking the assumption:

5% error -->

The current gain can vary from 30 to 300.


Even under the worst case condition the calculation is within the 5% limit, hence the assumption can be done.

Summary of Process and Formulas

Divider current

Base voltage

VB = I * R2

Emitter voltage

VE = VB - VBE

Emitter current

Collector voltage

VC = VCC - (IC * RC)

Coll.- emitter voltage

VCE = VC - VE

HO: What will change if the emitter resistor increases to 2KW? (unchanged voltage divider)


Fig. 6-4: VDB circuit

Solution:

I = 0.82 mA

VB = 1.8V

VE = 1.1V


VC = VCC - (RC * IC) = 8.02V

VCE = VC - VE = 6.92V

VDB Load-Line and Q-Point


Fig. 6-5: VDB circuit

Saturation point:

Visualize short between collector and emitter

VRC = VCC - VE = 10V - 1.1V = 8.9V


- - >

Cutoff point:

Visualize open between collector and emitter

- - > VCE (cut) = VCC - VE = 8.9V

Q-point:

VC = VCC - (IC * RC) = 10V - (1.1 mA * 1KW) = 6.04V

VCE = VC - VE = 6.04V - 1.1V = 4.94V

Now we plot these values and get the load line and the Q-point:


Fig. 6-6: Output curve with load line and Q-point

The values VCC, RC, R1, and R2 are controlling saturation current and cutoff voltage. To move the Q-point is possible by varying the emitter resistance (RC).

Get the Q-point in the Middle of the Load Line

To set the Q-point is a important preparation as you will see later on.

Effect of RE:

RE too large -- > Q-point moves into cutoff
RE too small --> Q-point moves into saturation

Q - point in the middle of the load line:

Half the value of IC (sat) and redesign RE

IC (sat) = 2.47 mA ==> 1.23 mA

Look for the nearest standard value:

===> 910 W


Fig. 6-7: Output curve, Q-point in the middle

Worksheet No. 6


Figure

No. 1 What is -the emitter voltage? The collector voltage? Given: R1= 10k, R2= 2.2k, RC = 3.6k, RE = 1k, VCC = 25V

Draw the load-line, plot the Q point!

No. 2 What is the emitter voltage? The collector voltage?

Given: R1= 330k, R2= 100k, RC = 150k, RE = 51k, VCC = 10V

Draw the load-line, plot the Q point!

No. 3 What is the emitter voltage? The collector voltage? Given: R1 = 10k, R2 = 2.2k, RC = 2.7k, RE = 1k, VCC = 10V

Draw the load-line, plot the Q point!

Redesign the circuit to get the Q-point in the middle of the loadline!

TO PREVIOUS SECTION OF BOOK TO NEXT SECTION OF BOOK