Back to Home Page of CD3WD Project or Back to list of CD3WD Publications

CLOSE THIS BOOKDigital Teaching Aid (DED Philippinen, 86 p.)
Circuit Analysis and Design - Lesson 3
Lesson Plan
VIEW THE DOCUMENT(introduction...)
VIEW THE DOCUMENTIntroduction
VIEW THE DOCUMENTBoolean laws and theorems
VIEW THE DOCUMENTSum of product method
VIEW THE DOCUMENTDesign example
VIEW THE DOCUMENTHandout No. 2
VIEW THE DOCUMENTWorksheet No. 3

Digital Teaching Aid (DED Philippinen, 86 p.)

Circuit Analysis and Design - Lesson 3

Lesson Plan

Titel: Circuit Analysis and Design

Objectives:

- Know how to apply the basic Boolean laws
- Able to create digital circuits with the help of the sum of products method

Time

Method

Topic

Way

Remark



* Review Lesson 2





* Introduction





* Boolean laws and theorems

HO

Handout No. 2 (Boolean Algebra Theorems)




- Basic laws






- Boolean relation about OR operations






- Boolean relations about AND operations





* Sum of products method






- Fundamental products






- Sum of products equations





* Review Exercise

WS

Worksheet No. 3


S: Speech
D: Discussion
QA: Question/Answer
E: Exercise


B: Boardscript
P: Picture
Ex: Example
HO: Hands-On
WS: Worksheet
HT: Hand-Out


Introduction

Circuit Analysis and Design

Boolean laws and theorems

Basic laws

(see also Handout No. 2)

Commutative law:

A + B = B + A

A B = B A


Fig. 3-1: Commutative law

Associative law:

A + (B + C) = (A + B) + C

A (B + C) = (A B) C


Fig. 3-2: Associative law

Distributive law:

A (B + C) = AB + AC


Fig. 3-3: Distributive law

Boolean relations about OR operations

A + 0 = A

Proof:

when A is 0

0 + 0 = 0

when A is 1

1 + 0 = 1

A + A = A

Proof:

when A is 0

0 + 0 = 0

when A is 1

1 + 1 = 1

A + 1 = 1

Proof:

when A is 0

0 + 1 = 1

when A is 1

1 + 1 = 1

A + A = 1

If one input is high, the output is high no matter what the other input is.

Boolean relations about AND operations

A · 1 = A
A · A = A
A · 0 = 0

HO: Check the equations above in the same way as we did it before.

A · A = 0

If one input is low, the output is low no matter what the other input is.

Double inversion

De Morgan's theorems

see also Lesson 1

Duality theorem

1. Change each OR sign to an AND sign

2. Change ech AND sign to an OR sign

3. Complement any 0 or 1 appearing in the expression

Ex:


A + 0 = A


®

A 1 = A

Ex:


A (B + C) = AB + AC


®

A + B C = (A + B) (A + C)

TIP: Proof it with a truth table

Ex: Simplify the following Boolean equation

Solution: (see also Handout No. 2)

Handout 2

No. 3a

X = A (1)


No. 8a

X = A


No. 7b

HO: Simplify the following Boolean equation



Solution:


X = B + B
X = B

Sum of product method

Fig. 3-4: Example truth table with fundamental products

A

B

X

Fundamental Products

0

0

0

0

0

1

0

1

0

0

1

1

1

0

0

1

0

1

1

1

0

1

1

1

Design example

Sum of products equation

Given is the following truth table:

Fig. 3-5: Example truth table

A

B

C

X



0

0

0

0



0

0

1

0



0

1

0

0



0

1

1

1

®

1

0

0

0



1

0

1

1

®

1

1

0

1

®

1

1

1

1

®

We have to locate each output 1 in the truth table and write down the fundamental product.

The next step is to OR the fundamental products:

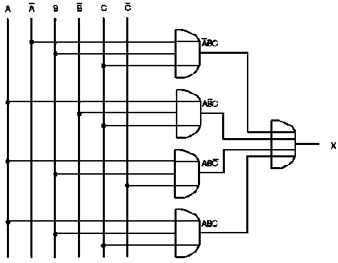
Now we can derive the corresponding logic circuit:


Fig. 3-6: Logic circuit

HO: What is the sum of product circuit for the given truth table?

Fig. 3-7: Truth table

A

B

C

X

0

0

0

1

0

0

1

0

0

1

0

1

0

1

1

0

1

0

0

1

1

0

1

0

1

1

0

1

1

1

1

0

Handout No. 2

Boolean Algebra Theorems

No

Theorem

Name

1a
1b

A + B = B + A
AB = BA

Commutative law

2a
2b

(A + B) + C = A + (B + C)
(AB) C = A (B + C)

Associative law

3a
3b

A (B + C) = AB + AC
A + (BC) = (A+ B) (A+ C)

Distributive law

4a
4b

A + A = A
AA = A

Identity law

5a
5b


Negation

6a
6b

A + AB = A
A (A + B) = A

Redundancy

7a
7b
7c
7d

0 + A = A
1 A = A
1 + A = 1
0A = 0


8A
8b



9a
9c



10a
10b


De Morgan's laws

Worksheet No. 3

No. 1 Simplify the Boolean equation and discribe the logic circuit:

No. 2 Simplify the following Boolean expressions:

No. 3 A digital system has a 4-bit input from 0000 to 1111. Design a logic circuit that produces a high output whenever the equivalent decimal input is greater than 13.

No. 4 In a heating plant the burner X has to be switched on, when the circulating pump A is actuated and the temperature probe B for the warm water supply or the room temperature probe C respond.

a) Develop the truth table
b) Write down the sum of products equation
c) Draw the logic circuit
d) Use Boolean algebra to simplify the equation
e) Draw the corresponding logic circuit.

TO PREVIOUS SECTION OF BOOK TO NEXT SECTION OF BOOK