Back to Home Page of CD3WD Project or Back to list of CD3WD Publications

CLOSE THIS BOOKDigital Teaching Aid (DED Philippinen, 86 p.)
Introduction Boolean Algebra - Lesson 2
Lesson Plan
VIEW THE DOCUMENTIntroduction
VIEW THE DOCUMENTBoolean algebra
VIEW THE DOCUMENTBoolean equations of logic circuits
VIEW THE DOCUMENTNOR and NAN gates
VIEW THE DOCUMENTDe Morgan's theorems
VIEW THE DOCUMENTWorksheet No. 2

Digital Teaching Aid (DED Philippinen, 86 p.)

Introduction Boolean Algebra - Lesson 2

Lesson Plan

Introduction

Titel: Introduction Boolean Algebra

Objectives:

- Able to express the basic operations in Boolean algebra
- Know how to describe a logic circuit in a Boolean equation
- Understand the basic Boolean theorems.

Time

Method

Topic

Way

Remark


Q/A

* Review Lesson 1

B



S

* Introduction - George Boole

B



S

* Boolean algebra

B,Ex




S,E


- NOT operation







- OR operation







- AND operation





S,E


- Boolean equations of logic circuits

B,Ex






- NOR gates Truth table

B




S,D


- De Morgan's 1. theorem

B






- NAND gates Truth table

B




E


- De Morgan's 2. theorem

B,HO



E

* Review Exercise

WS

Worksheet No. 2


S: Speech
D: Discussion
Q/A: Question/Answer
E: Exercise


B: Boardscript
P: Picture
Ex: Example
HO: Hands-On
WS: Worksheet
HT: Hand-Out


Boolean algebra

George Boole (1854) invented a new kind of algebra that could be used to analyse and design digital and computer circuits.

NOT operation


Fig. 2-1: Inverter symbol and Boolean notation

Ex: If A is 0 (low) ® X = NOT 0 = 1

In Boolean algebra the overbar stands for NOT operation.

OR operation


Fig. 2-2: OR symbol and Boolean notation

Ex: If A = 0, B = 1 ® X = A or B = 0 or 1 = l

In Boolean algebra the + sign stans for the OR operation:

X = A + B

Ex: If A = 1, B = 0 ® X = A + B = 1 + 0 = 1

AND operation


Fig. 2-3: AND symbol and Boolean notation

In Boolean algebra the multiplication sign stands for the AND operation:

X = A · B

or simply:

X = A B

Ex: If A = 1, B = 0 ® X = A B = 1 · 0 = 0

Boolean equations of logic circuits

You can use Boolean algebra as a shorthand notation for digital circuits.

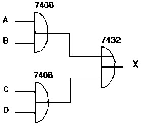
Ex:


Fig. 2-4: Digital circuit

Output of the first gate:

X3 = A + B

Output of the second gate:

X6 = X3 + C = A + B + C

The final output is:

X8 = X6 + D = A + B + C + D = X

HO: Find the Boolean equation for the following circuit.


Fig. 2-5: Logic circuit

Solution:

X = (A + B) (C + D)

NOR and NAN gates

NOR gate

Based on the three fundamental logic operations it is possible to design additionel logic devices.


Fig. 2-6: NOR gate, symbol and truth table

Formula:

NAND gate


Fig. 2-7: NAND grate, symbol and truth table

Formula:

De Morgan's theorems

Augustus De Morgan was the first who found the link between logic and mathematics.


Fig. 2-8: Logic circuits with the same output

Although the circuits are different but the output, as we can see in the truth table, is equal. Therefore we can write:

De Morgan's First Theorem

Also if we compare the two circuits on the next page we can easily see that the output is the same, although the circuits are different.

(see Fig. 2-9)


Fig. 2-9: Logic circuits with the same output

So we can write:

De Morgan's Second Theorem

HO: How can you connect a NAND gate to get an inverter

Solution:


Figure

HO: How can you connect NAND gates to get an OR gate?

Solution:


Figure

Worksheet No. 2


No. 1 What is the Boolean equation? What is the truth table?


No. 2 What is the Boolean equation? What is the truth table?


No. 3 What is the Boolean equation? What is the truth table?


No. 4 Construct the truth table.

No. 5 Draw the logic circuit whose Boolean equation is

Use the 7404 and the 7432 with pin numbers

No. 6 Draw the logic circuit whose Boolean equation is

Use the 7404, 7432 and the 7411 with pin numbers.

TO PREVIOUS SECTION OF BOOK TO NEXT SECTION OF BOOK