Back to Home Page of CD3WD Project or Back to list of CD3WD Publications

CLOSE THIS BOOKGeneration, Distribution, Use of Electric Current - Basic vocational knowledge (Institut für Berufliche Entwicklung, 141 p.)
7. Measuring technology of checking electrotechnical installations and equipment and of permanently controlling the main parameters in operation (I, U, P, Wh, Q, )
7.1. Measuring and testing methods applied before and during the installation
VIEW THE DOCUMENT(introduction...)
VIEW THE DOCUMENT7.1.1. Visual inspection
VIEW THE DOCUMENT7.1.2. A.C. voltage testing
VIEW THE DOCUMENT7.1.3. Lightning-stroke voltage testing
VIEW THE DOCUMENT7.1.4. Measuring of the insulation resistance
VIEW THE DOCUMENT7.1.5. Testing of single parts of installations, such as cables, for their insulating property
7.2. Measuring and testing methods during operation
VIEW THE DOCUMENT(introduction...)
VIEW THE DOCUMENT7.2.1. Testing methods (examples)
VIEW THE DOCUMENT7.2.2. Measuring methods

Generation, Distribution, Use of Electric Current - Basic vocational knowledge (Institut für Berufliche Entwicklung, 141 p.)

7. Measuring technology of checking electrotechnical installations and equipment and of permanently controlling the main parameters in operation (I, U, P, Wh, Q, )

7.1. Measuring and testing methods applied before and during the installation

Before any plant is installed, i.e. before lines or cables have a fixed location within the installation, and before the plant is put into operation, the lines and cables are tested for their “insulating property” and for continuity. Such measuring and testing methods are applied to find out, before and during the installation, any insulation defects and line interruptions.

7.1.1. Visual inspection

Line material and switching devices are visually inspected to find out any damage to the insulation material (damaged insulators, hair cracks in varnished and glazed surfaces, spark-overs and breakdowns, inexpertly installed switching and measuring devices, manufacturing faults, wrong safety distances, etc.).

7.1.2. A.C. voltage testing

The dielectric strength (insulating property) of the plant is tested by means of a high test voltage. The level of the test voltage depends on the insulation group and purpose of testing.

Table 25 Test voltages and testing times for installations up to 1000 V

Rated test voltage of installation

Testing time

up to 100 V

500 V

2 s

120

up to 300 V

1500 V

2 s

300

up to 1000 V Un + n

1000 V

2 s

The testing time depends directly on the purpose of testing and on the faults to be found out, such as:

- smaller distances than the minimum specified,
- air inclusions and impurities in insulating material,
- mechanical defects of insulating parts.

The tests are carried out with A.C. voltage testers.

7.1.3. Lightning-stroke voltage testing

The insulation of the electrical installation is exposed to the operating voltage ranging from 80 to 120 % of the rated voltage on the one hand and to external overvoltage (so-called lightning-stroke voltage or lightning surge) and internal overvoltage (so-called switching surge) on the other hand. These two voltages enormously differ from the operating voltage with respect to the voltage increase and frequency. Spark-overs and breakdowns in ths insulation result in considerable voltage stress of the installation.

The tests are carried out with so-called lightning-stroke voltage testers which can generate voltages of up to 10 kV, in exceptional cases up to 20 kV.

Electric power supply plants must be subjected to a so-called type acceptance test including A.C. and lighting-stroke voltage tests. During the final acceptance test, when the plant is to be put into operation, it can be decided on the basis of the plant type and location whether A.C. voltage testing and/or lightning-stroke voltage testing is to be carried out.

7.1.4. Measuring of the insulation resistance

The quality of the insulation of a product depends on the value of the insulation resistance. Reduced insulating capacity is detrimental to the function of a product as well as to the safety of the user of a plant. An insulation resistance of 50 is ths admissible minimum. A product with a lower insulation resistance is fit for limited use only (dry rooms, site insulation). Measuring of the insulation resistance can be applied instead of insulating property tests as per subsections 7.1.2. and 7.1.3. above.

Normally the insulation resistance is measured by way of a hand generator or electronic insulation measuring device.

The recommended values for the insulation resistance “Riso” are:

- For new installations or parts of installations

- For installations in operation

- For installations with rated voltage of 100 V or less, 100 Wm, if the total line section is 100 m. For greater lengths the insulation resistance RIred= 1005 W m is reduced to the following formula:

R’Ired=RIred (G: total length)

- Moreover, applies to damp installations in operation

7.1.5. Testing of single parts of installations, such as cables, for their insulating property

Cable installations are generally subjected to insulation tests on completion of the installation. The tests are carried out with rated voltages of up to 1000 V for information cables and power cables as well.

A minimum resistance of 5 megaohms per km of cable is to be measured for the cores to each other and for each core to earth. The testing times differ, depending on the cable capacity saturation. The insulation test should be carried out with lightning-stroke voltage. Cables with Un of more than 1 kV are to be tested with testing voltage. D.C, voltage is applied. The testing time is 10 minutes. A sheathing-earth test is necessary for checking the cable sheathing in the case of plastic covering.

7.2. Measuring and testing methods during operation

Electrical installations must be checked for their parameters in regular intervals (prophylactic service) or in the case of need (faults). Specific measuring and testing methods are applied for this purpose. Commercially available measuring devices are suitable for direct measurement, i.e. measurement without converter, only for the parameters of up to 100 V, up to 6 A and up to 1 kW.

In the interest of the size and weight of the devices, they are not designed for higher measuring values. Any quantities of higher value to be measured are to be adapted through converters, multipliers or shunts.

7.2.1. Testing methods (examples)

- Conductor break or conductor interruption is signalled at the end of the cable by means of indicator lights.


Figure 58. Test circuit with indicator lights

- A supervisory relay automatically cuts off the installation in the event of failure of an outer conductor.


Figure 59. Supervisory circuit with relays K1...K3 supervisory relays, K4 contactor, F fuse, S1 off-key, S2 on-key

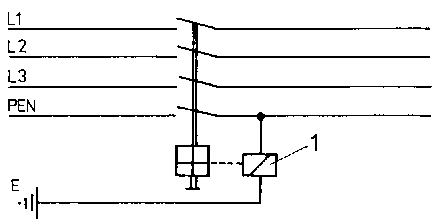
- When a neutral fault-voltage switch is used, the installation is cut off in the event of earth leakage of the neutral conductor (7 V or more) because of heavy asymmetry of load.


Figure 60. Neutral fault-voltage circuit 1 neutral fault-voltage switch

7.2.2. Measuring methods

Laboratory measurements

Laboratory measurements are carried out to determine parameters (e.g. resistance, power) of consumers with no indication of electric quantities. In this way, the actual electric quantities are determined.

Specific circuits are used, depending on the size of the test object and on the amount of the measured value to be expected.

The following circuits are prevailing:

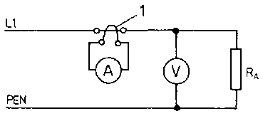
- Direct correct-voltage measurement For a voltage of 380 V or less since the multiplier is built into the device as standard. A current of up to 6 A can be measured.


Figure 61. Direct correct-voltage measurement - A amperemeter, V voltmeter, RA load resistance (consumer)

- Direct correct-current measurement

Unlike correct-voltage measurement, the current is measured here without the instrument current of the voltmeter. That means the consumer current or correct current is measured exclusively. The amounts of voltage and current are the same as above.


Figure 62. Direct correct-current measurement legend like Fig. 61

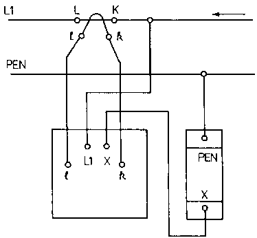
- Semi-indirect correct-voltage measurement For a voltage of up to 380 V and currents of more than 6 A.


Figure 63. Semi-indirect correct-voltage measurement legend like Fig. 61, 1 current transformer

- Semi-indirect correct-current measurement
For currents of more than 6 A and voltages of up to 380 V.


Figure 64. Semi-indirect correct-current measurement legend like Fig. 63

- Indirect correct-voltage measurement
For voltages of more than 380 V and currents of more than 6 A.


Figure 65. Indirect correct-voltage measurement legend like Fig. 63, 2 voltage transformer

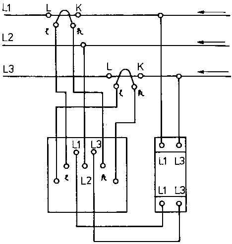
- Indirect correct-current measurement
For currents of more than 6 A and voltages of more than 380 V.


Figure 66. Indirect correct-current measurement legend like Fig. 65

Operational measurements of voltage

The mains voltage is measured in two circuit configurations, i.e. conductor voltage (conductor to conductor)


Figure 67. Conductor-to-conductor voltage measurement 1 change-over switch

- conductor-earth voltage (conductor to earth and conductor to zero).


Figure 68. Conductor-to-earth/zero-voltage measurement

In symmetrically loaded sections of lines (such as motor taps) it is sufficient to use one instrument with change-over, if necessary.


Figure 69. like Fig. 68 but with one voltmeter 1 change-over switch

Power measurements

The electric power of consumers is measured by means of power meters with the following circuit configurations:

- Measurement in a single-phase A.C. system


Figure 70. Power measurement in a single-phase A.C. system

- Measurement in a symmetrically loaded three-wire system


Figure 71. Power measurement in a symmetrically loaded three-wire system

- Measurement in an asymmetrically loaded three-wire system


Figure 72. Power measurement in an asymmetrically loaded three-wire system

- Measurement in an asymmetrically loaded four-wire system


Figure 73. Power measurement in an asymmetrically loaded four-wire system

Measurement of electric work (energy)

For the energy generating (supplying) industry it is important to know the electric energy taken by the consumer from the supply mains.

It is the basis for active-energy meters (which do not take into account the reactive energy).

Examples of circuits:

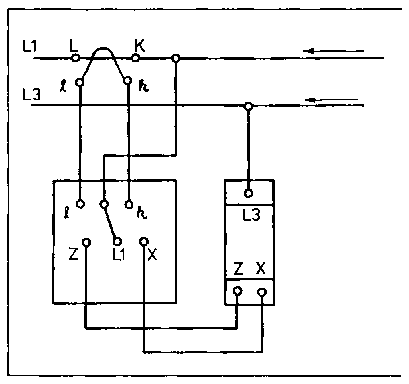
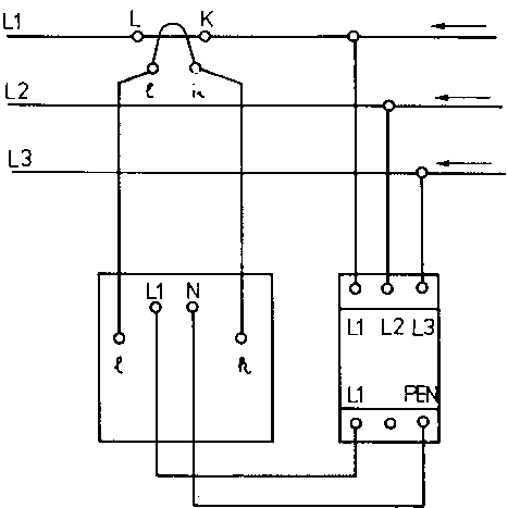
- Circuitry of a single-phase A.C. meter


Figure 74. Circuit of an A.C. meter

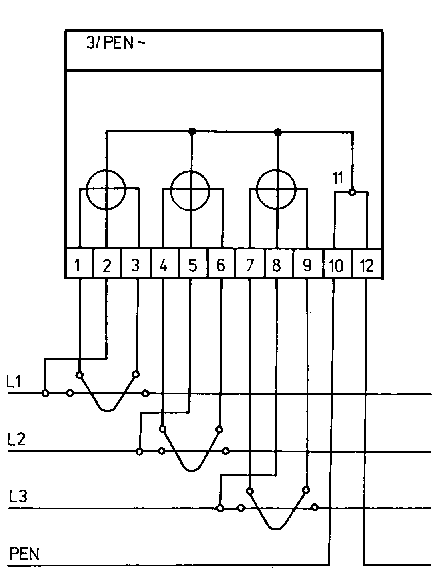
- Circuitry of a three-phase meter with two measuring systems.


Figure 75. Circuit of a three-phase meter with two measuring systems

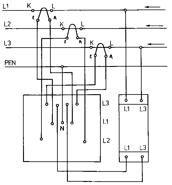
- Circuitry of a three-phase meter with three measuring systems.


Figure 76. Circuit of a three-phase meter with three measuring systems

Measurements of the power factor p The ratio of active power to total power (y) is indicated by the cos- -meter (or power-factor meter). Circuit examples:

- Circuitry in an A.C. system


Figure 77. cos- -measurement in an A.C. system

- Circuitry in a three-phase system


Figure 78. cos- -measurement in a three-phase system

Questions for recapitulation and testing

1. What tests are to be carried out in an installation before it is put into operation?
2. What devices can be used for insulation resistance tests of an installation?
3. What are the recommended values for the insulation resistance?

TO PREVIOUS SECTION OF BOOK TO NEXT SECTION OF BOOK