Back to Home Page of CD3WD Project or Back to list of CD3WD Publications

CLOSE THIS BOOKGeneration, Distribution, Use of Electric Current - Basic vocational knowledge (Institut für Berufliche Entwicklung, 141 p.)
5. Lighting installations and power installations
VIEW THE DOCUMENT5.1. General
VIEW THE DOCUMENT5.2. Classification
VIEW THE DOCUMENT5.3. Installation types and systems
VIEW THE DOCUMENT5.4. Installation technology
VIEW THE DOCUMENT5.5. Cost/benefit and environmental considerations in the technological preparation of electrical installations

Generation, Distribution, Use of Electric Current - Basic vocational knowledge (Institut für Berufliche Entwicklung, 141 p.)

5. Lighting installations and power installations

5.1. General

In practice there is a difference between lighting installations (for illumination purposes) and power installations (for driving purposes). The type of installation, the selection of the installation materials and of the protective measures to be taken against electric shock depend on the type of building and purpose of use of the building.

5.2. Classification

As a rule, the classification according to building aspects is as follows:

- Residential buildings:

Domestic facilities in individual and communal buildings.

- Industrial buildings:

Illumination and power installations of various voltage levels in plants of the light, heavy and chemical industries.

- Social buildings:

Illumination installations, scene illumination installations, advertisement illumination installations, power installations and information systems for theatres, cinemas, film and TV studios as well as electrical installations for kindergartens, schools, old-age homes, meeting rooms, department stores, etc.

- Agricultural buildings:

Illumination and power installations for livestock breeding, feed-stuff preparation, milking machines, grain drying and storage.

- Medical buildings:

Illumination installations for sickrooms, operating theatres, consulting rooms, power plants for hospitals, outpatients’ departments, nursing homes.

In addition there are special installations as well as staff locator, intercom and warning systems.

Special installations They are generally classified in three fields:

- locations with explosion hazards,
- locations with explosive hazards,
- locations with fire hazards.

They include underground installations, installations in spray-painting equipment, storage rooms for inflammable liquids and gases, working rooms with heavy dust generation, such as coal crushing mills, corn mills, storage rooms for explosives, buildings of easily inflammable materials, such as wooden huts, camping houses and camping cars.

Recommendations for the specific design of the respective installations are given in national standards and international recommendations (IEC).

Staff locator, intercom and warning systems

Staff locator, intercom and warning systems are an important part with independent functions of special power electronic installations. Their main purpose is the protection of people but also of the installation equipment part of which they are. Staff locator systems are installed in hospitals, old-age homes and hotels. An indicator board, for example, indicates where help is needed.


Figure 50. Staff locator system with one supply source


Figure 51. Staff locator system with two supply sources


Figure 52. Light call system - 1 light call centre, 2 indicator board 1. 3 indicator board “n”

Intercom systems serve for communication in industrial plants, mines, etc. but also in residential areas.


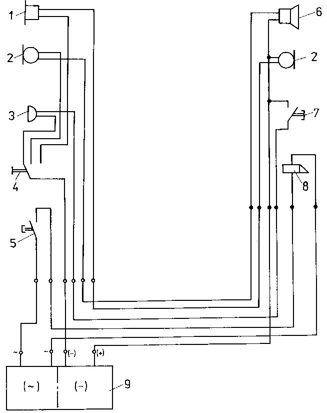
Figure 53. Intercom system (version 1) - 1 receiver, 2 microphone


Figure 54. Intercom system (version 22)


Figure 55. Intercom system with door opener - 1 receiver, 2 microphone, 3 signal transmitter, 4 change-over switch, 5 door-opening key, 6 loudspeaker, 7 calling

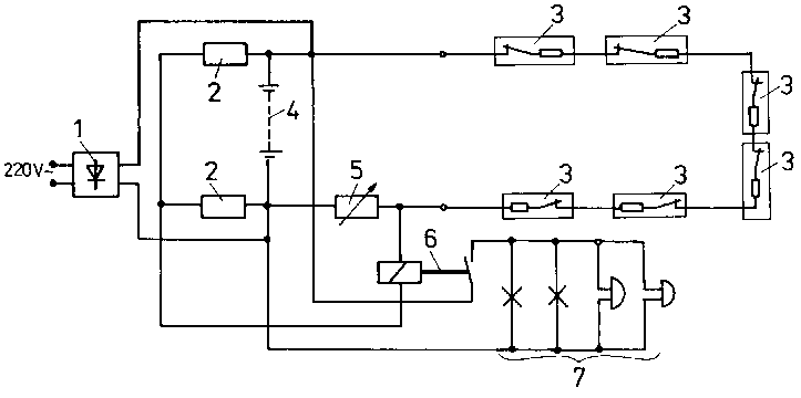
Warning systems are normally designed for specific purposes, such as burglar alarm, fire alarm, smoke indication, moisture indication, gas indication, etc. Figure 56 shows the basic circuit of a warning system and Figure 57 a glass door with foil strip safety system.


Figure 56. Warning circuit (schematic circuit) - 1 power supply unit. 2 bridge resistors, 3 door contacts with resistors, 4 buffer battery, 5 bridge adjusting resistor, 6 contactor, 7 optical and sound signal transmitters

Explanation of Figure 56:

The resistance bridge is tuned to balance with the bridge adjusting resistor. No voltage is applied to contactor (6) and the contactor does not pull up. If, for example, a burglar bridges a door contact (3), the balance is changed, the contactor will close the circuit and operate the signal transmitters. The same applies to any line interruption.


Figure 57. Glass door with foil strip safety system - 1 foil strip (conductive)

5.3. Installation types and systems

Once the application as differentiated under subsection 5.1. above is known, the type of installation and installation materials are to be selected. There is a difference between

- installation in the building and
- installation at the building.

Installation in the building

Installations in walls, ceilings, floors, machines and equipment. In this case, mechanical protection is provided by the building. Specific installation types or systems are applied, depending on the type of building and the relevant purpose of use.

Installation at the building

Installation types and systems to meet the requirements of environmental conditions, electric load, aesthetical aspects, specific purpose of use and laws of economical use of material. Nowadays solutions for repeated application are aimed at because production changes by the user of the plants call for variable installations.

Internationally there is but little standardization of the variety of installation types and systems. Normally there are only national specifications. The following list shall give a survey of different installation types and systems:

Installations

- Fixed installations

· Conventional installation

· · Buried (concealed)
installation The installation material is embedded in the brickwork and covered by plasterwork.

· · Flush installation
The installation material lies on the brickwork and is enclosed by plasterwork (flat lines).

· · Surface installation
Plastic-insulated cables in clips on the plasterwork, pipe installation on the plasterwork, plastic ducts on the plasterwork (see systems).

· · Bracing wire installation
Plastic-insulated cable wound around bracing wire and fixed to the bracing wire at certain intervals.

· System engineering

· · Current bar systems

· · · Bar duct systems

Bare conductors insulated against each other and mounted in a sheet metal duct. Current tapping is easy through so-called adapters at certain intervals.

· · · Current paths

Enclosed system for electric energy transport in the form of a contact line. “Intervention” is not possible. The trolley is movable along the system.

· · · Plug-in lines

Enclosed current-carrying system in a rigid duct at the front of which tapping of electric energy from the inside of the duct is possible through plug-in units (adapters).

Cable and line systems

Underfloor systems

screed-covered systems
screed-flush systems
concrete-embedded systems
feeding systems
connection systems
steel cell systems
hollow ceiling systems
double floor screed systems
double slab systems
ceiling duct systems

· · · Surface-type systems
wiring duct systems
strip duct systems
wall duct systems
parapet duct systems
column installation systems
light fitting installation systems

- Movable installations

· Installations subjected to low mechanical and thermal stress. Base material: plastic hose lines.

· Installations subjected to high mechanical stress. Base material: rubber sheathed cables (cab-tyre lines)

· Installation subjected to high mechanical and chemical stress.

Base material: rubber sheathed cables (cab-tyre lines), (oil-resistant)

· Installations subjected to high mechanical and thermal stress.

Base material: silicone rubber sheathed cables.

5.4. Installation technology

The installation types and systems need to be mounted by various mounting technologies. Processing differs internationally and largely depends on the existing possibilities.

Mechanical fixing of the components

- Doweling techniques

· screwing
· nailing

- Bolt firing and setting techniques
- Cementing techniques

· epoxy resin adhesives
· other highly volatile adhesives

- Screwing and welding techniques
Mechanical engineering techniques to process cable trays.

Electric connections

- Soldering techniques

· soldering-iron soldering
· blow-pipe soldering

- Pressing techniques

· notch-type connection
· hexagon connection
· flat plug connection

- Screw terminal connection as conventional connection technique.

5.5. Cost/benefit and environmental considerations in the technological preparation of electrical installations

The preparation of a basic decision as to the erection of an electrical installation must include studies of the external conditions, such as

- system solutions at choice,

- environmental influences on the plant (e.g. temperature, moisture, vibrations),

- influences of the plant on the environment (e.g. noise by transformer plants, deforestation for overhead-line routes, hazards of contamination of drinking water catchment areas by the use of oil-filled cables where oil may penetrate in the event of failure),

- qualification of the installer and future user of the plant,

- use of existing technologies and working tools.

The development of sites is also an important cost consideration, such as transportation routes, power supply, storage facilities, etc. The electrification of a relatively small town/village or factory in an undeveloped terrain, possibly even a well-wooded area, for example, will be less expensive and less harmful to the environment if isolated operation is envisaged. That means, the erection of a diesel-electric station (so-called mini power plant) avoids the deforestation (which is of heavy ecological impact) for an overhead-line route for external power supply which itself would be very costly. Today it is not enough to decide just on the basis of the costs involved in the erection of an electrical installation but the operating expenses and possible consequential damage are also major considerations. The operating expenses also include costs of service and qualification of personnel. In other words, the more intricate the erection of an installation, the higher the current costs and the total costs at the end.

Questions for recapiutlation and testing

1. How are electrical installations classified?
2. What are installation systems (system solutions)?
3. What is the prevailing technique of connecting aluminium conductors?

TO PREVIOUS SECTION OF BOOK TO NEXT SECTION OF BOOK