Back to Home Page of CD3WD Project or Back to list of CD3WD Publications

CLOSE THIS BOOKVillage Electrification (SKAT, 1992, 128 p.)
Part 4: Power factor correction
VIEW THE DOCUMENT(introduction...)
VIEW THE DOCUMENT1. Phasor diagram
VIEW THE DOCUMENT2. The power factor in isolated grids
VIEW THE DOCUMENT2. Power factor in isolated grids
VIEW THE DOCUMENT3. Power factor correction
VIEW THE DOCUMENT4. Measurement of the pf
VIEW THE DOCUMENT5. Calculation examples for the compensation capacitance
VIEW THE DOCUMENT6. Summary, rules, recommendations:

Village Electrification (SKAT, 1992, 128 p.)

Part 4: Power factor correction

To understand the power factor and its importance, we need an understanding of the energy transmission in electrical systems. Analogue to mechanical systems, electrical energy can be dissipated by 'friction' (like a break) or, if we use AC, periodically stored and released (like a pendulum). Electrical energy is therefore 'moving' in three ways: unidirectionally, oscillating or in a combination of both. This depends solely on the impedances, the kind of loads in the system. Is there only active load (real impedance e.g. resistors like bulbs, heaters...), energy flows unidirectionally. Is there only reactive load (imaginary impedance like coils, condensators...), energy purely oscillates on the line. Under mixed conditions (complex impedances) the unidirectional and oscillating energy flows will superimpose.


Fig 1 Power flow in the setup: (MHP) turbine generator - inductive/ resistive load.

The hydraulic power is transformed in mechanical power by the turbine, then to electrical power by the generator. The load partly dissipates, partly reflects this power. The generator apparently produces the power Selec, but only the real component Pelec is supplied by the turbine and consumed by the load. The rest, Qelec, is oscillating on the line.

What does this mean in terms of currents and voltages? In the unidirectional flow, the current and the voltage are exactly in phase, in oscillating flow the current and voltage are exactly a quarter of a period out of phase, either the current is leading or the voltage is leading (for a 50 Hz signal this is a time lead (or lag) of 5 ms). Leading or lagging depends on the type of the impedance: is it inductive (coils etc.), the current will lag, is it capacitive the current will lead the voltage.

In mixed flow, the phase is somewhere between zero and a quarter a period. Commonly, the 'out of phase' of current and voltage is used as a measure for the 'quality' of the load and is closely related to the power factor.

1. Phasor diagram

A simple way to display this behaviour is the phasor diagram. We draw (see Fig 24) two ortogonal axes. The horizontal is the real axis and the scale for real values (or active components like resistors). The vertical axis is the scale for imaginary values (or purely reactive components like inductances). A phasor is a vector ('arrow') drawn in this plain representing a quantity like an electrical current, voltage or power. The length (in units of the scale) indicates the strength, the direction (in degrees clockwise from the real axis) indicates the phase of this quantity.

The voltage U for instance in Fig 2 is drawn with no phase angle (e.g. in direction of the positive real axis to the right). This is an arbitrary selection. The current Iactive in a resistor R due to Ws voltage is in phase with the voltage, so it points in the same direction as U. The current Ireactive in the inductance L (coil) lags the voltage by 90°, so it points vertically down. It is purely reactive as it is parallel to the imaginary axis. And now the clue of the phasor diagram: the total current Iapparent, is the vector sum of the two current vectors. A vector sum is drawn (or calculated) by adding at each end of a vector the beginning of the next. The vector drawn between the beginning of the first and the end of the last is the vector sum. In case of only two vectors which are perpendicular the resulting figure is a rectangular triangle, for which the calculations are very simple (Pythagoras). This case applies to all parallel circuits (R//L, R//C and R//L//C)

2. The power factor in isolated grids

2.1. Single Phase with a Single Load

The impedance shall be mixed inductive parallel to resistive (L//R). The voltage is U for both. The total current, Iapparent, is the vector sum of Iactiv. and Ireactive (90° lagging). Or {1}
which says the current triangle is rectangular. The phase between Iapparent, and the voltage U is


Fig 2 Phasor diagram for currents and voltage in a parallel circuit (inductance II resistor).

Multiplying each of this currents by the voltage U, we get the similar vector triangle (scaled with U) for the three powers. If not mentioned differently I means from now on Iapparent

Power supplied by the generator:

S = U·I ;Apparent Power [kVA] {3a}

Power which is consumed:

P = U·I cos j = S·cos j ; Active Power [kW] {3b}

Power which oscillates:

Q = U·l sinj = S·sinj ;Reactive Power [kVAr] {3c}

The power factor pf is defined as

cos j P/S = P/(U·l) {4}


Fig 3 Phasor diagram for the electrical power in a parallel circuit (inductance II resistor).

The phase angle j is the same as for the currents (formula 4), so in a setup as described, it could also be derived by the currents. Sometimes the formulas in Table I are useful.


Table 1 A compilation of important conversion formulas.

Each formula is expressing the unknown (first column) as a function of two variables (first row & second column).

In a purely reactive load, there is no energy absorbed in the time average, hence no power consumed. Energy-meters (kWh meters) do not count reactive energy and so reactive power is not sold. But still there is an apparent current flowing, although partly oscillating (reactive energy), which produces losses on the transmission lines. To run a distribution system efficiently means minimizing these blind currents (reactive currents) by minimizing the phase angle j . Ideally j would become zero and the power factor one.

cos j = pf = 1 and sin j = 0 for j = 0 {5a}

In this case the apparent power equals the active power and the reactive power becomes zero

S = P and Q = 0 {5b}

2. Power factor in isolated grids

2.2. Single Phase with Several Different and Parallel Loads


In the case of several parallel loads, the powers are summed differently. The following formula is read like:" ...the square of the total S is the square of the sum of all P and the square of the sum of all Q..." It is important not to mix up the sequence of squaring and summation!


Fig 4 Phasor diagram to determine S in a parallel circuit of several inductances and resistors.

2.3. Three Phase with a Single, Balanced Load

In this special but frequent case, the calculation is the same as for the single phase, single load except a scaling up by the factor square root three, if U is the phase voltage Uph and I is one (of three equal) phase current Iph and S, P and Q are the total powers of the three phases.


FIGURE

The consumer is not directly concerned with the power factor as he does neither pay the reactive power nor get anything done by it. His power factor, however, is part of the overall system and contributes to an efficient (or poor) performance.

In most countries a control of the consumer's pf exists (or is on the way), in order to guarantee a satisfying system's performance. Normally, a minimum value for the pf is set (a value of cosj = 0.8 for example) and any consumer having a pf below this value is punished by a higher tariff or by paying a fine. He may be rewarded with lower tariffs or discounts if he reaches power factors close to one.

What was discussed before, leads to the following three conclusions for isolated grids:

1 Simple generators like asynchronous generators are unable to deliver reactive power Q without special measures. Their generation characteristics are also sensitive to varying pf = > keep pf = 1 and constant.

2 To minimize the costs for installations and losses, the grid should carry the minimum current which primarily means no reactive current. = >keep pf = I and compensate close to the inductivities.

3 Is the mechanical power of the prime mover the limiting factor (water flow, head...), this power should be transformed in pure active power P by the generator. -> keep pf = I

3. Power factor correction

We have seen that in real grids a degrading pf is unavoidable as soon as inductive loads are connected. Inductive loads are any kind of appliances using magnetic fields such as electric motors, generators, transformers, chokes etc. This leads to higher currents in the grid than necessary. For a given apparent power and voltage, the current varies with the pf as shown in Fig 5.


Fig 5 Ratio apparent to active current as a function of the power factor.

It is at a minimum (equal to Imin if the reactive power Q disappears for a pf of one and rises quickly as the pf diverts from one.

To compensate the power factor, it is easiest to add a device having the same but negative reactive current, parallel to the inductive load. So the two reactive currents will cancel each others. Such an element is the capacitor as we have already seen.


Fig 6 Compensating an inductive with a capacitive current.

Fig 6 displays the compensation of a reactive load /L) with a capacitor. The inductive current Iind has to be compensated with the capacitive current Icap. Is Icap too small (lc1), we still find an under compensated load (inductive type). Is Icap too high (Ic2), we find an overcompensated load (capacitive type). To choose the correct capacitor we can use the following calculations (f is the line frequency):

IL = U/(2·pf·L) and IC = U·2·pf·C {8a}

for full compensation these two values must be equal:

IL = IC = > 1/((2·pf·L)2 ·L) {8b}

It is convenient to use the value 'CRP = Capacitance per Reaetive Power:

CRP = C/Q = 1/(2·pf·U2) (9}

For a given line voltage U and frequency f, CRP is constant and the compensation capacitor ean simply be calculated as:

C = CPR-Q {10}


Table 2 Capacitance per Reactive Power [mF/kVAr] for some important line voltages and frequencies.


Often, however, a full compensation is not wished and the load is kept slightly inductive (say pf = 0.9). In this case not the full reactive power has to be compensated (-> pf1), but the one reduced by the less stringent power factor (Pf2).

Tube lights use a built-in choke to ignite the tube and as an AC current limiter. The choke is a coil and responsible for the very low power factor (below 0.5) of this illumination. A single tube-light is often compensated by a series capacitance (see Fig 71 to avoid interference with centralized multiservice systems (line carriers). In small grids, however, tubelights can be compensated by a parallel capacitance. Several tube lights controlled by a single switch are centrally compensated with a single capacitance (see Fig 7).


Fig 7 pf compensation of tubelights.

There are of course situations where the load is capacitive, for instance long cables tend to have rather high capacities. In this case, the load is compensated exactly in the same way just with inductivities (coils). We could of course let capacitive loads compensate inductive loads by a clever grouping strategy of the consumers, avoiding expensive pf compensation gear.

Fig 8 displays a geometrical interpretation of a pf correction. It shows that with the same installed power S I active power can be gained (P gain) by improving only the pf.


Fig 8 A geometrical interpretation of the influence of a power factor reduction (j1 , to j2 ) on the power (P, Q & S) in a load. a) S constant: 'move on the circle'->in creases P, decreases Q b) P constant: 'move straight down' >decreases S and Q

3.1. Individual Correction


FIGURE

The easiest way to ensure a good pf is to compensate each disturbance where it occurs e. g. to correct every inductivity on the spot, for instance by connecting the correct compensation capacitor to the same power switch, socket etc. Unfortunately this system depends fully on the awareness of the consumer or a tight control by the producer. It might also be costly and not compensating accurately enough. advantage: cheap (consumer pays), simple, minimum currents on the entire grid. disadvantage: producer has no immediate influence to improve pf. Additional pf correction might be necessary.

3.2. Sector Compensation


FIGURE

Large grids are subdivided in sectors and each sector could be compensated at its feeder (for instance after the transformer). A sector might be an entire village or an industry. Certainely the pf of the sector will vary considerably with time. It is therefore necessary to connect a variable pf correction capacitor. This is usually a complete system which senses the phase and connects or disconnects capacitors from the supply. Such 'automatic power factor correction' (APFC) systems are rather complicated and expensive. Sometimes a single capacitor, which is exchanged from time to time to adjust the pf, is sufficient. In this case the pf fluctuation should be small over short intervals. advantage: using APFC allows almost perfect, adjustable compensation of sectors. disadvantage: excess reactive currents in the sector, expensive with APFC; without adjustment procedure is difficult.

3.3. Global Compensation


Figure

lf the grid is small, it could be regarded as one single sector and compensated by a APFC system sited in the power house.

A capacitive load control as needed in an asynchronous generator might be combined with an APFC and reduce costs.

advantage: complete, immediate control at the generator, full compensation of the generator.

disadvantage: excess reactive currents on the entire grid.

A sophisticated, large scale system will combine all three strategies. For a small grid, however, the first might be the most efficient for limited financial resources. pf compensation is never static and will change with time. A gradual investment in this issue is possible.

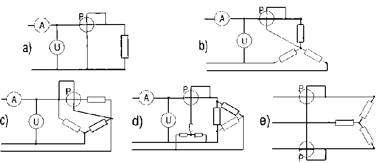
4. Measurement of the pf

The pf is easily measured by an instrument called "cos j meter". But it can be determined by some simple measurements and calculations with a normal Volt, Amp and kWh meter:

The kWh meter is used to determine the active power P. On its name plate it is indicated how many revolutions correspond to a kWh (some constant k); hence counting the number of revolutions in a certain time, for instance rpm, reveals P.

p = (60·rpm ) / k

example: rpm = 1, k = 2

P = 2 = 30 kW {12}

With the amp meter and the volt meter the apparent current and the voltage are measured. The apparent power S is then:

S = U·I

and pf = P/S = P/U·I {13}



Fig 9 Measuring the power factor. a) single phase circuit b) circuit to measure a 'star' load c) circuit to measure a 'delta' load d) external star point circuit to measure a 'delta' load e) Aron circuit, which uses only two power meters to measure the total P in an unbalanced three phase system.

To measure a three phase load, this method is only applicable if the load is balanced. For a star connection the line-voltage and current and P are measured as shown in Fig 91;). Then using

we find

In a delta connection circuit c) would be used. Often the kWh meter cannot be inserted as shown. In this case an external star point can be built (circuit d).

Is the load asymmetric, each phase has to be measured separately. There is the so called Aron circuit which allows to measure the total power with only two kW meters (circuit e). In a small grid, knowing all pf of the installed appliances, the total pf can be calculated instead of measuring (see example 3).

5. Calculation examples for the compensation capacitance

Example 1: Single Phase

This example will first supply us with all the necessary formulas (collected from above) for the subsequent examples and does not use any numerical values.

i) Compare two loads, one purely reactive, the other partly inductive, if the active power P and the line voltage U are the same.

ii) Let us consider a single phase motor at a rated voltage U with a power factor pf. Without compensation the current I and the active power P are measured. What is the apparent power S, the power factor pf and the reactive power Q? What value must a capacitor have for full compensation and for a compensation up to a given pfmin?


FIGURE

And now we do some calculations with these formulas

1a) A consumer needs 11 kW active power from a 220 V single phase supply:

i) if he doesn't use reactive power (only resistive load)

- the power factor pf is:

pf = cos j = 1 as j = 0 for Q = 0 the apparent current I: I = P/U as S = P = 11kW/220V = 50A

- the apparent power S: S = P = 11 kVA the reactive power Q: Q = 0 kVAr

ii) but if he uses reactive power and the power factor is only pf = cos j = 0.5, then we obtain the following:


FIGURE

We see that for the same active power we now use twice as much current in ii), which means we would have to double the capacity of all electrical installations.

lb) A single phase motor shows on the nameplate: P: 2.2 kW; U: 220 V; cos j : 0.65; f: 50 Hz


The pf is to be corrected to the minimum allowed value cos j = 0.9 by adding adequate capacitors.


Table 3 Comparison of compensation in example lb

Example 2: Three Phase

Again at the beginning a list of the needed formulas. Suppose a balanced three phase supply and a balanced load is given.


What is the difference to the single phase case?

Besides the square root three factor in the relations power to voltage and current nothing changes!
i) A three phase motor shows on the nameplate: P: 10 kW; U: 220/380 V; pf = 0.75; f: 50 Hz


The power factor is to be improved from pf = 0.75 to pf = 0.9. Choose the correct capacitor for a delta connection

Table 4 Comparison of compensation in example 2

compensated

cos j

P [kW]

Q [kVAr]

S [kVA]

I [A]

no

0.75

10

8.8

13.3

20.25

yes

0.9

10

4.8

11.1

16.88

Sometimes compensation is also formulated as follows: 40% of the above motor's active power P has to be compensated (it is assumed that the motor's Q is more than 40% of P). The reactive power compensated by the capacitors is:

40% of 10 kW = 4 kVAr if the capacitors are delta connected, their capacity per phase is:

C = 4 kVAr·7.5 mF/kVAr = 88 mF

Example 3: A Small Grid

Suppose we have to determine the compensation cos j for the small grid described in Table 5. It is a single phase, 240/480V system (see chapter SWER) with S = 60 kVA installed power. The big loads use the 480V line to reduce the currents and simplify the compensation.


Table 5 pf compensation for a small grid - an example.

Explanations: Each item shows its rated voltage and power, the total power for all connected items and the value for the compensation capacitor and the compensated reactive power Qc to achieve an improved pf of 0.97. Under the subtotals the uncompensated powers P, Q and S for the respective heading are compiled and the resulting pf is shown. The generator voltage is assumed to be 480V so under 'supply total', the compensation capacitor is indicated for this voltage and a global compensation. CRP(240V) = 55.26 1pFlkVArl,CRP(480V) = 13.82 [m/kVAr].

A calculation shows that without a compensation the global pf is 0.82 and the load would exceed the installed capacity. The uncompensated total apparent power S is 62.5kVA (well above 60kVA). Although the pf is not too bad, a rigorous compensation can reduce S substantially. After correcting the pf to 0.97 (either by compensating each inductive load or globally at the generator) the apparent power has shrunk by 10 kVA to S = 52.5 kVA and is now well within the rated value. (Note: A pf of 0.97 might be rather high and normally not appreciated. In this case, however, the power gain justifies this compensation.)

Actually with this compensation we gain 9 kW of active power without adding any generation power! P1 = S.pfl = 60 kVA·0.97 = 58.2 kW P2 = S·pf2 = 60 kVA 0.82 = 49.0 kW

6. Summary, rules, recommendations:

it is often economically not justifiable to compensate 100% and reach an exact pf of one. A reasonable value is 0.8 - 0.9.

to compensate 1 kVAr in a single phase 220V/ 50 Hz network, the value of the capacitor has to be 66 mF (micro Farad).

to compensate 1 kVAr in a three phase 380V/ 50 Hz network, the value of the capacitor has to be 22 pF per phase.

to order or buy a capacitor it is normally enough to indicate the reactive power to be compensated as well as the supply voltage.

supplying institutions often set rules for the compensation of (induction) motors. For instance fixing the Q to be compensated to 40 45 % of the motor's nominal (active) power which determines the value of C.

TO PREVIOUS SECTION OF BOOK TO NEXT SECTION OF BOOK