Back to Home Page of CD3WD Project or Back to list of CD3WD Publications

CLOSE THIS BOOKOne Hundred and One Technologies - From the South for the South (IDRC, 1992, 231 p.)
Agriculture
VIEW THE DOCUMENT1. The jab-seeder a tool for manual seeding
VIEW THE DOCUMENT2. Promoting the use of soybeans
VIEW THE DOCUMENT3. The improvement of chickpea and lentil production
VIEW THE DOCUMENT4. Beekeeping in rural areas
VIEW THE DOCUMENT5. Forage system for semi-arid areas
VIEW THE DOCUMENT6. Women and integrated pest management
VIEW THE DOCUMENT7. Mulbud a computerized calculator for multi-crop farm budgets
VIEW THE DOCUMENT8. The rubber-tire groundnut sheller
VIEW THE DOCUMENT9. Hand-operated wooden groundnut shellers
VIEW THE DOCUMENT10. The grain mini-dehuller
VIEW THE DOCUMENT11. Dehulling businesses run by women
VIEW THE DOCUMENT12. Small-scale rural oilseed processing
VIEW THE DOCUMENT13. Improved oilseed press
VIEW THE DOCUMENT14. Improved methods for storing corn
VIEW THE DOCUMENT15. Improved grain storage
VIEW THE DOCUMENT16. Multi-crop dryers
VIEW THE DOCUMENT17. Potato based food products for low-income consumers
VIEW THE DOCUMENT18. Diffused light storage for seed potatoes
VIEW THE DOCUMENT19. Cooling technologies for the preservation of fruits and vegetables
VIEW THE DOCUMENT20. Act-ais agricultural marketing information system

One Hundred and One Technologies - From the South for the South (IDRC, 1992, 231 p.)

Agriculture

1. The jab-seeder a tool for manual seeding

In the Northeast part of Thailand, poor soybean farmers who cannot afford power-driven farm tools spend long, tiring hours seeding their farms by hand. It is done in three steps: making the holes, dropping the seeds in, and covering them up. The task is laborious, time-consuming, unpleasant, and tiring.

The Asian Institute of Technology in Bangkok has developed a new tool called the jab-seeder, which is a low-cost, simple, easy-to-operate alternative for manual seeding of farms. It increases productivity, reduces planting costs, and reduces the drudgery of the task.

The main advantages of the jab-seeder are that hole-making and seed-dropping are done simultaneously, and there is no bending or squatting. It significantly cuts down on the labour requirements (and therefore the costs) of the planting process. A farmer using the seeder punches it into the ground to make a hole and the seed is dropped into the hole as the seeder is lifted.

The jab-seeder has the following features:

· It is useful in various types of soil, including untilled (wet) soil, conventionally tilled soil (with or without residues from previous crops), sandy loam, loamy soil, or clay loam soil.

· It weighs 2 kilograms and is 1.5 metres long.

· It can adjust the amount of seed to be planted per hectare.

· It can seed soybean, mungbean, rice, maize, peanuts, and cotton.

· Its design can be adapted according to locally available materials.

· It has four different types of soil-openers (hole-makers) for various soil conditions.

The jab-seeder has been disseminated in Thailand through promotion on TV and through posters and pamphlets; training sessions with farmers and extension workers; and work with manufacturers and sales networks. There is interest in other Asian countries in disseminating the jab-seeder to small farmers.


This cross-sectional view shows how seeds are planted

Potential users

Small soybean, peanut, rice, maize, and cotton farmers who can’t afford power-driven farm equipment.

Cost and availability

The jab-seeder costs approximately US $10.00. It is currently made by three Thai manufacturers:

· Ar-ree Ar-thorn, 253/1-3 Talad Chong-kae, Amphur Takli, Nakornsawan, Thailand.

· Kunasin, 107-108 Srisatchanalai Rd, Amphur Sawankalok, Sukhothai, Thailand. Tel.: (055)642119

· Anusarn Co. Ltd, 94-120 Chareonmuang Rd, Chiangmai, Thailand.

Contact

Manual Seeder Project
Division of Agricultural and Food
Engineering
Asian Institute of Technology
GPO Box 2754, Bangkok 10501, Thailand
Telex: 84276 TH; Cable: AIT BANGKOK

Resources and publications

The Asian Institute of Technology has published two manuals in Thai and English:

· Operator’s Manual - AIT Jab-Seeder
· Manufacturer’s Manual - AIT Jab-Seeder

Engineering drawings and technical assistance in the manufacture of the seeder can be obtained from AIT.

2. Promoting the use of soybeans

The reduction in Nigeria’s oil revenues has resulted in l a decrease in imports, including imported high-protein foods. Local production of high-protein foods has also been low, resulting in widespread malnutrition, especially among women and children.

The International Institute of Tropical Agriculture set out in 1986 to promote the growing and eating of soybeans, a high-protein food, to improve the nutrition of rural and urban people. Soybeans need no fertilizer, grow well on poor soil, store well, and can be intercropped with other species. Made up of 40% protein, a higher proportion than cowpeas, powdered milk, or groundnuts, they are less expensive and more nutritious than many traditional foods. While soybeans have the same protein content as dried fish, they are considerably less expensive. The sale of soybean products also provides new income possibilities for women.

The project developed a package of technologies for households and small-scale rural enterprises, including:

· Identification of appropriate processing equipment, such as an improved oil expeller and an extrusion cooker for developing commercial soybean products that are acceptable to consumers, easy to prepare and store, and economical to produce;

· Recipes for soybean-based foods suitable for local consumption and sale; and

· A program for introducing soybeans to communities.

Among the new foods that have been developed are soy vegetable soup and soy milk. Soy flour is also added to customary cowpea, yam and cassava flours in traditional foods such as gari, akara, and ogi. These foods made with soybeans taste similar to the traditional foods but have 10 to 20 times the protein content. They have gained wide acceptance both in rural and urban areas.

New recipes and processing techniques seek to reduce the workload and simplify the production of soybean-based foods. For example, a method was developed for making soy milk from flour at home in 15 minutes, instead of the overnight soaking and grinding required in the traditional method. New, faster methods for manual dehulling of beans at home have also been developed.

A number of booklets on soybeans have been published in English, Hausa, Ibo and Yoruba, using simple language and clear illustrations. These ínclude a step-by-step guide to planting, harvesting, storing and processing, and a booklet of recipes (see below).

The program has resulted in a sharp increase in the growing and use of soybeans in Nigeria. In areas where the project activities took place, the percentage of people eating soybeans rose from 0 to 54% since the project started, and 35% of the farmers now grow it. The number of retail outlets selling soy products has also dramatically increased, both in rural and urban areas. Small enterprises now produce soy milk, soy oil, and soybean-based baby foods and animal feeds. Several hospitals and clinics teach mothers how soybean foods can help improve and maintain their children’s health. Many women now use soy weaning foods instead of buying commercial baby foods.

Potential users

Farmers, nongovernmental organizations (NGOs), government, women’s groups, co-ops, agriculturalists, small producers, particularly in areas where the diet is protein deficient.

Contact

Dr Kenton Dashiell, Project Leader
Mrs Sidi Osho, Project Coordinator
Grain Legume Improvement Program
International Institute of Tropical Agriculture
Oyo Road, PMB 5320, Ibadan, Nigeria
Tel.: 400300 - 400314; Cable: TROPFOUND IKEJA
Telex: TDS IBA NG 20311 (Box 015) or TROPIB NG 31417

Resources and publications

· Soybeans for Good Health: How to Grow and Use Soybeans in Nigeria, 22-page booklet, International Institute of Tropical Agriculture.

· Soybean as Food in Nigeria, S.M. Osho, 50-page booklet, IITA.

· Soybean Recipes, S.M. Osho, 26-page booklet, IITA.

3. The improvement of chickpea and lentil production

In Jordan, lentils and chickpeas are an important part of the diet. However, production of these legumes declined dramatically in the 1980s. Originally an exporter of lentils and chickpeas, Jordan now imports 40% of local requirements for lentil and 50% of local requirements for chickpea. Farmers stopped producing lentils and chickpeas because of low yields and rising labour costs. Most lentil farmers use manual labour almost exclusively and get caught in a labour crunch at harvest. They are switching to other crops, mostly cereals, to increase profits. Cereal growing is more mechanized.

To increase the production of lentils and chickpeas, to increase farmers” incomes, and to reduce Jordan’s protein food deficit, researchers developed improved strains as well as a package of improved technologies and agricultural practices.

The “full package” includes the following:

· Improved agricultural practices including the use of the chisel plow and sweep to prepare the seedbeds, the grain drill for seeding and fertilizing, and the roller;

· Improved varieties of lentils (called Jordan 1, 2 and 3) and chickpeas (called Jubeiha 1, 2 and 3);

· Optimum seeding rates for lentils (120 kg/ha for high rainfall areas and 80 kg/ha for low rainfall areas) and chickpeas (100 kg/ha);

· Optimum rates for fertilizer application (20 kg of nitrogen and 40 kg of phosphate per hectare);

· Early sowing for winter varieties, which significantly increases yields;

· Optimum methods for weed control;

· Recommendations on equipment adapted to the terrain, for use in mechanical harvesting, including a tractor back-mounted cutter bar (single or double knife), a self-propelled cutter bar, a plant puller, a grain combine and a whole harvester.

The most promising technique for chickpea so far is a modified conventional grain combine used at a slower speed. For lentils, pulling and swathing techniques are still being investigated to reduce straw loss, which is valuable for animal feed.

Techniques and machinery are adapted to local conditions and socioeconomic factors. The Jordan Cooperative Organization (JCO) rents the required equipment to farmers who request it. They also conduct demonstration trials on seeding and harvesting.

The technology has been demonstrated as a full package to farmers who possess landholdings large enough to introduce mechanization (five hectares or more), and as a minimum input (improved varieties and fertilizers) to smaller, poorer farmers. Seeds of the improved varieties are propagated by the Ministry of Agriculture and distributed to participating farmers. Use of the improved package has doubled the yields of some farmers.

Extension bulletins in Arabic, detailing the recommended practices, have been produced for farmers and extension workers. A 45-minute video in Arabic on mechanical lentil and chickpea production has also been prepared and shown at workshops and field days.

A similar program has been developed in Tunisia at the Institut national de la recherche agronomique de Tunisie, involving improved strains of lentils and chickpeas, seed production, and recommended agricultural practices. A publication in Arabic will be produced.

Potential users

Lentil and chickpea producers on rainfed farms. The package can be used by farmers with access to machinery, as well as very small farmers or farmers working on stony or hilly soils.

Contact

Mr Bassam Snobar
University of Jordan
Faculty of Agriculture
Amman, Jordan, T1X 21629
Tel.: 962-6-843655 ext. 2523
Fax: 962-6-832318; Telex: 21629
UNV JO

In Tunisia:
Mr Habib Halila
Institut national de la recherche
agronomique de Tunisie
Avenue de l’Indépendance, Ariana, Tunisie
Tel.: 231985 or 231 693; Fax: 216 1 711741

Resources and publications

· Pamphlets in Arabic describing all recommended management practices (University of Jordan).
· 45-minute video in Arabic describing recommendations (University of Jordan).
· Annual reports on the project are available in English.

4. Beekeeping in rural areas

“Honey hunting,” or gathering wild honey in the tropical rainforest, has been a longstanding cultural tradition in Malaysia, from which beekeeping has slowly evolved. Honey and wax are widely used in medicine, as health food, and for traditional crafts such as batik. Malaysia only produces 3% of its local requirements in honey. The rest is imported from Australia, China, and the US. However, local honey at higher cost is preferred to the cheaper, imported honey. Honey hunting is therefore a lucrative business, with expeditions into the jungle bringing in between $300 and $600 a day.

Researchers in Malaysia have now developed technologies and methods to promote beekeeping as a cottage industry with many socioeconomic benefits for rural small farmers and landless peasants. Currently, some 1000 Malaysians maintain about 5000 bee colonies. Most of these beekeepers are small farmers with less than 2 hectares or no land at all.

The technologies that the research team developed include:

· Methods of hive management using movable frames mounted in wooden boxes to control the production of honey, wax, and pollen;

· Methods to control pests and disease;

· Methods for the treatment and storage of honey;

· Methods for breeding and rearing queen bees;

· A technique for the mass rearing of carpenter bees for crop pollination;

· An inventory of indigenous plants on which bees feed (in English and Bahasa Malaysia).

The main system that has been developed is the rearing of bees under coconut trees (called “coconut complex agroecosystem”). However, bees can be kept under coffee, pineapple, star fruit, rubber trees, and in orchards. The pollination activities of the bees increase yields of orchards and other crops.

Beekeeping has been shown to increase a farmer’s income by up to 50% under favourable conditions; it requires little capital outlay, no land, and is not labour intensive. It is particularly suited as an income-generating activity for women, young people, and the landless. During the study, it was found that revenue from honey sales reached US $2160 per year; operating costs (labour, feed supplements, pest control, and bottles) cost $837. Net income was therefore $1322.

A major dissemination project has been funded by the Communications Division of IDRC with the following components:

· Publication of a manual on basic beekeeping, for semiliterate readers, in Bahasa Malaysia. The manual includes modules on hive design, catching wild colonies, hive management, honey collection, pest control, and the economics of beekeeping;

· Two training programs: basic beekeeping (this course is mainly targetted at women from coconut beekeeping areas), and a queen bee rearing course for more advanced beekeepers;

· Field days, seminars, etc.

As a result of the success of this project, an Asia-wide network is being considered to promote and extend beekeeping to other countries.

Prerequisites

Cost of 36 hives and beekeeping equipment (hat and veils, bee blower, gloves, cleaning tool, and bee brush) is approximately US $2488. Pay-back period has been estimated at 2 years. The system works best under coconut trees. The bees themselves can be purchased or colonies caught in the wild (the beekeeping course provides instruction on catching wild colonies).

Potential users

NGOs, co-ops, small farmers, women’s groups, and youth groups, particularly in coconut-growing regions of Indonesia, Malaysia, the Philippines, Sri Lanka, and Vietnam.

Contact

Dr Makhdzir Mardan
Malaysian Beekeeping Research and Development Team
Universiti Pertanian Malaysia Faculty of Agriculture
43400 Serdang, Selangor, Malaysia
Tel.: 9486101; Telex: MA 37454

5. Forage system for semi-arid areas

In Bali, Indonesia, it is common for farmers to mix crop land animal systems. In the dry regions cattle are very important, bringing in up to 43% of the total farm income. Native grasses, tree leaves, and cereal straws are used as feed, but the supply is often inadequate.

To increase the availability of animal feed in dry areas, researchers have been working on a new forage production system based on three strata: grasses and native legumes, shrubs, and fodder trees. The system has the potential to reduce erosion and promote a sustainable system for crop and animal production.

The system, as developed by the researchers, uses 0.09 hectares of land on the perimeter of a 0.25-hectare crop field. This land is used to grow grass and legumes (stratum 1), shrubs (stratum 2), and fodder trees (stratum 3). Cattle are kept in stalls and fed exclusively with forage from the plot, unlike traditional systems where the cattle are tethered on grass during the day. Modified versions of the system are operating in India and Southeast Asia. Farmers adapt the system by choosing appropriate forage species and deciding on the amount of land to be allocated to fodder production.


Adapted from Nitis et al (1989), Fig. 3.6; and Nits et al {1990), Fig. 1.

The researchers found that the three-strata system has the potential to:

· Produce more forage than other systems;
· Increase the number of animals that can be sustained on a given farm;
· Increase farmers’ incomes from animal production;
· Reduce soil erosion and increase soil fertility;
· Provide up to 64% of a household’s needs in firewood.

Other potential benefits associated with the system are increased poultry and snail production, the possibility of honey production, and protection of the local ecosystem.

Specific grass and tree species were found to be particularly suited to the semi-arid regions of Indonesia, including Stylosanthes, Acacia, Gliricidia, and Leucaena (trees and shrubs) and Cenchrus, Panicum, Centrosema, Verano, and Urochioa (grasses and legumes). Through the introduction of goats and more complete utilization of the available feeds, the researchers are seeking to improve the economic benefits of the system further in relation to traditional systems.

Prerequisites

Access to seed or seedlings of appropriate species.

Potential users

Small farmers, NGOs, extension services in semi-arid areas where mixed crop-animal systems are used.

Contact

Dr I.M. Nitis
Department of Nutrition and Tropical Forage Science
Udayana University
Jalan Jendral Sudirman, Denpasar
Bali, Indonesia
Tel.: (0361) 23791 ext. 114; Cable: MATER,
FAPET, UNUD

6. Women and integrated pest management

The widespread use of pesticides in agriculture has resulted in new problems including poisonings, insect resistance to the chemicals, and the loss of the pests’ natural enemies. In the Philippines, it is usually the women who decide on and buy agrochemicals for the farm.

Filipina researchers have been introducing to rural women a new system of integrated pest management (IPM), an environmentally and economically sound way to control agricultural pests.

IPM controls pests using a combination of techniques: the natural enemies of a pest; special cropping practices (such as proper timing and rate of fertilizer application, and synchronized planting, rodent control, and harvesting at the community level); pest-resistant varieties; and minimal use of chemical pesticides based on regular monitoring of the fields to diagnose pest damage.

In the Philippines, IPM was first developed for rice and vegetable plots. Like most technologies, IPM must be fine-tuned and adapted to specific agricultural, ecological, and economic conditions, as well as to the felt needs of the farmers. It has the potential to lower the risks to human health and the environment significantly while providing higher yields and profits.

Because IPM is a people-oriented and knowledge-based technology, a communication strategy is essential to its success. Various methods are used to bring the IPM message to rural communities and specifically to women: radio programs, audio cassettes, and local “resource centres” with exhibits and educational materials, including videos recording local people’s experiences with IPM, comic books, leaflets, and posters. Intensive on-farm, hands-on training is needed to acquire the necessary decision-making skills that will make IPM effective. Education on the health hazards of pesticides is also an important component to convince people of the importance of IPM after they have been repeatedly told that pesticides are essential to their farming practice.

Although educating the women in IPM increases its chances of success, it also provides them with the opportunity to increase their participation in decision-making and their self-esteem. A participatory approach with built-in feedback mechanisms is essential.

When many farmers complained that monitoring the fields took too much time and was difficult for them because of poor eyesight, training in field monitoring was given to young “IPM scouts” who could then be hired by farmers and earn an income.

Prerequisites

IPM must be developed and tested for different locations and crops according to local conditions. Information must be available on local pests, their natural enemies, pest-resistant crop varieties, as well as social, economic, and ecological factors.

Potential users

Farmers everywhere. In Asia, four countries have encouraged IPM as official policy on crop protection: India, Indonesia, Malaysia and the Philippines.

Contact

Dr Candida B. Adalla
Department of Entomology
University of the Philippines at Los Baños
Laguna 4031, The Philippines
Tel.: KO 225-3527/2594; Fax: 632-817-0598

Resources and publications

The Philippines program has produced a number of materials, mostly in Tagalog (the local language) and some in English. These include comic books, pamphlets, leaflets, and other publications on various aspects of big-intensive gardening and agriculture. It also developed a slide-tape show on the project which is available for the cost of reproduction (US $95.50). Mailing costs for the slide show or the set of print materials is US $25.50 airmail or US $1.20 surface mail.

7. Mulbud a computerized calculator for multi-crop farm budgets

Farmers who integrate tree crops into their farms are making a long-term investment that commits them to a course of action for decades rather than one or two seasons. Because of this, it is important for them to be able to do an economic assessment before designing their tree cropping systems.

To facilitate this, a computer package has been developed for the economic analysis of multi-period and multi-crop farm budgets. Called MULBUD (for MULti-crop and MULti-period farm BUDgets), it is an interactive, user-driven simulation tool designed for users with little or no experience with computers and minimal training in economics. It is user friendly and “fail-safe.”

The program is used to build farm budgets from data entered by the user. As a simulation tool, its aim is to provide alternatives, rather than fixed solutions. It helps to do rapid calculations of expected future earnings versus current costs, and to decide if the proposed crop combination is advantageous.

The software has the following features:

· 60 possible time periods;
· Years and “seasons”;
· A built-in editor;
· Multiple enterprise budgets;
· Multiple products per enterprise;
· Sensitivity analysis;
· Loans/credit scheduling;
· 15 different displays;
· Final report tables and graphics;
· Extensive HELP functions;
· A detailed user’s manual.

The first system was developed in 1983 for use in Southeast Asia and the Pacific. In 1984, MULBUD version 3 was developed and disseminated in Africa as part of an extension tool kit distributed by the International Council for Research in Agroforestry (ICRAF). A version for use with DOS was subsequently developed, and MULBUD version 5 was released in April 1990.

A detailed user’s manual in English accompanies the software, and ICRAF has produced a training manual.

Prerequisites

Version 3 can be used on a 808 chip or Z80 computer with 63K RAM and CP/M 1.4 or higher operating system. The version for PC microcomputers requires an XT with 192K RAM and DOS 2.0 or higher operating system.

Potential users

Agricultural researchers, planners, consultants, and extensionists working with smallholder farmers in the tropics; agricultural economists, foresters, agroforesters, government, universities, credit agencies, large-scale farmers involved in orchards, vineyards or agroforestry.

Some examples of the way MULBUD has already been used include: teaching in forestry and agroforestry courses; an economic analysis of options for intercropping under coconuts; development of credit and subsidy policies for banana farmers; analysis of alley cropping of maize and beans between rows of Leucaena; analysis of intercropping coffee with food crops; silvo-pastoral alternatives in areas suffering overgrazing. The system is in use in about 60 countries.

Cost and availability

The copyright is held by D.M. Etherington and P.J. Matthews in Australia. The package is available from:

· Anutech Pty Ltd, PO Box 4, Canberra, ACT 2601, Australia. Cost of the package is US $296.

Contact

International Council for Research in Agroforestry
PO Box 30677, Nairobi, Kenya
Tel.: 29867; Telex: 22048 ICRAF;Cable: ICRAF
Fax: 521001; E-mail: 157:CGI236

Dan Etherington
Economics Department
Research School of Pacific Studies
The Australian National University
PO Box 4, Canberra, ACT 2601, Australia
Tel.: 616-06-249-3387; 249-2188; Fax: 616-06- 2671893 Telex: AA 62694 SOPAC

8. The rubber-tire groundnut sheller

Groundnuts, or peanuts, are one of the major cash crops in some regions of Thailand and are an important source of protein for rural people. Thousands of Thai farmers work farms of less than 1 hectare, producing groundnuts by manual methods. This is a labour-intensive process which, along with the low productivity of the land and the low quality of the nuts, results in a low income for farmers.

Traditional groundnut cultivation requires substantial time for land and seed preparation, planting, cultivating, and harvesting, as well as drying, dehusking, and cleaning the nuts for selling.

The manual peanut sheller benefits farmers by reducing time and processing costs for both commercial shelling and shelling for seed. Shelling the nuts by hand produces 7-10 kg of shelled nuts per day, whereas the sheller has a capacity of 30-60 kg per hour. It can potentially increase farmers’ incomes as shelled nuts bring in twice as much as unshelled nuts. The initial investment can be recovered quickly, often within the first year of commercial shelling.

The peanut sheller is made of a used rubber tire mounted in a metal housing with a concave wire screen bottom. As the wheel is cranked, the nuts enter the space between the tire and the screen, are dehulled, and drop through the screen into a trough. Winnowing can be done by hand or with a fan. The sheller is 95% efficient and only 3-5% of the nuts are broken. It requires very little maintenance (average cost per year for maintenance is $3 to $5), and spare parts are easily available. During trials, a single machine processed 22 tonnes of nuts in one season without any repairs.

An “economic version” of the sheller has also been designed. It has a simpler and smaller frame and no trough (the nuts fall through the screen directly to the ground below). Its capacity is 25-30 kg per hour, and it has the same efficiency as the larger version.

As well, a motorized rubber-tire sheller with an integrated winnowing fan has been designed for use by large-scale farmers, co-ops, and local traders.

Mechanized equipment developed and designed in Thailand to modernize peanut farming is now being introduced in Africa, Indonesia, and the Philippines.

A dissemination plan for farmers, extension workers, and traders has also been undertaken in the groundnut-producing regions of Thailand. A booklet entitled Construction Handbook for Groundnut Machinery has been published in Thai and English. It includes instructions on building the manual sheller as well as other groundnut equipment such as a stripper/winnower, a motorized peanut sheller, a grinder, and two types of planters.

Potential users

Small-scale groundnut farmers and traders.

Cost and availability

The sheller costs approximately Can $150 for the manual version and $600 to $700 for the motorized version. Some 160 shellers are in use in Thailand and elsewhere. The sheller is available from the following manufacturer:

Kunasin Manufacturing, 107-108 Sri-Satchanalai Road, Sawankalok, Sukhothai, Thailand, Tel.: (055) 642119

Contact

Dr Winit Chinsuwan
Vice-President, Research Affairs
Khon Kaen University
Khon Kaen 40002, Thailand
Tel.: (66-043) 237604; Telex: 55303
UNIKHON TH

Resources and publications

· Construction Handbook for Groundnut Machinery, booklet in Thai and English with engineering drawings.

· Machinery for Groundnut, leaflet in Thai and English.

· A 20-minute promotional video has been produced by the project, and covers the range of groundnut equipment developed at Khon Kaen University. In English or Thai, PAL standard.

For all of the above, contact Dr Chinsuwan at Khon Kaen University.

9. Hand-operated wooden groundnut shellers

Groundnuts are one of the most important crops in Malawi. They currently are the fourth largest export crop and provide smallholder farmers with more than a quarter of their annual agricultural cash income, while supplying about half of domestic oil needs. Both confectionery and peanut oil varieties are produced in the country.

Groundnut shelling in Malawi’s smallholder sector is predominantly done by hand. While hand shelling keeps the rate of kernel breakage low, it is labour-intensive and leads to “sore thumb syndrome” when large quantities of groundnuts are handled. The low productivity (1-3 kg/ hour) of hand shelling puts enormous pressure on farmers, as they need to shell their groundnuts before the marketing season (June-September) ends. At the same time they are processing and marketing other crops. It was therefore important to search for a simple, efficient, low-cost machine to replace hand shelling.

The Farm Machinery Unit of Malawi, in conjunction with the Tropical Development and Research Institute developed the first model of a hand-operated wooden groundnut sheller. IDRC funded further testing and modification of the sheller, and initial trials were run for a confectionery groundnut variety. Market standards (90% average whole kernel efficiency, WKE, or 10% visible kernel damage) were met.

The sheller was later adapted to work with two other common peanut varieties - one confectionery and one oil. On-site development and testing established optimal factors such as the size of the grid gaps. Depending on the variety, the sheller attained WKEs of 92-96% with shelling rates of 21-42 kg/hour. A larger model of the sheller (twice as wide) more than doubled the shelling rate of the smaller sheller, while achieving similar WKE.


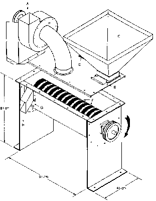
Groundnut Sheller Cross-section of machine

Before shelling is done the groundnuts are pre-graded by size using grading sieves. The sheller is operated by two people, one at each end pushing the sheller back and forth. Groundnuts are placed in a hopper, fall through an opening called the throat, and settle into the gaps in the removable grid, which is placed in a slot in the base. The hopper is pushed against the resistance provided by the nuts, thereby shelling them. The broken shells and kernels fall through the grid gaps into a container placed under the base.

Although the sheller has been designed and adapted for three local varieties, it is possible to use it with other varieties of similar size or to adapt it to new varieties.

The Farm Machinery Unit has demonstrated the sheller at Science and Technology Fairs and agricultural shows for smallholder farmers, and provides information on the construction and use of the sheller. Rural carpenters have been trained in its construction. A construction manual was produced for use primarily by rural-based carpenters. The manual is available in English and Chichewa, Malawi’s official language. The manual also describes how the grids are constructed. Distribution is done through agricultural and small-scale industry extension personnel. Extension staff have been trained in proper operation of the sheller with each variety of groundnut.

Potential users

Smallholder farmers of Malawi and other East African countries will benefit from the savings in time and labour obtained with the sheller. Rural craftsmen can manufacture and sell the sheller. The manual’s instructions and drawings are meant to enable rural carpenters to build the sheller with a minimum of tools.

Cost and availability

The estimated cost of the original sheller is K52.84 (US $19.90) while that for the larger model is K61.31 (US $23.08). A well-made sheller will last 5 years. Budget analysis indicates that the sheller is worthwhile even for a smallholder farmer.

Contact

Darwin D. Singa and Wells Kumwenda Farm Machinery Research Officers Farm Machinery Unit Chitedze Agricultural Research Station PO Box 158, Lilongwe, Malawi Tel.: (265)767 222/5; Telex: 44648 MINAGRI MI

Resources and Publications

· Makoko, M.S., and Balaka, H.R. 1991. Instruction Manual for the Construction and Use of a Hand Operated Wooden Groundnut Sheller. Farm Machinery Unit, Ministry of Agriculture, PO Box 158. Lilongwe, Malawi.

10. The grain mini-dehuller

In Senegal, the Société industrielle sahélienne de mécaniques, de matériels agricoles et de représentations (SISMAR) in collaboration with the Institut sénégalais de recherches agricoles (ISRA) has modified and tested several grain dehullers under rigorous laboratory and village conditions. This has led to improvements in one model of the dehuller, making it more durable, simple, inexpensive, and easy to maintain. The mini-CIS dehuller is now being manufactured and commercialized by SISMAR.

The mini-CIS dehuller was originally designed by the Prairie Research Laboratory of Canada’s National Research Council, and modified and adapted in several countries of Africa as well as in India. These dehullers are all based on a metal shaft on which a number of grinding stones, or abrasive disks, are spaced about two centimetres apart. The discs, spinning at 1500 to 2000 revolutions per minute, rub against the freely moving grain and abrade away the outer husks. A winnower separates the grain from the bran by tossing the dehulled grain into the air while a fan blows the bran away.

Sturdy and simple, the mini-dehuller offers many advantages:

· It frees up women’s time, improving their quality of life and providing time for income-generating activities such as gardening, if desired;

· It can process several different types of grain, including traditional grains such as sorghum, maize, and millet, and legumes such as cowpeas;

· Unlike traditional pounding, no water is used, which means the grain can be stored for longer periods;


Exploded view of PRL dehuller. A, bran to cyclone; B, fan; C, grain hopper; D, air inlet; E, feed gate; F, resinoid disk; G, adjustable gate; and h, overflow outlet for dehulled graze.

· It can mill as little as 2-5 kg of grain at a time, about what thousands of African village women manually pound each day, or as much as 10 kg.

Once dehusked, the grain can be put through hammer mills to produce flour that can compete with the increasingly available imported wheat flour. Removal of the husks makes cooking easier and improves the texture and the taste by removing the bitter elements found in the outer hull of these grains.

The mini-CIS dehuller is now being manufactured for use in villages, with training programs on installation, operation, maintenance, and repair for operators and village committees.

Various models of the dehuller are manufactured in Botswana (which exports dehullers to about 10 other African countries), Canada, the Gambia, Senegal, and Zimbabwe. The dehullers are being disseminated in Burkina Faso, Cape Verde, Egypt, Ethiopia, Ghana, India, Kenya, Malawi, Mali, Niger, Nigeria, Somalia, Sudan, and Uganda.

Prerequisites

An evident demand for the mill; training for ongoing maintenance and repair of the dehuller; availability of parts.

Potential users

Village organizations, women’s groups, and others that have traditionally handled sales of local cereals in the villages; commercial millers in urban centres; and cooperatives.

Cost and availability

· SISMAR, BP 3214, Dakar, Senegal, Tel.: 21.24.30/22.24.85; Fax: 51.10.59; Telex: 77121 SISMAR SG

Produces the CIS II mini-dehuller for approx. Can $3800 including a diesel motor and $2600 including an electric motor.

· Rural Industries Innovation Centre, Private Bag 11, Kanye, Botswana, Tel.: 340392/3, 340448/9; Fax: 340642

Produces the full-size sorghum dehuller for US $2500 (not including diesel or electric power source). Requires a 5.5 kW 3-phase electric motor or a 10 HP engine.

· International Workshop, Latrikunda Sabije, The Gambia, Tel.: 93649 or contact them c/o Catholic Relief Services, PO Box 568, Banjul, The Gambia, Tel.: 27120/27121; Telex: 7660202 CRS UC; E-mail 141: TCN 1423

Produces the 1 Mark III mini-dehuller (capacity 6 kg of grain) with pulley for electric drive for US $970; the 1 Mark III dehuller with a clutch and pulley for a diesel engine for US $1190. The first model requires a 3 HP electric motor of 3000 turns per minute; the second runs on a diesel engine of at least 6 HP. Both models need a simple but rigid stand. Drawings can be supplied for suitable stands. The Catholic Relief Services can provide information on their experiences with the dehullers over the last 8 years.

· Nutana Machine Ltd, 2615 First Avenue North, Saskatoon, SK, S7K 6E9, Canada, Tel.: (306) 242-3822; Fax: (306) 242-2671

This Canadian company produces the Minihull Dehuller (based on the original National Research Council design) and the Nuhull Dehuller.

The Minihull Dehuller requires a 3 HP electric motor or 5 HP gas engine. It costs Can $2300, including crating; a gas engine drive package costs $1075, and an electric motor drive package costs $725. Quantity pricing is available; contact Nutana for estimated shipping costs.

The Nuhull Dehuller can process 5-15 kg of grain in the batch mode, and 200-500 kg per hour in the continuous flow mode (rate varies according to grain variety, operator experience, and local operating conditions). It requires a 10 HP electric motor or 24 HP gas or diesel engine. The dehuller costs Can $4900; an electric motor drive package costs $1309; crating for international shipment costs $195.

· Environment Development Activities (ENDA), PO Box 3492, Harare, Zimbabwe, Tel.: 708568/9; Fax: 729204

ENDA distributes two mini-dehullers: an 18-kg barrel capacity dehuller with aspiration and a 10-kg barrel capacity batch processor. Both require an electric motor or diesel engine and can process sorghum, millet, and rapoko. The 18-kg model processes 5 tonnes per day and costs US $6000. The 10-kg dehuller processes 900 kg per day.

Contact

Mr Hyacinthe Modou Mbengue ISRA-CNRA, BP 53, Bambey, Senegal Tel.: (221) 23-60-50; Telex: 61117 SG.

Resources and publications

· Abrasive Disk Dehullers in Africa - From Research to Dissemination, Michael Bassey, O.G. Schmidt, IDRC, 1990.

· An End to Pounding, 15-mint film on mechanical dehulling, IDRC, 1980.

11. Dehulling businesses run by women

In Andhra Pradesh, India, processing sorghum and milllet using the mini-dehuller has enabled the establishment of small-scale food production businesses run by women. The businesses are an important income generator for women’s groups associated with the Bharatiya

Grameen Mahila Sangh (National Association for Rural Women) program. These enterprises produce and sell dehulled sorghum in the form of semolina and flour, as well as sorghum-based foods using recipes developed and tested among the local people.

The Indian Council of Agricultural Research and the College of Home Science in Hyderabad, India, have combined their efforts to make sorghum and millet more accessible and acceptable to local people. Sorghum and millet are considered coarse, low-status foods, and are being displaced by imported wheat flour. Sorghum, millet and legumes, once freed of their husks, become more acceptable to consumers. Dehulled sorghum and legume flours were shown to be just as nutritional and as versatile for cooking as rice and wheat flours, and much less expensive.

The technology itself includes:

· Introduction of the mini-dehullers at the household, village, and periurban level. Initially, mini-dehullers were imported from Canada. The dehullers, now produced in India, have been adapted and modified to suit women users by reducing the height and adding wheels for easy movement.

· Development of recipes using sorghum flour and semolina. These were tested and demonstrated in villages and promoted through newspaper columns. Government supplemental feeding programs for vulnerable sectors of the population are using these recipes for infant foods and in porridge, biscuits, and buns. Market research and testing has shown a solid demand for the sorghum products.

· The establishment of small sorghum/legume processing businesses run by women. These village bakeries are popular and profitable, producing roti, sooji, flour, semia, snack foods, mixes, infant foods, biscuits, and baked goods.

The project provided a training program for women in establishing small-scale bakeries. A video, posters, workshops, and exhibits were used to promote the new sorghum products and processing methods.

Prerequisites

Access to a sorghum dehuller. Different food products can be made depending on available resources.

Potential users

Women’s groups and cooperatives, government supplemental feeding programs, child-care centres, etc., in sorghum and millet-growing areas.

Contact

Dr P. Geervani
Dean of Home Science
Andhra Pradesh Agricultural
University
Rafendranager, Hyderabad, India
Tel.: 245057 ext. 284; Telex:
425-6936 APAU IN

Resources and publications

· Blueprints and an instructional manual for the modified dehuller. Booklets of recipes using dehulled sorghum. Project profiles for different sorghum enterprises.

12. Small-scale rural oilseed processing

In Kenya in 1987, 80% of the vegetable oils and fats consumed by the population were imported. The intake of edible oils remains low, affecting the nutrition and health of the people. The production of oilseeds, such as sunflower and sesame, is low, and rural processing of the oils has been virtually nonexistent. The needs of the rural population for oil and animal feed have been met by urban processors at high cost.

The introduction of small-scale processing equipment in the rural areas has the potential to reduce local people’s need for cash to buy oil, improve the nutrition levels of both people and livestock, and increase farmers’ incomes. It can create additional employment for farmers and oilseed press operators.

Researchers have developed a technological package to introduce small-scale oil expelling enterprises to rural areas in Kenya. The package includes a ram press for extracting the oil, a filtration device, tools for maintenance, and information on the proper utilization of the oil and cake (the residue of the seeds after the oil has been squeezed out) and on the socioeconomic and nutritional benefits of an oilseed processing enterprise. The ram press, driven manually by a long handle, is composed of a small piston that presses a charge of oilseeds into a metal cage. The basic design was developed by Carl Bielenberg


Body weight is used to activate the oilseed press.

Of AT International, while in Tanzania. The original and improved versions are now widely used there.

The four subcomponents of the package are the following:

· Training in the preparation of the seeds (drying, cleaning, and warming), the proper use of the press, filtration, and storage of the oil. Filtration is used to obtain clean oil by removing particles of cake or dirt in suspension;

· Information on oil utilization, including the advantages of home-processed oil over commercial oils and fats;

· Information on how to mix the residual cake, which is rich in protein, with grain for use as animal feed, especially for milk production;

· Information on the socioeconomic benefits of local oilseed processing.

The package can potentially benefit communities by making ready-to-use oil and seed cake locally available and by providing an important energy source for young children. The presence of the press can stimulate the production of oilseeds, such as sunflower, and create the potential for developing a rural industry, which in turn can create employment and eventually reduce Kenya’s edible oil imports.

A technical manual on rural processing of oilseeds using the ram press has been produced. It includes information on the proper methods of preparing the seeds, operating procedures and optimum settings for the press, maintenance of the equipment, oil filtration methods, packaging and storage of the oil and cake, a trouble-shooting section, recipes using the oil, cake utilization, and how to make the enterprise profitable (including accounting charts).

Current field trials are revealing an effective demand for the technology package. The project aims to leave in place a self-sustaining process, with local manufacture and credit arrangements, for the delivery of the technology to rural areas.

Prerequisites

· Access to oilseed varieties that provide a good yield of oil under small-scale processing conditions, and that are easy to process.

· Knowledge of the use of the products (oil and cake) and markets for the surplus.

Potential users

Farmers, community groups, and NGOs in rural areas, especially semi-arid areas, who do, or could, include oilseeds in the local farming systems. With proper settings, the most recent design of the manual press can be operated by any man or woman of average strength without undue strain.

Cost and availability

The cost of the ram press, including a filtering system, insurance, and transportation, is estimated at about Ksh 30,000 (Can $1500). Annual costs of running the press are estimated at approximately Ksh 11,000 (Can $450). Profit margins for a Kenyan operation, whether the press is privately-owned or run by a cooperative, have been estimated at about Ksh 14,500 (Can $575) per year. This means loans on the equipment could be paid back within about two and a half years.

Contact

Mr John Mugeto Department of Agricultural Engineering Egerton University PO Box 536, Njoro, Kenya Tel.: 61620/61031/61032; Telex: 33075

13. Improved oilseed press

In Pakistan, the domestic production of edible oils is far below the population’s requirements, resulting in a high level of imported oils and inadequate diets. Researchers from the Pakistan Council for Scientific and Industrial Research have been adapting and improving village-level oilseed processing equipment to increase the availability of edible oils, increase income and employment, and improve nutrition.

Village-level oilseed extraction exists in the form of animal and motor-driven Kohlus (large mortar and pestle type installations) and small screw expellers, but these are largely inefficient and can only process seeds such as rapeseed and mustard. There are no village-level technologies to process “hard” seeds such as sunflower and safflower, which are increasingly being cultivated in Pakistan. Improved screw expellers will help in the introduction of these new oilseeds, by enabling communities to set up their own processing.

The researchers have improved the design and performance of a small mechanical expeller to increase its oil extraction by 3-4%, its efficiency, and its longevity. The expeller is made of a simple screw composed of a number of segments mounted on a shaft, which can be easily removed and replaced when worn. The screw turns at about 38 rpm within a cage of iron bars with small slits that allow the oil to escape. The pressure and mixing action break the oil cells in the seeds and the heat that is generated makes the oil more fluid.

Technical modifications have increased the expeller’s capacity and reduced the amount of residual oil left in the cake from 11-12% to 7.5%. The main modification is the addition of a reverse worm at the end of the main screw assembly to produce extra frictional heat and greater pressure on the raw material. There are two expeller models with different capacities. The 40-cm expeller can process 60 kg of seed per hour; the 66-cm expeller can process up to 100 kg of seed per hour (the original model processed 35 kg per hour). The energy consumption of the modified expellers is lowered to 75 Wh from 100-120 Wh per kg of seeds. The expeller is driven by a 10 HP electric motor.

The new expeller provides an alternative to both the existing small screw expellers and the large commercial expellers. It can compete with the commercial expellers in terms of capacity, oil recovery, and versatility. It is less expensive (half the price of a large commercial expeller) and more efficient, using only a 10 HP motor as compared to the 30 to 40 HP motor required by the large expellers.

The modified expeller can process rapeseed, linseed, sesame, and copra. Other seeds such as sunflower, safflower, and cottonseed can also be processed either whole or decorticated.

Potential users

Co-ops, village organizations, farmers in Southeast Asian countries where oilseeds are grown and where there is insufficient edible oil available.

Cost and availability

The researchers are collaborating with a manufacturer for the commercial production of the new expeller. The expected price will be approximately Rs 25,000 to Rs 30,000 or Can $1000 to $1300.

Contact

Dr Shafique Ahmad Khan Pakistan Council for Scientific and Industrial Research Press Centre, Shahrah-E-Kamal Ataturk Karachi 0109, Pakistan Tel.: 212114; Fax: 92-42-227057 Telex: 47115 PCSIR PK; Cable: CONSEARCH

14. Improved methods for storing corn

The main cereal grown in Togo is corn (maize), 95% of which is produced by small farmers who suffer substantial losses because of insects and mildew. Inadequate storage facilities compound the problem.

Researchers at the University of Benin in Togo have developed a series of methods to improve storage, thereby increasing farmers’ income by minimizing losses. Improved storage also increases the amount of food available to their families during the year.


Modifications to the granary A, air inlet in the roof; B, plastic lining in the roof; C, removable plastic lines the walls during the rainy season; D, plastic placed around the platform overnight; and E, fire.

The new methods incorporate traditional granaries which are made from harvested cobs and straw. They are used for both storing and drying.

The methods described below are recommended to increase the quality and quantity of the corn.

- Seeding in rows (with generous spacing between) and early harvesting increase the quantity of corn and limit insect infestation. In very humid regions, a late harvest is recommended because of mildew problems.

- Granaries should be built in sunny areas on cleared land 3 metres away from the nearest building to minimize the presence of rodents. Wire netting can be placed between the posts supporting the granaries to keep rats out.

- In humid areas, it is recommended that granaries be raised off the ground (1.2 to 1.6 metres) and fumigated. Elsewhere or when fumigation is not carried out, granaries should be kept low (35 to 50 cm above ground).

- The recommended size for small granaries is 2-5 metres wide and 1-2 metres high.

- A water-resistant base reduces water reabsorption during the night.

- The walls of corn are reinforced every five or six rows by wrapping them with creepers or rope.

- A conical roof made from plaited straw should cover the corn.

- Sorting before storage will remove any cobs that have already been attacked by insects or mildew. Studies show that sorting the cobs reduces the amount of corn attacked in the granaries by 36%.

- Neem tree leaves, a thin layer of ash on the corn and fumigation create a hostile environment for insects.

- When the corn is sufficiently dry, air circulation is reduced by partially covering the roof with plastic and lining the walls with plastic or clay.

Farmers in Togo have shown great interest in the research findings, which involve no major changes to their usual methods and little extra cost. These simple methods increase the harvest and improve the quality of the corn. Thanks to improved methods, farmers have noted losses of 9%, compared with 15-50% using traditional methods.

A popularization program is currently underway with the assistance of CUSO and the African Institute for Economic and Social Development. An illustrated manual in French has been produced for extension workers and brochures written in local languages are also being prepared for farmers. An information video was produced in French and a local language (Ewe) and will be translated into English.

Potential users

Small corn producers in West Africa.

Contact

Mr K. Kpakote, Director École supérieure d’agronomie Université de Bénin, PO Box 1515, Lomé, Togo Telex: UNIVERBENIN 5258 UB TO; Telegram: UNIVERBENIN

Resources and publications

A manual in French for extension workers and a videocassette in French and Ewe have been produced. The video is distributed by Canal France International (CFI) and an English edition is planned.

15. Improved grain storage

Traditionally, in Eastern and Southern Africa, smallscale farmers have stored their year’s supply of cereal grain in granaries made of termite-resistant wood, a material that is being rapidly depleted. Given the scarcity of wood it is becoming extremely difficult to repair the traditional granaries or to build new ones. Most traditional structures do not provide adequate protection against rain, insects, and rats. High moisture and poor hygiene make the grain susceptible to mould and allow carry-over of pests. Storage losses are estimated to be in the range of 10-20%. It is therefore essential to develop new types of granaries using alternative materials.

IDRC has supported research by Environment Development Activities-Zimbabwe (ENDA) on the introduction and testing of an affordable improved granary. Initially designed and introduced in maize-growing areas, the improved granaries are now being introduced into sorghum and millet-growing areas. The objective is to develop, test, and distribute improved technologies for
postproduction handling and storage of cereals to communal farmers in Zimbabwe’s drier areas.

The improved granary retains the traditional cylindrical layout, but is constructed of brick, rather than poles and mud. The only materials that might not be locally available are cement and the large timbers required for the granary floor. The internal dividing walls are about chest high. Four of the resulting compartments are filled with grain, or maize on the cob - fully dried before being put into storage. The fifth enables a person to enter through the door, stand inside, and fill or empty the compartments. The outside bricks are ordinary burnt bricks - red or reddish-yellow depending on locally available clays.

The new granary can store up to 2.5 tonnes of shelled maize, more than enough for the average maize-eating family. The size of the granary can be scaled down and adapted to various storage requirements.

Cost and availability

The improved structure costs approximately ZWD 600 (about Can $138). Most of the materials are locally available.

ENDA provides information on the construction of the granary and other aspects of cereal postproduction handling and storage technologies. A dissemination package of improved farm-level storage recommendations is available to extension agents, farmers, and researchers.

Potential users

Small-scale farmers of Eastern and Southern Africa. The new postharvest technologies will contribute to the overall strategy of food security for the nine countries of the Southern Africa Development Co-ordination Conference (SADCC).

Contact

Mr Charles Gore Deputy Executive Director Environment and Development Activities - Zimbabwe 14 Belvedere Rd., PO Box 3492 Mount Pleasant, Harare, Zimbabwe Tel.: (263) 708-568; Fax: (263) 729-204

16. Multi-crop dryers

Drying is a preservation process that prevents the deterioration of perishable crops and allows for handling, transport, and storage of the products for sale outside the community where they are grown. In Northeastern Thailand, researchers have adapted drying technologies to help expand the markets for fruits and vegetables.

For individual farmers, a cabinet-type tray dryer was designed with a capacity of 100 kg, using a wood fired furnace and the natural thermal draft to move the drying air. This dryer, well accepted by the longan farmers who tried it, is useful if sufficient fuelwood is available. The project has given the design to farmers in Lamphun Province, who are building 50 dryers with government assistance.


Figure

For traders needing a larger capacity, a mechanical dryer with a low-cost fuel oil burner was designed. A mobile mechanical dryer was also designed and was well accepted by users. The mechanical dryers are easy to use, have a fast drying time, and produce uniform products. The investment cost is low and the potential benefits high, as dry products sell for substantially more than fresh fruits and vegetables.

The dryers were field-tested and produce an acceptable quality dry product for the following crops: goundnut, soybean, black mungbean, chili, longan, black mushroom, and Chinese apricot.

The latest prototype mechanical tray dryer, called CMUIDRC II, measures 1.2 x 2.4 x 2.0 metres, and is made of galvanized steel insulated with 25-mm thick fibre glass. It holds 18 trays, which can dry 600 kg of fresh produce. The hot air is produced by a gas burner that uses about 0.5 kg of gas per hour. Drying time is approximately 48 hours. A 1 HP motor is needed to run the dryer.

The dryers have been disseminated through workshops to some 2000 farmers, traders and exporters in Thailand, and have been well received. In 1991, Chiang Mai University received more than 20 orders for the mobile mechanical dryer from longan traders, farmers, and cooperatives.

Prerequisites

Appropriate produce for drying and available markets for dried products. Access to fuel and electricity.

Potential users

Farmers, co-ops, extension programs, traders, and processing factories.

Cost and availability

The dryers have initially been commercialized through the Centre for Engineering Services (CES) of Chiang Mai University. The natural draft dryer costs about 8000 baht or Can $400. The mechanical cabinet type dryer (model CME-IDR II) has an estimated price of 70,000 baht or Can $3500, including installation. Other costs include labour, fuel, electricity, and maintenance.

Contact

Dr Norkun Sitthiphong, Dean
Department of Mechanical Engineering,
Faculty of Engineering
Chiang Mai University, Chiang Mai 50002,
Thailand
Tel.: (053) 221699 ext. 4144; Fax:
66-53-217287

Resources and publications

· Mechanical Longan Dryers, a training manual produced for a workshop on longan drying. Available from Chiang Mai University.

17. Potato based food products for low-income consumers

The poor populations living in the urban slums of Lima, Peru, suffer from chronic malnutrition and limited access to low-cost, nutritious food. In the rural areas, potatoes are a major crop, especially for small farmers, and the tubers have traditionally been an important source of calories and protein. However, seasonal price fluctuations put the potato out of reach of the urban poor at certain times of the year.

Researchers at the Centro Internacional de la Papa (CIP) have been looking at ways to support potato farming while providing low-income city people with low-cost, nutritious food products based on the potato.

Combining dried potato with cereal and legume flours, the researchers developed a food product they called M-6, which is cheaper than potatoes, nutritious, versatile, stable, and well accepted in the community. The technology, which has the potential to benefit both poor urban consumers and potato farming communities, has not been widely adopted. The reasons include the complexity of the process, demands on management to effectively run a processing operation on very tight margins, and the high price/irregular supply of potatoes. A small plant in the central highlands of Peru produces a modified version of M-6 to supply CARITAS (a local catholic NGO) with several tonnes of the product each month.

The potato mix M-6 is made of 30% dried potato and the flours of rice, broadbeans, oat, barley, and maize. This was based on local agricultural products; in other areas different ingredients and combinations should be used, based on their availability and low cost. The mix is reconstituted with water and boiled for 25 minutes till it makes a thick soup. Because of its bland taste, it can be used in savoury or sweet dishes.

The potato mix can be used for a wide variety of recipes including breakfast foods, main dishes, and desserts. M-6 provides one third of the nutrients needed by children, and has been shown to improve their health and nutrition when eaten regularly.

CIP developed equipment and processes to produce M-6 both at the family and community levels (100 kg per week), and at the factory level (one tonne per week).


This potato-masher, which can also serve as a grinder, is one of several small-scale machines adapted by CIP for use in family-based processing enterprises.

The factory level process involves the following steps: weighing the potatoes; washing and peeling them using a peeling machine; “rectification”, which involves a visual inspection and the removal of eyes, green areas, spots, and sprouts with a knife; cooking the potatoes in water; mashing them, using either a manual meat grinder or more sophisticated mechanical or motorized mashers; using a mixing machine to mix the mashed potato with the right proportions of cereal and legume flours that have been milled beforehand; using a shredder to homogenize the size of the granules; and finally, drying the mix in a solar or electric dryer.

The pilot plant was able to produce 600 kg of wet mix per day, which produced 250 kg of M-6 after 48 hours of drying.

The researchers also developed a process for family or community level production. It was estimated that 100 kg of m-6, used three times a day, could feed a family of six for 9 months. Household equipment (hand grinder, pots, knives, peelers, hand masher, tubs, spatulas) are all that’s needed to produce the mix, with the exception of the wooden drying tray which has to be built.

Cooking is done using traditional stoves, and the potatoes are peeled manually after cooking. As mashing with a hand grinder can be very tiring, CIP developed a grinder/ masher for home use. Mixing is done manually in a large tub with flours that have been milled beforehand. The mix is then dried in the sun or in an oven. CIP also developed prototype equipment for families for milling and mixing.

CIP’s work on low-cost potato-based foods has wound down, but the results of this experience are being used by CIP in Cameroon, India, and Peru. CIP continues to receive requests for information about processing, for which the M-6 experience has proven very useful.

Potential users

Farming communities, community organizations, small enterprises, NGOs, government, relief agencies and community kitchens in potato-growing areas.

Contact

Centro Internacional de la Papa
Postharvest Management and Marketing
AP 5969, Lima, Peru
Tel.: (61-14) 350266/350842; Telex:
(394) 25672 PE
Cable: CIPAPA- Lima; Fax: (51-14) 35 15
70;
E-mail: 57: CG1801

Resources and publications

Appropriate Techniques for Development and Manufacture of Low-Cost Potato-Based Food Products in Developing Countries, Peter J. Keane, Robert H. Booth, Nilda Beltrán, CIP, 1986. Describes in detail the process used to develop M-6.

A manual on product development for root and tuber crops will be published by CIP, CIAT and IITA, and will include CIP’s experience with village level processing.

18. Diffused light storage for seed potatoes

Potatoes are a staple crop in some 130 countries world-wide, and rank fourth in production after wheat, maize, and rice. In Peru, potatoes are an important food source, and the main crop in the Andean highlands. Traditionally, small farmers store their potatoes at home in a dark room to prevent them from greening. These are used as seed potatoes for the next planting, as well as for sale and home consumption. Dark storage can be a problem, however, in the warmer lowland and coastal areas, as it can cause excessive sprouting (the potatoes need to be de-sprouted before planting) and increased losses to insects.

The Centro Internacional de la Papa (CIP) in Peru, in the course of a larger research program on postproduction technologies for the potato, developed a low-cost, simple method to improve the storage of seed potatoes. The method, called diffused light storage (DLS) involves storing the potatoes in thin layers on shelves or trays in natural diffused (indirect) light with good ventilation.

This simple technique can reduce the weight loss of the tubers during storage, increase their resistance to pests, allow the farmer to store the crop for longer periods, increase yields (by 15 to 30%), and reduce sprouting. Farmers can use their own seed potatoes for planting, avoiding the high costs of commercial seed at planting time. They have more flexibility in choosing their planting time and do not have to de-sprout the tubers (which can require up to five person-days per hectare). The major constraint of the method for small farmers is that diffused light will “green” the potatoes, making them unsuitable for eating. The method can therefore only be used for storing seed potatoes.

Farmers adapted the diffused light concept according to their own needs and accumulated knowledge. They often used corridors, verandahs, attics, terraces, sheds, etc., experimenting with different options and only rarely reproducing the models of extension agents. The technology varied from placing potatoes in front of windows to the building of a 100-tonne diffused light store by a cooperative of producers.

By 1984, 4000 farmers in 16 countries, including Colombia, Guatemala, Peru, the Philippines, and Sri Lanka, had adopted diffused light storage for seed potatoes. A wide array of diffused light storage designs was developed by the farmers, who almost all continued to use the technique on an ongoing basis. Continued research is being done by national potato programs in various countries.

Potential users

Small- and large-scale potato farmers.

Contact

Centro Internacional de la Papa (CIP) Postharvest Management and Marketing AP 5969, Lima, Peru Tel.: 366920/354354; Telex: 25672 PE Cable: CIPAPA- Lima; Fax: (61-14) 351-570

Resources and publications

· A chapter on diffused light storage is included in Planned Change in Farming Systems: Progress in On-Farm Research, edited by R. Tripp, John Wiley and Sons, 1991.

19. Cooling technologies for the preservation of fruits and vegetables

In the highlands of Northern Thailand, farmers who grow fruits and vegetables suffer high postharvest losses due both to the conditions in the fields and to poor storage techniques.

Researchers from Chiang Mai University have investigated various storage and cooling technologies, to increase the potential market for the farmers’ produce. In a first phase, they designed and tested a passive cooler for storing fruit. While this storage facility required no outside energy, and was inexpensive and simple, it was suitable for only a few kinds of fruit.

The researchers then developed several prototype precooling systems using water spray. They found that precooling and refrigerated transport reduced losses by 8 to 17%. The effects of this system can be increased with careful management including harvesting at the most appropriate time, proper trimming and grading, a good marketing strategy, care in handling, and appropriate pre-treatment and packaging.

Precooling involves reducing the product’s temperature before storage and transport, and requires that a large amount of heat be removed in a short period of time, making it more expensive than cold storage. Conventional precooling uses large-capacity refrigerators that require a considerable amount of energy. Forced-air cooling, the method chosen by the researchers, is the most versatile and the most widely used form of precooling.

Because there is a high risk of drying out the produce using this technique, the air humidity must be kept high, around 90-95% relative humidity. The prototype precooler consists of an insulated room and an air-cooling unit. Air is drawn from the room into the unit and forced upward through a large surface heat exchanger called “packing.” Cold water is sprayed from nozzles above and absorbs heat from the air through direct contact. The air comes out of the packing colder and more humid. It passes through a demister to remove water droplets, then is circulated back into the insulated room where the produce is stored. The water falls to a receiving tank below and is recirculated.

The water can be cooled using a variety of techniques, including:

· A roof-pond system which passively cools the water during the night;
· Ice used as a supplementary cooling source;
· Mechanical refrigeration as a supplementary cooling source; or
· Mechanical refrigeration alone (called active cooling).

The prototypes were the first high-humidity precoolers that were locally designed using locally available materials. They cost about one third of comparable imported coolers, and cost can be further reduced by combining them with a passive-cooling system to produce the cooled water.


A high-humidity precoler

The passive-cooling system consists of a shallow pond on the roof of a building A movable insulation panel is placed over the pond during the day and removed at night. This water-cooling method requires no energy and is simple to build and maintain. It is dependent however on an appropriate climate, ideally dry, cool nights, clear skies, and relatively little wind. It can be used in tropical climates with careful evaluation beforehand and an awareness of its limitations.

Commercial-scale precoolers (1000 to 1300 kg) are currently in use in Thailand and are well accepted.

Prerequisites

The precoolers can be built using locally available materials. The packing can be made of corrugated galvanized-steel sheets, PVC tubing, or layers of wire mesh. The cooler requires pumps and a fan, an evaporator coil made of bare copper tubing, PVC nozzles, and wooden slats for the demister. A typical roof pond system uses a 40-squaremetre roof with a 4 cubic-metre water tank.

Potential users

Communities growing fruits and vegetables in highland areas.

The precoolers are currently being manufactured by the Centre for Engineering Services (CES), of Chiang Mai University, at the address below.

Contact

Dr Piyawat Boon-Long
Department of Mechanical
Engineering
Chiang Mai University
Chiang Mai 50002, Thailand
Tel.: (66-53) 210320; Fax:
(66-53) 221670

20. Act-ais agricultural marketing information system

Foreign exchange is being used in most Caribbean countries to buy food that could be grown locally and traded regionally. Information on regionally grown crops, however, is not easily accessible. A result of this poor flow of information is that few foods are exported, other than the traditional exports of sugar and bananas.

The Association for Caribbean Transformation (ACT) is supporting domestic food production and promoting regional trade in Trinidad and Tobago, Dominica, and Antigua by providing farmers with better market information.

The ACT Agricultural Information System (ACT-AIS) is a computerized database designed by ACT to monitor national data on the agricultural sector in five categories: commodity prices in the wholesale and retail market, the prices of agricultural inputs, estimates of costs of production of various crops, recorded data on total production and supply, and agricultural trade data. Each of these modules can be used alone to facilitate a quick retrieval of data.

ACT-AIS helps with three basic tasks:

· Storage, retrieval and generation of relevant data;

· Processing of the data into useful information using standard analytical methods;

· Using the data to formulate strategies for low-income farmers and traders to establish themselves in the market.

For example, the Commodity Price Module can provide, among other things, a time series on any crop for any specified time period, and a comparative analysis of crop prices for a specified month, the previous month, and the same period 1 year earlier.

The information produced by this module can be printed in a spreadsheet format to generate seasonal indexes of price changes, trends, and forecasts. The information is used to evaluate proposals for investing in certain crops; to plan production; to develop marketing strategies for specific crops; and to formulate realistic expectations of the market at any given time.

Most importantly, ACT uses the information technology to help small-scale producers with little overt market power to estimate what the market wants and to be ready to supply it at the opportune time.

Information is disseminated in the form of bulletins, status reports, and personalized services. To reach directly small-scale farmers - who generally get their information through institutions, traders, and large-scale farm operators - ACT is developing strategies such as providing speakers on local farm radio shows in Antigua and Dominica and producing fact sheets with large print and many illustrations.

ACT is currently developing two new software packages. The first is to maintain an ongoing database on suppliers and buyers of agricultural produce, so as to easily facilitate market operations from a central information point. The second is to identify agricultural trade opportunities, and provide initial background data for developing agricultural trade.

Prerequisites

An IBM-compatible computer with 640K RAM. The program is currently written in dBase III Plus and is being adapted for dBase IV. ACT can compile the program so the dBase program is not necessary to run it. A working knowledge of DOS and a spreadsheet program is needed.

Application of ACT-AIS to agricultural development requires knowledge of small-scale production, marketing, and the development of a network for accessing agricultural data and information from the public domain (such as from government ministries and institutions that publish such information regularly).

Potential users

NGOs that support productive activities by low-income groups; secondary cooperatives, especially marketing cooperatives; and groups of small-scale agricultural producers with a common production or marketing objective


Monitoring the market with the software.

Cost and availability

The basic programs for the ACT databases are available on request. Contact ACT for information on costs including postage. ACT has provided training activities for NGOs from Africa, which included not only the database structure, but also how it supports the credit, marketing, and technical assistance programs of ACT. Copies of the supporting training material are available upon request for the cost of duplication and postage. ACT’s preference is to conduct a series of informal discussions, in which ACT can get an understanding of the objectives of the organization, then suggest how ACT-AIS can be modified to serve those objectives better.

Contact

Mr Allan Williams, Project Leader, ACT Ltd, 3 Pelham Street, Belmont Port of Spain, Trinidad and Tobago Tel.: (809) 624-2142; Fax: (809) 627-6032; Cable: ACTRANS PORTOFSPAIN

TO PREVIOUS SECTION OF BOOK TO NEXT SECTION OF BOOK