Back to Home Page of CD3WD Project or Back to list of CD3WD Publications

CLOSE THIS BOOKTools for Mining: Techniques and Processes for Small Scale Mining (GTZ, 1993, 538 p.)
Technical Chapter 8: Loading
VIEW THE DOCUMENT8.1 Mucking sheet
VIEW THE DOCUMENT8.2 Hand scraper and tray
VIEW THE DOCUMENT8.3 Scraper loader
VIEW THE DOCUMENT8.4 Pneumatic overhead loader
VIEW THE DOCUMENT8.5 Chute, charging hopper

Tools for Mining: Techniques and Processes for Small Scale Mining (GTZ, 1993, 538 p.)

Technical Chapter 8: Loading

8.1 Mucking sheet

Deep Mining General
Underground Mining Loading

germ.:

Blechboden als Ladehilfe

span.:

Piso de plancha como ayuda pare la carga

TECHNICAL DATA:

Dimensions:

approx. 2 × 1 m ( several pieces), 5 mm thick

Weight:

approx. 50 kg

Extent of Mechanization:

not mechanized

Mode of Operation:

intermittent

Throughput/Capacity:

for increasing efficiency of manual loading

ECONOMICAL DATA:

Investment Cost:

if scrap, then very low, approx. 100 DM

Operating Cost:

none

CONDITIONS OF APPLICATION:

Operating Expenditures:

low |————|————| high

Maintenance Experience:

low |————|————| high

Location Requirements:

sufficient space should be available or sheets should be cut into


sizes according to space available.

Mining Requirements:

Mucking sheets should be used if loading has to be made manually without a scraper, overhead shovel loader or other mechanical loading equipment. Mucking sheets are not bound or dependent upon certain locations since they are also used or applied for cutting and filling, for abandoned workings etc. and avoid muck losses or crushing.

Regional Distribution:

used or applied in some places in Latin America

Experience of Operators:

very good |————|————| bad

Environmental Impacts:

low |————|————| very high

Suitability for Local Production:

very good |————|————| bad

Under what Conditions:

appplication of scrap or simple cuttings of sheet steel

Lifespan:

very long |————|————| very short

Bibliography, Source: Stout, Treptow

OPERATING PRINCIPLE:

The mucking sheets are spread out at the bottom completely before cutting. The cut material is then thrown mostly on the sheets by the blasting or manual cutting. Manual loading becomes easier with mucking sheets, because the shovel can be pushed under the cut materials with less friction. The sheets are then tipped up after loading.

AREAS OF APPLICATION:

Loading device for drifting, for cutting, for shaft sinking and at reloading places where materials are loaded by hand.

REMARKS:

Mucking sheets are long lasting, very simple and effective. Before blasting, some materials should be placed on the sheets to serve as weight.

SUITABILITY FOR SMALL-SCALE MINING:

Summery of suitability

Mucking sheets are the right loading remedies for non-mechanized small-scale mining operations. With very low Investment cost, high increases In efficiency can be realized without technical modification and changes of mining method.


Fig.: Shovels for loading. a) Coal shovel, b) Muck shovel. Source: Boki.

8.2 Hand scraper and tray

Deep Mining General (vein ore mining)
Underground Mining Loading

germ.:

Kratze und Trog

span.:

Rastrillo y pale pequena

TECHNICAL DATA:

Dimensions:scraper:

1 m handle, triangular pick, tray approx. 70 × 50 × 20 cm

Weight:

together approx 15 kg

Extent of Mechanization:

not mechanized

Form of Driving Energy:

manual

Throughput/Capacity:

10 :/MS with simultaneous hand-picking

Technical Efficiency:

improves loading efficiency of manual loading

ECONOMICAL DATA:

Investment Cost:

< 100 DM

Operating Cost:

none

CONDITIONS OF APPLICATION:

Operating Expenditures:

low |————|————| high

Maintenance Experience:

low |————|————| high

Location Requirements:

manual loading with scraper and tray is the right technique only where mine cars or kibbles are loaded.

Regional Distribution:

not known in Latin America

Experience of Operators:

very good |————|————| bad

Environmental Impacts:

low |————|————| very high

Suitability for Local Production:

very good |————|————| bad

Under what Conditions:

simple metal manufacture

Lifespan:

very long |————|————| very short


approx. 300 shifts × 8 h

Bibliography, Source: Gerth, Salzmann, Gaetzschmann, Treptow, Freiberg Grube Alte Elisabeth

OPERATING PRINCIPLE:

Scraper and tray are supposed to ease loading and increase efficiency. Instead of loading directly everytime into the mining car using the shovel with small loading quantities involving a lot of movement, the material is scraped from the muck or heap into the Iying tray, which, when filled up, is emptied out into the car.

AREAS OF APPLICATION:

Manual loading in small-scale mining, increase in efficiency possible with such simplest remedies.

REMARKS:

Before mechanized loading was invented, scraper and tray were widely known in European ore mining during the Middle Ages. Up to this century, they are still used or applied for mining in Harz.

Gaetzschmann distinguishes a scraper with crescent-shaped concave forged head with a width of 6 - 8", and triangular scraps.

To ease or smooth pulling work, about half the length of a nose should stand out at the handle.

Scraping is particularly suitable in mines with very limited space where otherwise shovels with short handles would be used.

SUITABILITY FOR SMALL-SCALE MINING:

Well-suited remedy to increase loading efficiency with less work effort and less investment in manual small-scale mining In Latin America.


Fig.: Different forms of scrapers, Source: Gaetzschmann.

8.3 Scraper loader

Deep Mining General
Underground Mining Loading

germ.:

Schrapper, Schrapplader

span.:

trailla cargadora, cuchara de arrastre

Producer:

Wolff, MAD (2. hand)

TECHNICAL DATA:

Dimensions:

engine and loading platform 7 m × 2,2 m; also smaller units available

Weight:

several tones

Extent of Mechanization:

partly mechanized

Driving Capacity:

11 kW

Form of Driving Energy:

electric/only compressed air motor

Mode of Operation:

intermittent

Throughput/Capacity

1350 kg pulling force approx. 10 m³/h

Operating Materials:


Which:

lubricants

ECONOMICAL DATA:

Investment Cost (DM):

New:


Used:


drum (double)

18.900

without motor

7.000 - 8.000

motor 11 kW

1.410

motor

2.000

rope

680

loading platform

5.000

bucket 0,2 m³

3.400

approx.

15.000

pulley

670



rope anchor

70



loading platform

15.000




40.130



Operating Cost:

labor cost, power cost and cost of wearing parts, especially ropes

CONDITIONS OF APPLICATION:

Operating Expenditures:

low |————|————| high

Maintenance Experience:

low |————|————| high

Location Requirements:

Due to immobility of the large and heavy loading platform, the chosen mining method should allow loading of as much material as possible from one location.

Deposit Requirements:

only applicable, where relative thick veins or gentle inclined deposits are mined

Replaceable Equipment:

trackbound intermediate conveying, Cavo-loader, overhead loader

Regional Distribution:

worldwide

Experience of Operators:

very good |————|————| bad

Environmental Impacts:

low |————|————| very high


only through energy supply

Suitability for Local Production:

very good |————|————| bad

Under what Conditions:

loading eventually can be locally produced

Lifespan:

very long |————|————| very short

Bibliography, Source: J. Siegert, Stout, Fritsche

WORKING PRINCIPLE:

A double hoist at the loading and transfer point moves both the cable with scraper bucket and empty cable through a pulley fixed at the face of heading. The scraper bucket, which is open at the end facing conveying direction is automatically loaded by scrapping through the material like a prow, and is pulled by the haulage cable up to the loading platform to be emptied into a mining car.

AREAS OF APPLICATION:

A scraper loader is used for haulage in horizontal gently steep and trackless roadways with stable ground ( not consolidated back fill, abandoned workings, etc.) as, e.g., in drifting, transport to chute, cutting of sills etc..

REMARKS:

Scraper loader was widely known and used in all types of small, medium and large-scale mining operations in Europe until the middle of this century. Special advantages have been the reliability as well as stability of such machines. Old scraper loaders are always offered at the second hand market as a mining equipment

The simplest construction of a scraper loader is the manual hoist which is economically sound for smaller quantities and shorter transports. The manual hoist works completely without a backward pulling device and pulley. Backward pulling and guiding are done by hand. One man operates the scraper bucket while a second one operates the coupling and detaching of hoist and motor. Motor capacity is approx. 1.5 - 5 kW, scrapping capacity is more than 10 t/h for a transport distance of 15 · 20 m.

If scrapers are driven from the surface, other forms of drive can also move the scraper bucket. For example, auto engines were used in small-scale fluorspar mining in Stulln/F.R.Germany.

SUITABILITY FOR SMALL-SCALE MINING:

For larger small-scale mines that are already mechanized and have adequate geological deposit conditions, the scraper lader is an appropriate remedy for mechanizing the loading despite its somewhat high cost of investment and operation.


Fig.: Sketch of a scraper loader; left, With a track-bound loading platform; right, A three-drum scraper loader. Source: Fritzsche.

8.4 Pneumatic overhead loader

Deep Mining General
Underground Mining Loading

germ.:

Wurfschaufellader

span.:

pale cargadora

Producer:

Salzgitter MAD (2. hand), Atlas Copco

TECHNICAL DATA:


SALZGITTER HL 221 T/TSL Type N

Dimension:

1.56 × 1.05 × 2.44 × m HWL, roadway height min. 2.5 m

Weight:

3.600 kg

Extent of Mechanization:

partly mechanized

Driving Capacity:

5 - 7 m³/min compressed air, 50 mm feed line

Form of Driving Energy:

pneumatic

Mode of Operation:

intermittent/semi-continuous

Throughput/Capacity:

60 - 100 t/h with 160 I bucket content

Operating Materials:


Which:

lubricants

ECONOMICAL DATA:

Investment Cost:

used 5000 to 10.000 DM

Operating Cost:

low

CONDITIONS OF APPLICATION:

Operating Expenditures:

low |————|————| high

Maintenance Experience:

low |————|————| high

Personnel Requirements:

low

Location Requirements:

track gauge 450 - 900 mm, compressed air

Ore Requirements:

none

Replaceable Equipment:

loading by hand

Regional Distribution:

worldwide

Experience of Operators:

very good |————|————| bad

Environmental Impacts:

low |————|————| very high


only by energy supply

Suitability for Local Production:

very good |————|————| bad

Lifespan:

very long |————|————| very short

Bibliography Source: Siegert, Salzgitter, companies brochure, AC-Handbook

OPERATING PRINCIPLE:

Pneumatic overhead loader is controlled while running or from a platform. The bucket is being filled during forward driving and emptied into a mining car located at the back by turning the bucket over the whole machine.

AREAS OF APPLICATION:

loading in drifting loading in ramps loading in haulage way under chutes clean up/loading at special working places under loading in cross-cuts draw points

REMARKS:

For decades, this type of overhead loader was widely known in small-scale ore mining both in Europe and Latin America and also in other mining countries. It made itself known by its stability, simplicity and long lasting quality.

Overhead loaders are also available for operating in ramps with an angle of deviation of 25 goniometer.

Overhead loader operate as track bound or as trackless machines. For the latter, it would need more inside roadway diameter.

SUITABILITY FOR SMALL-SCALE MINING:

The right application for overhead loaders is, where an already mechanized efficient drilling system and conveying installations exist. Likewise, the existing compressed air system should be adjusted to the comparably high energy consumption of an overhead loader. Under these conditions, overhead loaders can do the loading work economically and efficiently.


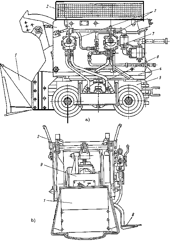
Fig.: An overheadloader PPN-1s. a) side view; b) front view. Source: Roschlau

1) bucket
2) protective grating
3) control panel
4) machine platform
5) drive system
6) footboard
7) spray device
8) driving motor
9) lifting motor


Fig.: An overhead loader. Source: Salzgitter Company Information.

8.5 Chute, charging hopper

Deep Mining General (steep formation)
Underground Mining Loading

germ.:

Bunkerschurre, Ladekasten

span.:

tolva de buzon, cajon pare cargar

TECHNICAL DATA:

Dimensions:

approx. 2 × 2 × 2 m

Extent of Mechanization:

not mechanized

Form of Driving Energy:

loading remedy using gravity

Mode of Operation:

intermittent

Other Opportunities:

pneumatic cylinders for opening

Operating Materials:

none

ECONOMICAL DATA:

Investment Cost:

if constructed with wood, very low cost of material

Operating Cost:

none

CONDITIONS OF APPLICATION:

Operating Expenditures:

low |————|————| high

Maintenance Experience:

low |————|————| high

Deposit Requirements:

inclined or especially steep ore vein deposits, where the vertical interval can be used for loading. Particularly suitable in mines with roadways in which daydrifting is placed under work facings.

Mining Requirements:

all mining methods that lead upwards and allow partly material storage

Replaceable Equipment:

loader as overhead loader under chute

Regional Distribution:

widely known in medium-scale mining but unknown in small scale mining

Experience of Operators:

very good |————|————| bad

Environmental Impacts:

low |————|————| very high

Suitability for Local Production:

very good |————|————| bad

Under what Conditions:

simple wooden constructions

Lifespan:

very long |————|————| very short

Bibliography, Source: Stout, Fritsche, Armstrong

OPERATING PRINCIPLE:

The chutes that are placed under cavities caused by the extraction under drop-holes or bunker, are designed to hold the material above the loading height of mining cars. By opening the chute, the material falls into the mining car which is loaded by gravity.

AREAS OF APPLICATION:

Material storage and loading of mining cars in haulage road.

REMARKS:

Sticky muck becomes a problem when it muds off and badly affects the transport by gravity. To Increase the lifespan of chutes, the material storage should show a certain minimum filling requirement, to avoid direct impact of material on the feed gate.

SUITABILITY FOR SMALL-SCALE MINING:

Under suitable conditions (deposit geology, mining method), reloading can then often be avoided and gravity can be used for loading purposes. Thus, chutes are very suitable for application in small-scale mines which are low mechanized.


Fig.: Charging hopper. Source: Stout.


Fig.: Charging hopper. Source: Stout.


Fig.: Chutes with compressed air drive, left from below, Closing gate; right from above, Closing gate. Source: Fritzsche


Fig.: Chute; left, longitudinal section; right, general view. Source: Armstrong


Fig.: Chute; left, side view; right, perspective view. Source: ITDG.

TO PREVIOUS SECTION OF BOOK TO NEXT SECTION OF BOOK