TECHNICAL PAPER # 2
UNDERSTANDING STABILIZED
EARTH CONSTRUCTION
By
Alfred Bush
Illustrated By
William C. Neel
Technicall Reviewers
Chris Ahrens
Daniel Kuennen
VITA
1600
Wilson Boulevard, Suite 500
Arlington, Virginia 22209 USA
Tel: 703/276-1800 * Fax:
703/243-1865
Internet: pr-info@vita.org
Understanding Stabilized Earth Construction
ISBN:
0-86619-201-8
[C] 1984,
Volunteers in Technical Assistance
PREFACE
This paper is one of a series published by Volunteers in
Technical Assistance to provide an introduction to specific
state-of-the-art technologies of interest to people in
developing
countries. The
papers are intended to be used as guidelines
to help people choose technologies that are suitable to
their situations.
They are not intended to provide construction
or implementation details.
People are urged to contact
VITA or a similar organization for further information and
technical assistance if they find that a particular
technology
seems to meet their needs.
The papers in the series were written, reviewed, and
illustrated
almost entirely by VITA Volunteer technical experts on
a purely voluntary basis.
Some 500 volunteers were involved
in the production of the first 100 titles issued,
contributing
approximately 5,000 hours of their time.
VITA staff
included Leslie Gottschalk as primary editor, Julie Berman
handling typesetting and layout, and Margaret Crouch as
project manager.
Alfred Bush, author of this paper, is a research consultant
in construction systems development.
He has published widely
in this field, and often serves as a technical consultant on
housing and development and community planning projects.
Reviewers Chris Ahrens and Daniel Kuennen are also
specialists
in the area. Ahrens
is an international program adviser
at Warren Wilson College, and Kuennen is a community
development
specialist with the University of Delaware Cooperative
Extension Service.
Artist William Neel is a certified industrial
instructor, a construction engineer, a professional
draftsman, and a professional technical illustrator.
VITA is a private, nonprofit organization that supports
people working on technical problems in developing
countries.
VITA offers information and assistance aimed at helping
individuals and groups to select and implement technologies
appropriate to their situations.
VITA maintains an international
Inquiry Service, a specialized documentation center,
and a computerized roster of volunteer technical
consultants;
manages long-term field projects; and publishes a variety of
technical manuals and papers.
UNDERSTANDING STABILIZED EARTH CONSTRUCTION
by
VITA Volunteer Al Bush
I. INTRODUCTION
Soil is one of the oldest building materials.
It has been
used for centuries in all parts of the world.
Ancient
temples, fortifications, and pyramids as well as part of the
Great Wall of China were built with soil.
The three traditional methods of soil construction are:
1. adobe block or lumps built up into walls; adobe is
sun-dried
soil mixed with
stabilizers such as straw or rice
husks to
strengthen the soil;
2. wattle and daub:
interwoven timber, saplings, or bamboo
daubed with mud;
and
3. rammed earth:
soil mixed with stabilizers and subjected to
high pressure.
Pure soil--whether molded into a block, i.e., adobe brick,
or
cut as a slab, i.e., sod--is technologically suitable for
home and commercial construction.
It can be used in combination
with timber frames or stone.
No soil additives are used
in this process.
Stabilized soil, a product of scientific research, offers
medium- and high-technology soil options.
Unfortunately,
local conditions will determine its applicability to your
situation.
Stabilized earth may not be appropriate unless
stabilizing additives, technical assistance, and machinery
are available and affordable.
Simple adobe or rammed-earth
may be preferable.
Medium technology can produce soils usable for road beds,
airport runways, shoulders, road surfaces, and storage and
parking areas.
Higher technology options include:
sub-bases
for concrete pavings, drainage ditches, canals, dike
surfaces,
reservoir linings, and multi-story foundations.
Depending on the level of technology available, soil can
serve as a basic resource.
It is suitable as a universal
building material.
Many types of soil are relatively accessible,
removable, and mixable.
High technology increases its
uses.
HIGH OR LOW TECHNOLOGY?
In evaluating soil as a building component consider whether
it
* meets the
technical needs of your local production
situation by:
- using local
materials, power, and resources
- minimizing the
need for imported material
- reducing
costly transportation
- ensuring
product availability and dependability
* meets social
requirements of the local production situation
by:
- using existing
or easily transferable skills
- avoiding
costly training
- minimizing
displacement of labor
- minimizing
social/cultural disruption
* meets the
economic requirements of the local situation
by:
- reducing
dependence on outside resources
- ensuring
low-cost alternatives
- requiring
limited machinery or capital investment.
For example, in the mountainous country of Colombia, South
America, a technical adviser noted about the use of adobe
pressed blocks that, "It had taken 267 five-hour mule
trips
to carry up needed supplies (sinks, roof, cement, etc.) for
a
community built schoolhouse.
But thanks to the CINVA-Ram
earthen block press, farmers didn't need to haul heavy
cement
blocks--saving at least 500 more mule trips!"
BASIC THEORY OF THE TECHNOLOGY
Natural, compacted soil has good insulating and resistant
qualities. It is,
however, vulnerable to moisture and the
erosive effects of weather.
Additives such as asphalts,
natural cements, and other compounds, including salts,
syrups, oils, and powders, stabilize soil in varying
degrees.
Soil durability and strength can also be improved by:
* changing the
distribution of grain size--gradation control;
* compacting the
soil;
* adding minerals
or chemicals; or
* mixing all of
the above.
A properly consolidated, well-graded soil that is adequately
moisturized, mixed, and cured will provide a strong, stable,
waterproof, long-lasting, low-maintenance building material.
Soil stabilization depends on soil classification and the
type of structure to be built.
Understanding the properties
of various soils will make it easier to select the highest
quality soil possible.
Public buildings or highways require a
sophisticated technical approach.
Simple structures such as
houses require a less technical approach.
Before using soil as a building material, it is necessary
to:
* understand the
soil characteristics in general;
* conduct soil
tests to ensure that the soil chosen can be
stabilized; and
* stabilize the
soil with additives or mixtures to make it
strong,
cohesive, waterproof, and weatherproof.
Although some soils have excellent stability against
moisture,
few meet all stabilization requirements.
The best soil
contains up to 70 percent of coarse gravels and sands, with
the remainder consisting of finer silts, clays, and
plastic-like
particles.
The particle size distribution of a soil determines how well
it can be stabilized.
A well-graded soil contains the correct
proportions of different-sized particles.
The spaces, or
voids, between larger particles are filled by smaller ones.
This is called the void ratio.
Highly technical construction requires a void ratio test.
Other stabilization tests to determine soil composition and
suitability may also be needed.
Small, less technical, projects
need only simple tests for good results.
The technical requirements will be reviewed first, followed
by the short, simple procedures, which a builder with less
skills, equipment, and controls can use.
II. SOIL
CLASSIFICATION
To determine the suitability of your soil for stabilization
and building, it is necessary to understand soil
classification.
Table 1 classifies the world's soils into three categories:
order, suborder, and great soil groups.
This table
permits a close study of soils worldwide with similar
agricultural
characteristics, climates, topography, and drainage
characteristics. The
three categories will help you to understand
your local soil type.
Figure 1 is useful in determining the soil profile.
It shows
34p06.gif (600x600)

the breakdown of the soil layers, called horizons, into four
basic levels labeled A, B, C, and D.
These levels take us
from the surface layer down to the underlying, or
bottom-most
layer (stratum).
From the top down, the A and B levels are
layers that have been modified by weathering.
The C level has
been unaltered by the soil-forming processes.
The A layer is
the topsoil, usually containing most of the organic
material;
the B layer is the subsoil; the C layer is the parent
material,
or mother soil, containing clay, silt, sand, gravel or
a combination of these, or stone of indefinite thickness;
the
D layer is the underlying structure.
Suitable building soil contains the correct percentages of
sand, silt, and clay, as shown in Figure 2.
In general, soils
34p07.gif (600x600)

containing less than 20 percent clay are classed as gravel
and sand, loamy sands, sandy loams, and loams; soils
containing
20 to 30 percent clay are called clay loams; and soils
containing over 30 percent clay are classed as clay.
The clay
fraction is of major importance in earth construction.
Clay
binds the larger particles together, making it suitable as a
building material.
The U.S. Department
of Agriculture Textural Classification
System grades soils into fractions according to the size of
particles, as follows:
Very coarse
sand: 2.0 mm to 1.0 mm (No. 10 sieve to
No.
18 sieve)
Coarse sad:
1.0 mm to 0.5 mm (No. 18 sieve to No.
35
sieve)
Medium sand:
0.5 mm to 0.25 mm (No. 35 sieve to No.
60 sieve)
Fine sand:
0.25 mm to 0.1 mm (No. 60 sieve to
No.
140 sieve)
Very fine sand:
0.1 mm to 0.05 mm (No. 140 sieve to No.
20 sieve)
Table 1.
Soil Classification in the Higher Categories
Order
Suborder
Great Soil Groups
Zonal 1.
Soils of the cold zone
Tundra soils
soils 2.
Light-colored soils or arid
Desert soils
regions
Red desert soils
Sierozem
Brown
soils
Reddish-brown soils
3.
Dark-colored soils of semiarid,
Chestnut soils
subhumid, and humid grasslands
Reddish chestnut soils
Chernozem
soils
Prairie
soils
Reddish
prairie soils
4.
Soils of the forest-grassland
Degraded chernozem
transition
Noncalcic brown or
Shantun
brown soils
5.
Light-colored podzolized soils of Podzol
soils
the
timbered regions Gray
wooded or
Gray
podzolic soils(*)
Brown
podzolic soils
Gray-brown
podzolic soils
Red-yellow
podzolic soils(*)
6.
Lateritic soils of forested warm-
Reddish-brown lateritic soils(*)
temperature and tropical regions
Yellowish-brown lateritic soils
Laterite
soils(*)
Intrazonal 1.
Halomorphic (saline and alkali)
Solonchak or
soils
soils of imperfectly drained arid
Saline soils
regions and littoral deposits
Solonetz soils
Soloth soils
2.
Hydromorphic soils of marshes,
Humic-glei soils(*)
swamps, seep areas, and flats
(includes wiesenboden)
Alpine
meadow soils
Bog soils
Half-bog
soils
Low-humic-glei(*) soils
Planosols
Groundwater
podzol soils
Groundwater laterite soils
3,
Calcimorphic soils
Brown forest soils (braunerde)
Rendzina
soils
Azonal
Lithosols
soils
Regosols
(includes dry sands)
Alluvial
soils
* New or recently modified great soil groups.
Source: "Higher
Categories of Soil Classification:
Order, Suborderr, and Great Soil
Groups," by James Thorp and Guy D. Smith, Soil Science, Vol 67,
January to
June 1949,
pp. 117-126.
Silt:
0.05 mm to 0.002 mm
Clay:
0.002 mm to 0.0 mm
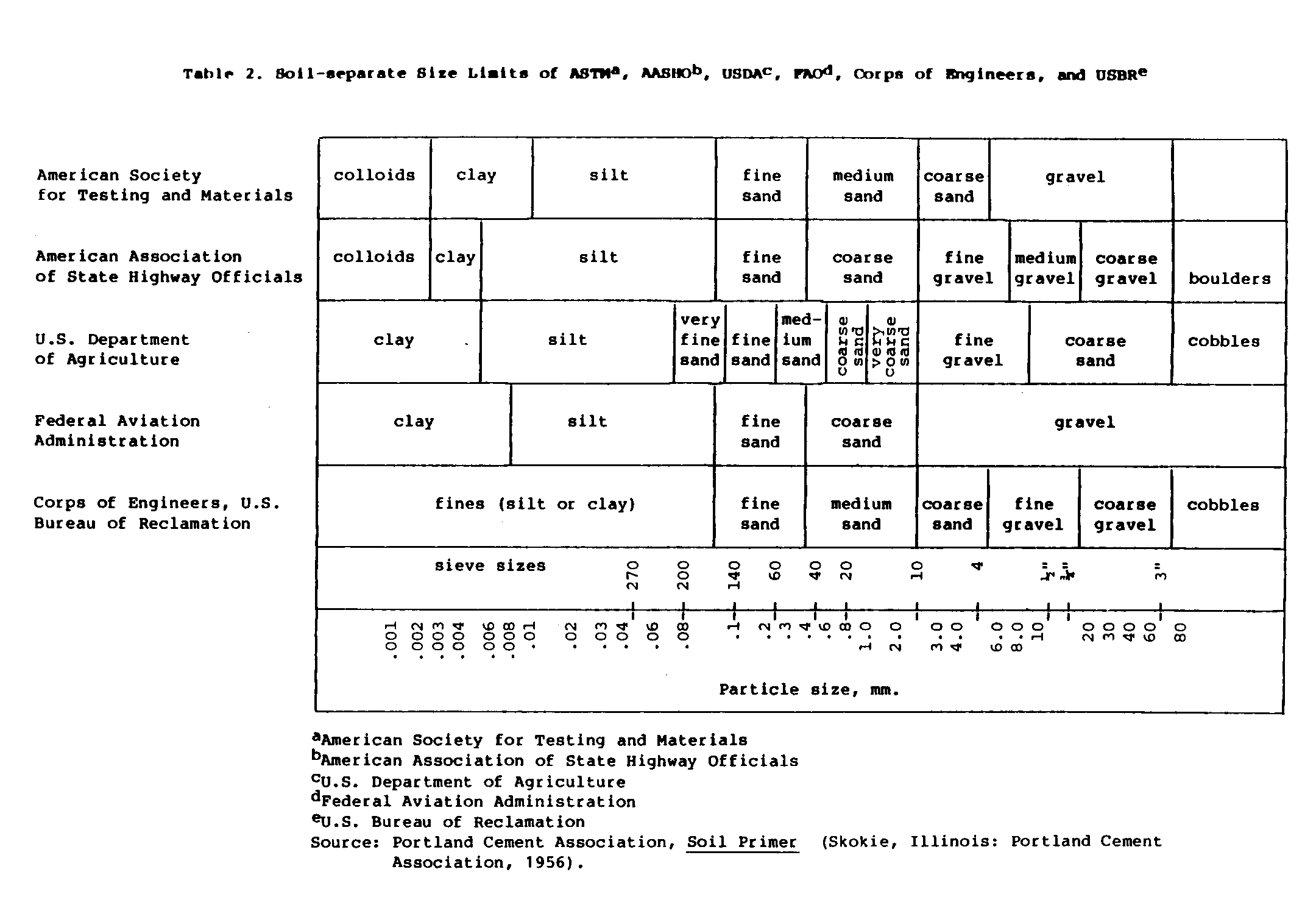
Table 2 shows soils broken down by particle size (or grain
34p09.gif (600x600)

size).
III. SOIL TESTS
Soil properties must be analyzed and tested to determine the
suitability of soils for stabilization.
The properties of
clay vary greatly in their physical and chemical
characteristics.
The plastic properties of a clay are measured by gradually
removing water from it.
Clay that contains a lot of
water behaves like a liquid.
The liquid limit is the moisture
point at which a soil passes from a plastic to a liquid
state. To conduct a
liquid limit test:
* Place the
soil-water paste in a standard cup.
Divide it
into to halves
(1.2 cm apart) with a grooving tool.
* Repeatedly
strike the bottom of the cup on a hard, flat
surface from a
uniform measured height of 1 cm until the
test sample
flows from each half together in the groove.
The liquid limit
is defined as the water content that
fills the 1.2 cm
groove after 25 standard strikes of the
cup.
* Experiment by
adding more water to different samples.
At
each addition of
water the number of strikes of the cup
required to
close the groove are recorded. Your
results
will vary above
or below the 25 standard. The range
should be
between 10 and 40 strikes.
Clay crumbles as its moisture content is reduced to its
plastic limit. The
plastic limit is the point at which the
soil becomes too dry to be plastic.
To determine the plastic
limit of your soil, roll a thread of soil to 3.2 mm in
diameter
between the palm of your hand and a dry, flat surface.
The soil thread is at its plastic limit when it crumbles
under this rolling action.
The liquid limit minus the plastic limit of a soil is called
the plasticity index.
The plasticity index depends largely on
the amount of clay present.
Both the liquid limit and the
plasticity index are affected by the amount of clay and the
type of clay minerals present in a soil.
The strength of a
soil increases as the plasticity index increases.
However,
high plasticity soils shrink when dry and expand when wet.
Stabilization minimizes these fluctuations.
Sands and sandy soils with little or no clay content have no
plastic limit.
Fine-grained soils with a low degree of
plasticity have liquid limits of less than 35 percent; the
clay content of these soils is generally less than 20
percent.
Fine-grained soils of medium plasticity have liquid
limits between 35 and 50 percent; these soils usually
contain
between 20 and 40 percent of clay.
Soils with high plasticity
have liquid limits of more than 50 percent; their clay
content is normally more than 40 percent.
A high liquid limit and plasticity index means soils are
susceptible to water and moisture penetration.
They are
difficult to stabilize with cement and need larger amounts
of
stabilizer than those with a low liquid limit and plasticity
index. Soils with a
high liquid limit and plasticity index
can stabilize with lime.
Lime changes the plastic properties
of soil.
Soil Stabilization Tests
Moisture-Density Test
Natural soil contains pore spaces filled partly by air and
water. Compaction
can reduce these spaces. A
well-compacted
soil is best.
Moisture content can be determined by a simple test:
*
Take various soil samples from intended
supply sites.
*
Dry-mix freshly dug soil separately.
*
Place samples in dishes or pans of equal
sizes and
weights.
Weigh and record each.
*
Allow each to dry naturally or place in an
oven.
*
When dry, re-weigh and record differences of
moist and
dry
weights. Those with heavier dry weights
have high
soil
densities. These are best.
Wet Strength Test
A stabilized soil must withstand moisture.
Since rain moistens
soil construction materials, it is important that the
wet compressive strength of a stabilized soil be determined.
The wet strength of a stabilized soil is one third of its
dry
strength. Strength
tests are performed on cured soil blocks,
which are soaked for at least 24 hours.
(Note:
the normal
curing period is 28 days during which time the specimens are
kept moist.) The test determines the crushing strength of
full-sized blocks.
The soil blocks or bricks can now be tested for compressive
strength. Here is
the procedure:
* Place a brick
over the supports located two inches from
the ends of the
brick.
* Place a two-inch
rod midway and parallel to the two supports.
* A load is
applied to a maximum of 500 pounds.
Compressive
strength should
average between 250 and 300 pounds
before rupture.
A simple compression machine can be constructed.
Figure 3 is
34p12.gif (600x600)

an example of a modulus that can be used for wet or dry
brick
tests.
Soil Mixes for Improved Stabilization
There are many ways to improve the stability of soils.
For
example, varying the mineral content by adding crushed
limestone
or limestone dust to a granite mixture changes the
chemical attributes of a soil.
Limestone increases the pH,
making the soil water resistant.
Other materials, such as
hydraulic lime and various salts, produce similar results.
Adding asphalt emulsions (that is, asphalt mixed with water)
and hydraulic and Portland cements to a soil also produces
good results.
Stabilizers improve the mechanical and chemical
bond, adding strength and weather resistance to the soil.
Portland cement begins to react immediately when mixed into
wet soils. Lime
takes longer than cement to harden. It
attains about one-half the strength of soil-cement mixes.
Unfortunately, cement is more expensive and often
unavailable.
Each stabilizer mix must be extensively tested for:
(1)
weather and water immersion resistance, and (2) compressive
strength.
Unstabilized Versus Stabilized Soils
Comparative tests of unstabilized and stabilized soils show
that both dry and wet strengths of cement-stabilized soils
are stronger and more water resistant than the best
unstabilized soils.(1)
An unstabilized block retains only 20 to
30 percent of its dry strength.
A cement-stabilized block
retains 60 to 65 percent of its dry strength.
Dry strength
accounts for the stabilizing quality of soil-cement under
wet-dry and freeze-thaw conditions.
Experimentation with other additives has produced mixed
results. Wood
shavings and sawdust mixed with Portland cement
have been tested.
Stabilization results with sawdust were not
satisfactory; stabilization results with wood shavings are
somewhat better. You
may want to field test inexpensive,
available materials using the test methods previously
discussed.
Soil-Cement Tests
A simple procedure is the 7-day compressive strength test
for
materials.
Soil-Cement Mixes
Table 3 gives cement quantities by volume and weight for
testing various types of soils.
Note that the range in cement
requirements varies from 5 to 14 percent by volume and from
3
to 16 percent by weight for the total range of soil groups,
allowing for variations in the subgroups.
(1) Unstabilized blocks, air-dried to stable weight, vary in
strength between 15 and 25 Kg/[cm.sup.2], or between 220 and
370
lb/[in.sup.2]; when wet (i.e., when they are kept in water
for 24
hours), they vary in strength between 0 and 5 Kg/[cm.sup.2],
or
between 0 and 75 lb/[in.sup.2], absorbing between 12 and 40
percent
moisture by volume.
Cement-stabilized, air-dried block tested
between 25 and 35 Kg/[cm.sup.2] (or between 370 and 520
lb/[in.sup.2]), and
between 15 and 23 Kg/[cm.sup.2] (or between 220 and 340
lb/[in.sup.2]) when
wet, gains between 6 and 12 percent moisture by volume.
Table 3.
Cement Requirements of AASHO(a) Soil Groups
Estimated Cement
Usual
Range Content and That
in
Cement Used in
Cement Contents
Requirement
Moisture-Density for Wet-Dry
and
AASHO(a)
(Percent (Percent
Test
Freeze-Thaw Tests
Soil by
by
(Percent by
(Percent by
Group
Volume) Weight)
Weight)
Weight)
A-1-a 5- 7
3- 5
5
3- 4- 5- 7
A-1-b 7- 9
5- 8
6
4- 6- 8
A-2 7-10
5- 9
7
5- 7- 9
A-3 8-12
7-11
9
7- 9-11
A-4 8-12
7-12
10
8-10-12
A-5 8-12
8-13
10
8-10-12
A-6 10-14
9-15
12
10-12-14
A-7
10-16 13
11-13-15
(a) American Association of State Highway Officials.
Source: Portland
Cement Association, Soil-Cement Construction
Handbook. (Chicago,
Illinois: Portland Cement
Association,
1956).
Table 4 provides cement content by volume and weight for
miscellaneous materials used in construction.
Table
4. Average Cement Requirements
of Miscellaneous Materials
Estimated Cement
Content and That Cement
Contents
Used in for Wet-Dry and
Moisture-Density Freeze-Thaw
Test
Tests
Type of
(Percent (Percent (Percent
Miscellaneous
by by
by
Material
Volume) Weight)
Weight)
Shell soils
8
7 5- 7-
9
Limestone screenings
7 5
3- 4- 5- 7
Red dog
9 8
6- 8-10
Shale or disinte-
grated shale
11
10
8-10-12
Caliche
8
7 5- 7-
9
Cinders
8 8
6- 8-10
Chert
9 8
6- 8-10
Chat
8 7
5- 7- 9
Marl
11 11
9-11-13
Scoria containing
material retained
on the No. 4
sieve 12
11
9-11-13
Scoria not containing
material retained
on the No. 4
sieve 8
7
5- 7- 9
Air-cooled slag
9 7
5- 7- 9
Water-cooled slag
10 12
10-12-14
Source: Portland
Cement Association, Soil-Cement Construction
Handbook. (Chicago,
Illinois: Portland Cement
Association,
1956).
To test for proper hardness, rapid "pick" and
"click" tests
are performed, using 7-day-old water-soaked blocks.
Using a
finely pointed object, stab with force at the brick.
Measure
the object's penetration.
Penetration should be less than
one-fourth of an inch.
For the "click" test, hold one brick
in each hand. Slam
them together. A sharp sound indicates
hardness. A soft
sound indicates softness.
The moisture density test also can be used for stabilized
soils. Greatest
compaction occurs at maximum density and
optimum moisture content.
This applies equally for hand
tamped or machine-compacted stabilized soils.
<Figure 4>
34p16a.gif (437x437)
34p16b.gif (393x393)
<Figure 5>
Other Soil-Cement Mixes
Soil mixes using cement as a binder are also used in two
other forms. These
are: (1) cement-modified soils, and (2)
plastic soil-cement.
Cement-Modified Soils
Cement-modified soils are mixed with substandard granular
soils, and Portland cement to reduce plasticity and to raise
weight-bearing ability.
Cement-modified soils are used as
base courses for flexible pavements or as sub-bases for
pavements.
These substandard soils with high plasticity indexes
can be stabilized by adding very small percentages of
cement,
as shown in Table 5.
This produces an increase in bearing
values which are permanent, as shown in Table 6.
Table 5.
Permanency of Plastic Index (P.I.) Reduction
of
Cement-Modified Granular Soil
Cement Content
(Percent by Volume)
0
3
5
P.I.
Raw soil(a)
14
-- --
Laboratory mixture,
age 7 days
--
4 NP(b)
Laboratory mixture
after 30 cycles
freeze-thaw --
3
NP
Laboratory mixture
after 60 cycles
freeze-thaw --
1
NP
(a) A-2-6(0) soil from Carroll County, Tennessee, USA.
(b) Nonplastic.
Source: Portland
Cement Association, Soil-Cement Construction
Handbook. (Chicago,
Illinois: Portland Cement
Association,
1956).
Table
6. Permanency of Bearing Values of
Cement-Modified Granular Soil
Bearing Value
Raw soil(a)
43
Laboratory mixture, 2 percent cement
by weight at age 7
days 255
Laboratory mixture, 2 percent cement
by weight after 60
cycles freeze-thaw 258
Laboratory mixture, 4 percent cement
by weight at age 7
days 485
Laboratory mixture, 4 percent cement
by weight after 60
cycles freeze-thaw
574
(a) A-1-b(0) disintegrated granite from Riverside County,
California, USA.
Source: Portland
Cement Association, Soil-Cement Construction
Handbook. (Chicago,
Illinois: Portland Cement
Association,
1956).
Silty-clay soils have:
(1) high water-holding capabilities,
(2) volume change capacities, and (3) low bearing strengths.
They are normally unsuitable for subgrades.
Silty-clay soils
require cement mixtures greater than those for granular
soils. By modifying them
with cement, they have use:
1. as a modified
subgrade for flexible or soil-cement pavements;
2. as a sub-base for
concrete paving, which will control
moisture and
volume changes in the subgrade; and
3. in stabilizing
highway fills, strengthening soft areas in
subgrades, and as
backfill material in trenches.
Plastic Soil-Cement
Plastic soil-cement is a thorough mixture of soil, Portland
cement, and water.
When mixed, it has a plaster mortar consistency.
Light-textured sandy soils are ideal for these mixtures.
Soil selection is based on 30 percent or less of the
material that passes through a No. 200 mesh sieve.
Suitable
cement weight is about four percent greater than similar
soil-cement compacted ones.
The density of these mixtures is
about 15 lb per cubic foot (240 Kg/[M.sup.3]) less than the
maximum
density of a compacted soil-cement mixture at optimum
moisture
content.
To increase surface resistance to water erosion, increase
cement content by two percent.
HIGH-TECHNOLOGY APPLICATION OF SOIL
Equipment Needed for Soil-Cement Construction
An application of soil-cement to road construction is shown
in Figure 6. It
identifies the type of equipment used with as
34p20.gif (600x600)

step-by-step operations.
Note that the materials are generally
mixed, wetted, compacted, and cured in place.
Due to the varieties of soil, it may be necessary to modify
the soil-cement processing operations outlined in Figure 6.
For example, breaking up a clayey soil is difficult.
You can
add an intermediate step of prewetting and mixing some lime
(or .6 to 1.0 percent calcium chloride) into the soil,
forming
the mixture into windrows, and letting it stand overnight.
This mix diffuses the moisture throughout the material
by breaking down soil particles.
The Portland cement is now
ready to mix with the soil.
Cost/Economics
Soil-cement is an inexpensive road construction material.
Normally, it is 50 percent cheaper than building with
comparable
materials. Over
70,000 miles of soil-cement roads in
the United States attest to its cost-effectiveness.
LOW-TECHNOLOGY APPLICATIONS OF SOIL
Housing Construction Equipment
A variety of equipment can be used to construct low-cost
residential houses.
Two techniques--rammed-earth construction
and pressed block making--are discussed in this
section. Both
techniques require minimal training or equipment.
Rammed-earth
construction is less dependent on outside technology
since its major technical material is wooden forms.
Pressed
blocks do require importation of either the machine or
high-grade
metal for fabrication.
Whereas rammed earth cannot be
transported, with care, blocks can be.
Rammed-Earth Construction
Rammed earth walls are made by ramming moist earth into
forms
similar to those used for concrete construction.
Figure 7
34p21.gif (600x600)

shows a sliding form for rammed earth construction.
Earth is
compacted either mechanically or by hand.
Figure 8 shows two
34p22.gif (600x600)

types of hand rammers used to assure proper compaction of
high-quality rammed earth.
The sliding form technique can be
adapted for use in residential housing construction by using
special corner and wall-intersection forms.
Pressed Block Making
The CINVA-Ram and similar portable hand-operated machines,
used in many parts of the world, are good examples of an
effective tool for making pressed block.
Figure 9 describes
34p23.gif (600x600)

the block-manufacturing process.
Children and adults can
learn this simple process in a matter of minutes.
Simple Soil Tests
Optimum Moisture Test
To test the moisture content of soils and soil-cement
mixtures, the thumb-squeeze test is performed, as shown in
Figure 10. The
moisture content is correct if the soil breaks
34p25.gif (437x437)

into two pieces upon applying pressure with the thumb.
Cement/Soil Mix Tests
Making blocks from stabilized earth is a simple process, but
it will not be successful unless the soil is properly
tested.
It would be a serious mistake to treat this step lightly.
Scarce money and labor could be wasted and the result
unsatisfactory.
Soil is a variable and complex building material.
Every sample
is different from every other sample.
But building blocks
can be made successfully from a wide variety of soils.
The tests described here will tell us:
* how much sand
and how much clay is in the soil to be
used (Particle
Determination Test and Compaction
Test,); and
* how much cement
or lime should be added (Box Test).
Particle Determination Test.
This test analyzes the soil to
find the ratio of sand to clay and/or silt:
1.
Pass the soil through a 1/4" (6 mm) screen.
2.
Pour into a wide-mouth jar enough soil to
fill the jar
half full.
3.
Fill the jar with water and cover it.
4.
Add 2 teaspoons of salt to help the
clay/silt particles
settle faster.
5.
Shake the jar vigorously for two minutes.
6.
Set the jar on a level spot.
The soil should settle in about half an hour.
The sand will
settle quickly to the bottom.
The clay/silt particles will
settle last. Measure
the layers to determine the ratio of
sand and clay/silt, as shown in Figure 11.
34p26.gif (540x540)
Use soil that is at least one-third sand and between 5 and
30
percent clay/silt. If the soil at hand is not suitable, it
can be made suitable by adding sand or clay.
Record the
percentages of sand and clay/silt in the soil used.
This will
help in deciding which soil makes the best blocks.
Compaction Test.
This test indicates the packing quality of
the earth, which depends on the percentage of clay in the
sample.
1.
Take a handful of dry, screened earth and
moisten it
until it is damp enough to form a ball
when squeezed in
the hand, but
not so damp that it will leave more than
a slight trace
of water on the palm.
2.
Drop the ball from a height of about three
feet onto
hard
ground. If the ball breaks into a few
smaller
pieces, the
packing quality is good to fair. If it
disintegrates,
the quality is poor.
Box Test. The box
test is a guide to the proper soil-cement
ratio. It measures
the shrinkage of soil which contains no
stabilizer. As shown
in Figure 12, the box should have these
34p27.gif (437x437)

inside measurements:
24" x 1-1/2" x 1-1/2" (4 cm x 4 cm x 60
cm).
1.
Oil or grease the inside surfaces of the box
thoroughly.
2.
Pack the box well with moist soil
(previously passed
through a
1/4" to 3/8" (6 mm to 10 mm mesh screen).
The
soil should be
moistened to pack well, but it should
not be muddy.
3.
Tamp, especially at the corners.
4.
Smooth off the surface with a stick.
5.
Place the box in the sun for three days or
in the shade
for seven
days. It should be protected from rain.
Measure the contraction (shrinkage) by pushing the dried
sample to one end of the box.
Shrinkage
Cement to Soil Ratio
Not over 1/2" (15 mm)
1 part to 18 parts
Between 1/2" and 1"
(15 mm - 30 mm)
1 part to 16 parts
Between 1" and 1-1/2"
(30 mm - 45 mm)
1 part to 14 parts
Between 1-1/2" and 2"
(45 mm - 60 mm)
1 part to 12 parts
When lime is used instead of cement use double the
amount. Do
not use the soil if it has many cracks (not just three or
four); if it has arched up out of the box; or if it has
shrunk more than 2" (60 mm).
As shown in Table 7, the amount of cement/soil mixture is
calculated by soil volume.
If the soil contains 90 percent
sand, then the amount of cement to soil would be 10 percent.
Table 7.
Proportioning Cement Stabilizer to Soil
Volume
Proportion of Ratio
of
Amount of
Soil Sand to
Soil Cement to Soil
Cement to Soil
Content
(Percent)
(Volume) (Percent)
Sand
90 1:10
10.0
Sand
85
1:16.7
6.0
Sand
75 1:12
8.3
Sand
63 1:11.8
8.5
Sand
36-63 1:11
9.0
Sand
<36
1:8.3 12.0
Sand, silt,
and
clay
combined
>80
1:8.3
12.0
Sand, silt,
and clay
combined
<80
1:6.7
15.0
Note that pure sands or pure clays are not suitable for
stabilization with Portland cement.
If soil particles lump
together, add a dilute solution of ammonia, soda, salt, or
sodium silicate to the water.
For floor tiles, make a richer soil-cement mix by adding 20
percent of cement to the soil (or 1:5) for greater strength
and resistance to erosion.
As discussed in an earlier section
(see "Soil Classification," p. 3) of this paper,
be sure to
take the soil from the B or C horizon or below the organic
layer, to ensure adequate stabilization of soil.
The Curing Process
Any building material composed of soil-cement (whether
rammed
earth or block pressed) must cure slowly until hard.
The
finished block or wall section is moistened daily for at
least one week.
While curing, blocks are placed in the shade,
and covered to prevent rapid drying and to protect them from
rain erosion. Since
regions accustomed to primitive adobe
construction are unfamiliar with cement curing, a general
tendency will be to sun-cure blocks.
This is not appropriate
for cement. A slow
curing is needed.
For road surfaces as described in Figure 6, a sealer should
be
34p20.gif (600x600)

applied to the finished surface to prevent moisture
evaporation.
A low-cost white paint is a good sealer.
It reflects
heat and keeps the material cool.
Spray paint works well, too.
Cost-Effectiveness of Soil-Cement Blocks
Countless experiences indicate a cost savings of at least 50
percent over conventional methods.
For example, in a housing
development proposal submitted to the Government of
Indonesia
in 1973, construction costs of soil-cement walls were
compared
with those of brick walls, as shown in Table 8.
In that proposal,
soil-cement walls were shown to cost less than brick
walls.
STATE-OF-THE-ART EARTH STABILIZATION TECHNOLOGIES
Polymers and latexes are now being added to soil mixes to
further improve the properties of soil-cement.
These compounds
provide greater water and freeze-thaw resistance.
Inserts have
been developed for the block machines to allow spaces for
structural reinforcement, enabling structures to better
withstand
the impact of hurricanes and earthquakes.
III. FUTURE OF THE
TECHNOLOGY
NEED FOR FURTHER RESEARCH AND DEVELOPMENT
In September 1981, an international workshop on
"Earthen
Buildings in Seismic Areas" was held at the University
of New
Mexico, in Albuquerque, New Mexico, USA.
At this workshop,
participants identified needs and priorities in response to
the worldwide problem of the susceptibility of earthen
buildings
to destruction from earthquakes.
The participants noted
the need to:
* establish minimum quality standards, quality control of
materials, and
quality production methods;
* establish programs with the aim of reducing the
vulnerability
of earthen
buildings to earthquakes;
* increase the emphasis on training local building
technicians;
* increase the emphasis on documenting effective public
information
and housing
education techniques;
* develop effective communication tools and training aids
for
use in program
implementation.
Table 8.
Comparative Costs for Construction of Soil-Cement Walls
Versus
Brick-Stucco Walls (1973 Rupees)
Type
Wall
Amount Number of
of
Thickness
of Soil Bricks/Blocks
Cost
Wall
(Inches)
(Per [m.sup.3]) (Per
[m.sup.2]) (Rupees)(a)
Brick-Stucco
--
Bricks
80.0 400
Portland Cement
(for mortar
joints)
106
Sand
(for mortar joints
and stucco)
68
Portland Cement
(for stucco)
40
Labor
142
Total Costs
756
Soil-Cement Wall
6
Blocks
33.3
Soil
.195
10
Portland Cement
Mix
172
Labor
67
CINVA-Ram
Machine
67
Labor and Dozer
(for moving
soil)
39
Mortar Mix
92
Labor for
Mortar
33
Total Costs
480
Soil-Cement Wall
4
Blocks
21.3
Soil
.136
Portland Cement
Mix
7
Labor
110
CINVA-Ram
Machine
43
Labor and
Dozer
43
(for moving
soil)
25
Mortar Mix
59
Labor for
Mortar
21
Total Costs
308
(a) In 1973, 410 rupees equaled one U.S. dollar.
One of the many papers addressed further research on
stabilized
soil-cement for low-cost construction.
It emphasized
placing reinforcement (such as bamboo or light steel rods or
cages) into footings and walls.
It further suggested the integration
of a mini-mobile industrial system for on-site manufacture
and erection of low-cost buildings, using the CINVA-Ram
machine as the basic tool.
Included was a program to
build, test, and analyze a prototype minimum structure that
would include soil-cement-reinforced block lintels,
tie-beams,
walls, and foundations.
Roofing is a major expense.
The beams and roofing material can
be the most costly items.
Ferro-soil-cement structural roof
sections could be a complimentary part of the
structure. They
could be built without high-level skills or technology if
the
laboratory techniques were developed and tested.
The prototype
structure could serve as a model for constructing other
low-cost
permanent buildings.
IV. CHOOSING THE
APPROPRIATE TECHNOLOGY
In deciding whether to use cement stabilized soils or not,
one
must first determine:
* what skills are available;
* what materials are accessible for use;
* what standards have to be met by the local community;
* what tools and equipment are available;
* what the economics of the situation are;
* what the overall objectives are;
- to build as
cheaply as possible;
- to employ as many
people as possible;
- to develop
permanent skills and jobs;
- to provide
permanent low-maintenance structures;
* what the anticipated scale for production is;
* what the prevailing customs or personal acceptable
standards
of housing and
construction are; and
* what organizations are interested in sponsoring mutual-aid
or self-help
initiatives.
BIBLIOGRAPHY
Adaska, W.S. et al.
"Soil-Cement for Electric Power Plants."
Paper presented
at the American Power Conference, Chicago,
Illinois, 22
April 1980.
Ahrens, Chris.
Manual for Supervising Self-Help Home
Construction with
Stabilized Earth Blocks Made in the
CINVA-Ram
Machine. Kanawha County, West Virginia,
1965.
Ahrens, Chris.
Stabilized Earth Construction in Cold
Climates.
1976.
Akray, S.
Investigation on the Compressive Strength of Various
Stabilized Clay
Adobe Bricks. Ankara, Turkey:
Middle East
Technical
University, 1965.
American Society for Testing and Materials.
Annual Book of
ASTM Standards,
12 vols. Vol. 4.08: Soils.
Philadelphia,
Pennsylvania: American Society
for Testing and Materials,
1984.
American Society for Testing and Materials.
Concrete and
Mineral
Aggregates. ASTM Part 10.
Philadelphia, Pennsylvania:
American Society
for Testing and Materials, 1968.
Boatwright, J.H. How
to Get Waterproofing Substances from
Plants.
Arlington, Virginia:
Volunteers in Technical
Assistance, 1977.
Cain, A.; Afshar, F; and Norton, J.
"Indigenous Building and
the Third
World." Architectural Design 45
(April 1975):
207-24.
California State University.
International Institute of
Housing
Technology. The Manufacture of Asphalt
Emulsion
Stabilized Soil
Bricks and Brick Maker's Manual.
Fresno,
California:
California State University, 1972.
Clough, R.H. A
Qualitative Comparison of Rammed Earth and
Sun-dried Adobe
Brick. Albuquerque, New Mexico:
University
of New Mexico
Press, 1950.
Commonwealth Experimental Building Station.
"Choice of Soil
and Methods of
Construction." SB 13.
Earth Wall Construction.
Chatswood,
Australia: Commonwealth Experimental
Building Station,
1951-1952.
Commonwealth Experimental Building Station.
"Pise (Rammed
Earth)." SB 18.
Earth Wall Construction.
Chatswood,
Australia:
Commonwealth Experimental Building Station,
1951-1952.
Commonwealth Experimental Building Station.
"Adobe (Puddled
Earth)." SB 20.
Earth Wall Construction.
Chatswood,
Australia:
Commonwealth Experimental Building Station,
1951-1952.
Commonwealth Experimental Building Station.
"Stabilized
Earth."
SB 22.
Earth Wall Construction.
Chatswood,
Australia:
Commonwealth Experimental Building Station,
1951-1952.
Fitzmaurice, R. Manual
on Stabilized Soil Construction for
Housing.
New York, New York:
United Nations, 1958.
Germin, A. "The
Endurance of Earths as Building Material and
the Discreet But
Continuous Charm of Adobe."
M.E.T.U.
Journal of the
Faculty of Architecture 5 (Spring 1979).
Jones, C.W. Effect
of a Polymer on the Properties of
Soil-Cement.
Bureau of Reclamation Report REC-OCE-20-18.
Denver
Colorado: Bureau of Reclamation, 1970.
Kirkham, U.E. How to
Build Your Own Home of Earth. Oklahoma
A
and M Engineering
Experiment Station Publication 54.
Stillwater,
Oklahoma: Oklahoma A and M Engineering
Experiment
Station, 1943.
Lunt, M.G.
"Stabilized Soil Blocks for Building."
Overseas
Building Notes
No. 184. Garston, England:
Building
Research Station,
February 1980.
Mehra, S.R. Use of
Rammed Cement Soil in Large Scale Housing
Construction in
East Punjab. Bombay, India:
Government of
India Press,
1948.
Metalibec Ltd.
CINVA-Ram Block Press Manual.
New York, New
York:
International Basic Economy Corporation,
1959.
Middleton, G.F.
Earth Wall Construction. Sydney,
Australia:
Commonwealth
Experimental Building Station, 1949.
Portland Cement Association.
Soil-Cement Construction Handbook.
Chicago,
Illinois: Portland Cement Association,
1956.
Portland Cement Association.
Soil-Cement Laboratory Handbook.
Chicago,
Illinois: Portland Cement Association,
1956.
Portland Cement Association.
Soil Primer. Chicago,
Illinois:
Portland Cement
Association, 1956.
Razani, R., and Behpour, L.
Some Studies on Improving the
Properties of
Earth Materials Used or the Construction of
Rural Earth
Houses in Seismic Regions of Iran.
Shiraz,
Iran:
Pahlavi University, 1970.
South Dakota State College.
Department of Agricultural
Engineering.
Rammed Earth Walls for Farm Buildings.
Bulletin No.
277. Brookings, South Dakota:
South Dakota
State College,
1938.
Volunteers in Technical Assistance.
Making Building Blocks
with the
CINVA-Ram Block Press. Arlington,
Virginia:
Volunteers in
Technical Assistance, 1975.
United Nations.
Department of Economics and Social Affairs.
Soil-Cement - Its
Use in Building. New York, New York:
United Nations,
1964.
U.S. Agency for International Development.
Handbook for
Building Homes of
Earth. Action Pamphlet No.
4200.36. By
Lyle A.
Wolfskill, Wayne A. Dunlop, and Bob M. Callaway.
Washington,
D.C.: Peace Corps, December 1979.
U.S. Department of Agriculture.
Building with Adobe and
Stabilized Earth
Blocks. Leaflet No. 535.
Washington,
D.C.:
Government Printing Office, 1968.
U.S. Department of Commerce.
National Bureau of Standards.
Methods for
Characterizing Adobe Building materials.
Technical Note
No. 977. Washington, D.C.:
National Bureau
of Standards,
June 1978.
U.S. Library of Congress.
Division of Bibliography. List
of
References on
Pise de Terre and Adobe Construction.
Washington,
D.C.: U.S. Library of Congress, 1931.
SUPPLIERS
SUPPLIERS OF TEST EQUIPMENT
SoilTest Inc., 2205 Lee Street, Evanston, Illinois 60202,
USA
TestLab/GDI Inc., 130 Buchanan Circle, Pacheco, California
94553, USA
SUPPLIERS OF CINVA-RAM BLOCK-MAKING MACHINES
CARE, 660 First Avenue, New York, NY 10016, USA
Metalibec Ltda., Apartado Aereo 11798, Bogota, Colombia, SA
Schrader Bellows, 200 West Exchange Street, P.O. Box 631,
Akron, Ohio 44309, USA
========================================
========================================