Back to Home Page of CD3WD Project or Back to list of CD3WD Publications

CLOSE THIS BOOKAttic Completion Work - Course: Timberwork techniques. Instruction examples for practical vocational training (Institut für Berufliche Entwicklung, 39 p.)
VIEW THE DOCUMENT(introduction...)
VIEW THE DOCUMENTPreliminary Remarks
VIEW THE DOCUMENTInstruction Example 2.1.: Making Openings for Roof Superstructures in Existing Roofing
VIEW THE DOCUMENTInstruction Example 2.2.: Making a Rafter Trimming
VIEW THE DOCUMENTInstruction Example 2.3.: Making the Opening for the Roof Window to be Built in
VIEW THE DOCUMENTInstruction Example 2.4.: Joining of the Parapet Transom
VIEW THE DOCUMENTInstruction Example 2.5.: Joining of the Window Posts
VIEW THE DOCUMENTInstruction Example 2.6.: Joining of the Lintel Transom
VIEW THE DOCUMENTInstruction Example 2.7.: Joining of the String Transoms and Roof Rafters

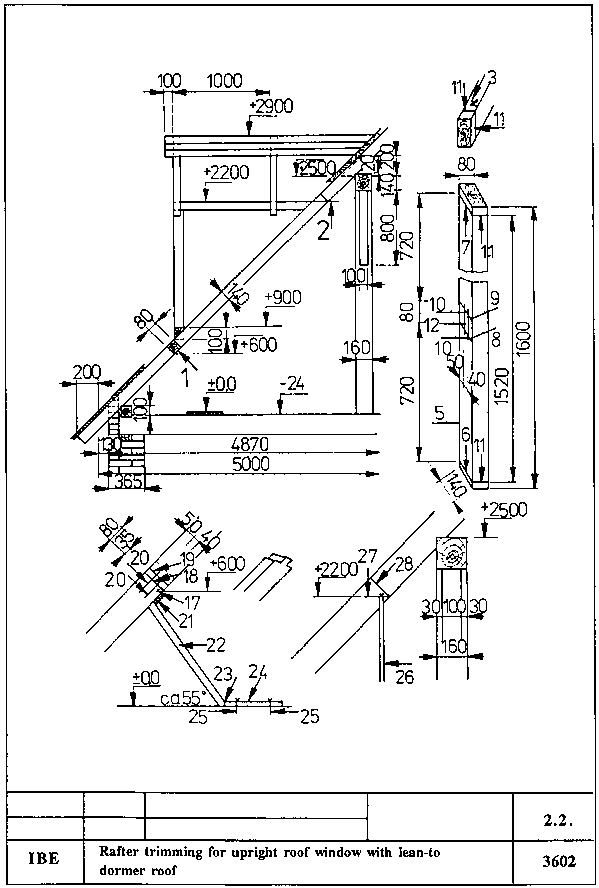
Instruction Example 2.2.: Making a Rafter Trimming

This example teaches how to saw out the rafters of the main roof and build in the parapet trimmings in the area of the existing openings for upright roof windows to be built in, in order to make use of the attic.

Constructional details

- Gable roof as purlin roof.

- Eaves angle: 45 degrees.

- Rafter distance: 800 mm.

- Parapet trimming to be joined with steel squares and hexagon-head wood screws. Tail rafter to be joined with mortise-and-tenon joint.

- Steel squares and hexagon-head wood screws to be supplied.


Figure

Hand tools

Hammer, hatchet, bit brace, insert bits of 6.2 mm and 3 mm, wrench with 10 mm opening, mortise chisel 24 mm, planing chisel 35 mm, beating wood

Measuring and testing means

Folding rule, engineer's square, water-level

Auxiliary accessories

Pencil, trestles, batten of 2200 mm length, cover strap of 700 mm length, 40 mm thickness and 120 mm width, cover strap of 700 mm length, 24 mm thickness and 120 mm width, 3.1/70 nails, 10/40 hexagon-head wood screws of diameter 6, clamp iron

Necessary previous knowledge

Measuring, plumbing, scribing, boring, mortising, planing (smoothing), reading of drawings

Explanations to the working drawing

The identification figures allocated to the arrows correspond to the numbers of the working steps in the working drawing.

Sequence of operations

Comments

1. Store the tools, auxiliary accessories and parapet trimmings in the attic.

Do not store them in the immediate working area - danger of accidents!

2. Erect the trestless and put on the rafter trimmings.

Ensure stability of the trestles!

3. Check the parapet trimmings, decide on the joining side and mark with marking-out mark.

The joining side is the surface of the roof rafters.
Use the slight camber of the timber as joining side!

4. Measure the clearance between the trimmer rafters.


5. Measure the clearance between the trimmer rafters and tail rafters to be produced.


6. Scribe section at left end of parapet trimming and mark with marking-out mark.

Use a sharp pencil and the engineer's square.

7. Measure-in, scribe and mark clearance between trimmer rafters, starting from the scribed section line towards the right.

Place folding rule in parallel with parapet trimming and let folding rule tongues engage properly.

8. Measure-in and scribe measured size between trimmer rafters and tail rafters, starting from the left scribed section line towards the right.

Scribe a thin line and place the engineer's square!

9. Measure-in and scribe mortise length from scribed line 8. towards the right.


10. Measure-in and scribe mortise width.

Measure from the joining side!

11. Transfer the scribed section lines at both ends of parapet transom onto all timber faces.

The scribed section lines must be congruent!

12. Place parapet transom on trestles so that face "1" is on top and then make the mortise.

Ensure firm support on the trestles!
Select the trestle distance so as to prevent tilting-up of the parapet transom during mortising, otherwise there is the danger of accidents!

13. Saw parapet trimming to length.

Saw exactly along the scribed pencil line!

14. Place steel square on both sawn ends of parapet transom, scribe borehole of square and take off square.

Scribe one side first and then the other one.
Place water-level for alignment on cross-grain end of parapet transom and locate steel square flush.
Place water-level with flat side not perpendicular.
When placing water-level ensure complete contact!

15. Pre-bore holes of 3 mm diameter for screwing in the hexagon-head wood screws.

Place bit on centre of scribed holes!

16. Put on steel square, place hexagon-head wood screw and screw it in by wrench.

Do not overturn the hexagon-head wood screw when tightening it, otherwise the steel square will not fit snugly.
Place water-level for alignment of steel square before finally tightening the screws.

17. Place folding rule perpendicularly on tail rafter to be produced and scribe 600 mm size.

Scribe-mark exactly on bottom side of rafter!

18. Scribe section.

Use engineer's square and scribe thin line!

19. Scribe tenon length and mark with marking-out mark.

Tenon length - engineer's square width, measure towards roof ridge!

20. Measure-in and scribe tenon thickness.

Measure from surface of rafter downwards!

21. Nail cleat for stiffening of rafter to bottom side.

Saw off cleat of approx. 200 mm length from cover strap (24 mm thick)!
Nail cleat so as to avoid interference when working the tenon! Drive in three 3.1/70 nails!

22. Determine and scribe inclination of cover strap (50 mm thick) for stiffening of rafter and tack cover strap (24 mm thick) with its end face.

Inclination of about 55 degrees is equal to a ratio of 1 (horizontal) : 1.33 (vertical).
Do not nail but just tack the cover strap (24 mm thick)!

23. Place cover strap for stiffening, scribe face and length and prepare cover strap.


24. Place the prepared cover strap (50 mm thick) under the rafter with one end to contact the cleat and the faced end on the floor. Loosen the tacked cover strap (24 mm thick), shift it to the faced end, drive it towards the eaves angle and nail it on.

Do not pull out the tack-nail off the cover strap!
Put one foot on the cover strap when driving so that it cannot spring back!
Do not hammer over the cover strap when driving -danger of injury!

25. Nail 24 mm cover strap firmly.

Drive in three 3.1 mm diameter nails, 70 mm shank length (nails 3.1/70).

26. Place the 2200 mm batten perpendicularly on the floor contacting the rafter on top. Plumb the batten and scribe the height line on the rafter.

Use a water-level!

27. Continue the height-line scribing horizontally up to the lower edge of the rafter.


28. Scribe the section line and mark it with marking-out mark.

Use the engineer's square for scribing!
Transfer the section line to all four faces of the rafter!

29. Saw out the rafter.

Saw through on top at first strictly following the scribed line! When the lower end is being sawn through, it is absolutely necessary that a second worker secures the rafter piece to be sawn out against turning off, otherwise there is a great danger of accidents.

30. Produce tenon on tail rafter.


31. Plug on parapet trimming with mortise on tenon of tail rafter, hammer and secure it against turning off.

Secure by means of clamp iron. Do not fully drive in clamp iron jaws into the wood to avoid splitting of wood!

32. Align parapet trimming and bore holes through boreholes in screwed-on steel square into one of the two trimmer rafters for screwing-in of hexagon-head wood screws.

Use 3 mm diameter bits!

33. Place hexagon-head wood screws and screw them in by means of wrench.

Do not overturn hexagon-head wood screws when tightening

34. Bore holes in the other trimmer rafter, place hexagon-head wood screws and screw them in by means of wrench.

Before boring, press parapet trimming again towards eaves angle and keep pressing when boring.

35. Complete stiffening of roof rafter, nail cover straps completely, clear working place and prepare for next roof superstructure, place hexagon-head wood screws and screw them in by means of wrench.

Repeat steps 2. through 34!


Rafter trimming for upright roof window with lean-to dormer roof

TO PREVIOUS SECTION OF BOOK TO NEXT SECTION OF BOOK