Back to Home Page of CD3WD Project or Back to list of CD3WD Publications

CLOSE THIS BOOKCentring, Drilling and Counterboring / Countersinking - Course: Techniques for machining of material. Trainees' handbook of lessons (Institut für Berufliche Entwicklung, 22 p.)
VIEW THE DOCUMENT(introduction...)
VIEW THE DOCUMENT1. Purpose of centring, drilling and counterboring/countersinking
VIEW THE DOCUMENT2. Types and application of centring, drilling and counterboring/ countersinking tools
VIEW THE DOCUMENT3. Preparation of centring, drilling and counterboring/countersinking
VIEW THE DOCUMENT4. Centring with the centre square, centre bell and height gauge
VIEW THE DOCUMENT5. Centring with the centre drill
VIEW THE DOCUMENT6. Centring with the turning tool
VIEW THE DOCUMENT7. Drilling with the drill and boring with the boring tool (turning tool)
VIEW THE DOCUMENT8. Counterboring/countersinking with counterbore/countersink and turning tool

2. Types and application of centring, drilling and counterboring/ countersinking tools

The following tools are used for centring, drilling and counterboring/countersinking:

- Centre punch (to punch-mark the centre position).


Figure 7 Centre punch

- Centre drill

· Centre drill type A
(for centring angular or plane end faces of parts).


Figure 8 Centre drill type A


Figure 9 Centre hole type A

1 = d1,
2 = d2;
3 = depth

· Centre drill type B (for centring end faces of parts which are not angular or plane).


Figure 10 Centre hole type B

1 = d1,
2 = d2;
3 = d3,
4 counterboring depth,
5 depth

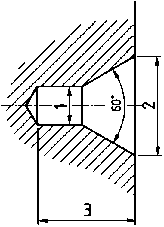
· Centre drill type C
(for centring of parts the end faces of which are not plane and the 60° countersunk holes of which are to be protected against impact).


Figure 11 Centre hole type C

1 = d1,
2 = d2,
3 = d3,
4 counterboring depth,
5 depth

The selection of the centre drill depends on the type of the centre hole required (see Fig. 9 to 11) and on the outside diameter (d) of the part as per table 1.

- Twist drill with straight or taper shank (Twist drills with straight shank up to 10 mm diameter are used for inside machining of parts by means of the drilling technique for dimensions and surface finish with wide tolerances).


Figure 12 Twist drill

1 tool point,
2 recess (lettering),
3 taper shank,
4 tang

Table 1: Application table for centre holes

Diameter range

Hole diameter

Minimum size f1

a

b

d

d1

d2

d3

Type A

Types B, C



up to 4

0.5

1.5

-

1.5

-

2.5

-

4 ... 6

0.75

2.0

-

2.0

-

3

-

6 ..... 10

1

2.5

4

2.5

3

4

0.4

10 ..... 25

2

5

8

5

6

7

0.8

25 ..... 63

3

8

12

7

8

10

1.0

63 ..... 100

5

12

17

11

13

16

1.5

The dimensions apply to finished workpieces only.

- Form drill (to simultaneously perform several operations with no tool change, e.g. step drills).

- Boring bar (for further machining of drilled holes by means of cutter bits).

- Boring tool (or internal turning tool) for corner work (for machining drilled holes requiring high dimensional accuracy and surface finish and for re-centring and counterboring/ countersinking).


Figure 13 Boring tool (internal turning tool) for corner work

- Counterbore/countersink (for deburring, chamfering and enlarging holes).


Figure 14 Countersink

Except for different shapes and the number of cutting edges, there is no essential difference in the basic design of the tools to be used.

TO PREVIOUS SECTION OF BOOK TO NEXT SECTION OF BOOK