Back to Home Page of CD3WD Project or Back to list of CD3WD Publications

CLOSE THIS BOOKRadio and Electronics (DED Philippinen, 66 p.)
8. PASSIVE COMPONENTS
VIEW THE DOCUMENT8.1. RESISTORS ELECTRICAL CHARACTERISTICS
VIEW THE DOCUMENT8.2. CAPACITORS
VIEW THE DOCUMENT8.3. INDUCTORS
8.4. COMBINATION OF PASSIVE COMPONENTS
VIEW THE DOCUMENT8.4.1. SERIES CONNECTION OF R AND C, OR R AND L
VIEW THE DOCUMENT8.4.2. COMBINATION OF L AND C, RESONANT (TUNED) CIRCUITS
8.4.3. TUNED CIRCUIT CONNECTED TO AN AC-VOLTAGE
VIEW THE DOCUMENT(introduction...)
VIEW THE DOCUMENT8.4.4.1. QUALITY OF TUNED CIRCUITS
VIEW THE DOCUMENT8.4.4.2. BANDWIDTH

Radio and Electronics (DED Philippinen, 66 p.)

8. PASSIVE COMPONENTS

8.1. RESISTORS ELECTRICAL CHARACTERISTICS

voltage/ current relation:

The resistor allows a certain current to flow. According to OHMs LAW the current increases proportionally if the voltage is increased


fig. 48

behaviour at changing frequencies:

if an ohmic resistor is connected across an alternating voltage of a varying frequency (while the amplitude of the voltage is kept constant) the current flowing will only depend on the voltage and the resistance of the circuit - not on the frequency.


fig. 49

Main functions of Resistors in Electronics:

1. To control the amount of current flowing in a certain circuit (current path). Example: The current in the circuit will never exceed 40mA.

2. To divide voltages in order to get certain partitions of the original voltage.

3. To translate currents into voltages and vice versa.


fig. 50


fig. 51

Makes of Resistors, used in Electronics:

In general there are two types of it; WIREWOUND and CARBONTYPE resistors.

Wirewound ones are mostly more expensive and need more volume. Therefore they are only used where extremly high powers have to be dissipated. For a power dissipation of less than 3 Watts there are almost exclusively used the so called MOULDED CARBON TYPE resistors. Clay, resin and carbonpowder is mixed in fitting proportions and then the whole mixture is poured into moulds and bibed at very high temperatures. Then the ends of the bodies are given a small metal solder contact at which the leads are bonded or soldered. Mostly those resistors get additionally an insulating cover and the specifications are printed on that cover - Either in form of numbers and letters or in form of colour rings.


fig. 52

Nowadays those resistors are manufactured at a very good standard and most of them within a tolerance of five per cents. It would be not economical to produce them with each and every resistance (like 101, 102, 103 Ohms and so on). Instead of that, they are produced in special rows. The most often appearing row is the so called E 12 series. The specification E 12 means: we find per decade 12 different values each of it having a resistance of about 20% higher than the smaller one (100, 120, 150, 180 and so on).

example:

2 decade: 10/12/15/22/27/33/39/47/56/68/82/10

3 decade: 100/120/150/220/270/330/390/470/560/680/820/1000

and so on......

CHECKING AND HANDLING OF RESISTORS IN ELECTRONIC EQUIPMENT:

If you measure the following values:

You can assume:

No voltage across the resistor while the supply is on:

Either a short circuited resistor or an open circuited one.

A voltage very similar to the supply voltage at a resistor which is connected in series with other resistors:

Either the other resistor is short circuitedor the measured one is borken.

HOW TO REPLACE RESISTORS?

Make sure that the new resistor has:

- the same RESISTANCE and
- the same or a higher power rating.

If you don't have the fitting values available there are possibilities to achieve the intended values by series or parallel connections (but check if the power rating of your resistors is fitting).

VARIABLE RESISTORS

At certain points in a radio we find resistors of which the resistance can be changed. We call them “variable resistors”. The resistance between certain terminals of these resistors can be variated by sliding a slider over the resistor. These variable resistors can be of two different groups:


fig. 53

ADJUSTABLE RESISTORS are variable resistors whose slider can be moved only by means of a screwdriver. Those resistors are normally fixed at positions where under normal service conditions you cannot reach. They are meant for setting the circuit to special values before it is handed over to the customer. During normal service they are not touched anymore.


fig. 54

VARIABLE RESISTORS

(real ones) can be operated by turning a control knob or a control slider and they are fixed so, that the customer can reach them anytime he wants to.

These variable resistors are produced in two different types.

Very often the resistance (wire or moulded carbon) is brought on to the body of the resistor, so that the resistance is changing proportionally to the distance which the handle is moved over the resistor. These types are called the LINEAR VARIABLE RESISTORS.

For special purposes it is sometimes necessary to have a different behaviour of the resistance when moving the slider. For volume controls for example, the LOGARITHMIC VARIABLE RESISTOR is used, because the (turning it halfway seems to decrease the sound for fifty per cent, even though the resistance value has been increased four times).


fig. 55

EXERCISE:

You want to know the current flowing in a resistor on a printed circuit.

You do not want to dissolder the component (because of the reasons explained above).

Therefore you are intending to use an oscilloscope and you want to measure the current indirectly. You find - with setting of the controls as shown in the following figure - a signal as shown on the screen.

The resistor has the following colour rings.

A- gold / B- red / C-green / D- brown.


fig. 56

QUESTIONS

1. What is the resistance of the resistor?

2. What is the peak to peak voltage at the resistor?

3. What is the rms value of the voltage at the resistor?

4. What is the current flowing through the resistor which you would measure at a analogue multimeter if you would dissolder one terminal of the component?

8.2. CAPACITORS

ELECTRICAL CHARACTERISTICS

A) capacitors at dc

EFFECT: If we connect a capacitor to a dc voltagesource there will flow a considerable high current in the first instant. But this current will decrease fast, to lower values and it will be 0 after a relatively short time.

REASON: When first connected to the dc-voltage, the charge on the capacitor is 0. Therefore the voltage source will start to charge the capacitor. The charges brought to the capacitor are electrons pushed to the negative plate, and electrons sucked out of the positive one. As soon as the plates have a charge big enough to stand for the same voltage as it has the source, there is no more potential difference and therefore the current in the circuit must be 0 again.


fig. 57

B) capacitors at ac

EFFECT: For easier understanding let us first imagine not a sinusoidal alternating voltage but a FLAT-TOPPED AC-VOLTAGE one. (This means nothing else than a dc voltage whose polarity is changed over after a certain period of time). In this case we can easily imagine, that there will be a charge current at each change of polarity.

RESULT: There flows a current always if there is a change of voltage.


fig. 58

Now let us observe a SINUSOIDAL AC VOLTAGE:

- After having had a closer look to that ac-voltage we will find, that it is changing all the time except of the two instants at the peaks.

- Applying the results of the findings at the flat-topped ac-voltage we can foresee that the current will now flow all the time because the voltage changes constantly.

- If we have understood that the current flowing in this circuit is depending on the change of the applied voltage we can easily predict, that the amount of current flowing will depend on the velocity of voltage change. (as faster the voltage will change as higher will be the current flowing).

-Applying these modified findings, we can conclude, that the current will have its maximum when the voltage is changing at its fastest rate - and this is the fact at the noughtpoints of the ac-voltage.

Of course between the four points found with the considerations above there are values of the current which form altogether a sinewaveagain. These considerations enable us to explain now two characteristics of an ac-current flowing through a capacitor.


fig. 59

PHASE RELATION

As we see the current is always flowing “earlier” than the voltage is arising.

The current is phase-shifted in relation to the voltage. The current is LEADING

The biggest phases-hift possible is a quarter of a period (or 90 degrees).


fig. 60

FREQUENCY RESPONSE

As we found - the current depends on the change of voltage.


fig. 61

If we compare now two different frequencies with the same amplitude of voltage we can see, that at a higher frequency the change of the voltage must be around the noughtpoint higher than at a lower frequency.

This observation makes it clear that the current at a higher frequency will be higher and therefore we can derive that the ac-resistance which is called IMPEDANCE OF A CAPACITOR IS AS LOWER AS HIGHER THE FREQUENCY CONNECTED IS.

IMPEDANCE/CAPACITIVE REACTANCE

The impedance of a capacitor can be calculated by the formula:

Whereby R is the OHMIC RESISTANCE which is causing “losses” and X is the so called CAPACITIVE RACTANCE which is to be calculated by the formula:

MAIN FUNCTIONS OF CAPACITORS

1. To smoothen the pulsating currents in power supplies. You can also say to “short circuit” ac-components within pulsating dc-voltage. SMOOTHING CAPACITORS


fig. 62a

2. To block dc-voltage and to let ac-curents flow from amplifier to amplifier stage. COUPLING CAPACITORS.


fig. 62b

3. Combined with resistors we find them in so called PASSES which let only pass special frequency ranges.


fig. 62c

4. in combination with inductors for TUNED CIRCUITS, which filter out special frequencies from a certain mixture of signals.


fig. 62d

KINDS OF CAPACITORS

POLYESTER CAPACITORS have almost replaced paper capacitors. They are made in values of 0.01 mikro Farad up to 10 mikro Farad. They are for general purpose use.

MICA CAPACITORS are used in RF circuits and are made in values up to 0.01 mikro Farad.

CERAMIC CAPACITORS have an extremly constant capacity. They are consisting of a ceramic chig which has a layer of metla on both sides.

ELOCTROLYTIC CAPACITOR are made by putting an oxide layer on the surface of an aluminium foil. The other plate of the capacitor is formed by an electrolyte in which the foil is emersed after having been rolled. The oxide is the dieelectric. They are polarized and may exclusively be connected in the fitting direction otheriwse they might explode.

VARIABLE AIR DIEELECTRIC CAPACITORS consist of tow groups of plates made from aluminium sheets. One of the groups is fixed the other one is movable. They can be moved in and out and so change the capacity of the capacitor. They are used only for tuned circuits.

CHECKING AND HANDLING OF CAPACITORS IN RADIO SETS.

Big capacitors are almost always smoothing capacitors and therefore it is possible to measure the voltage at them. It should be under normal conditions near to the supply voltage.

With smaller capacitors it is not possible to measure the voltage, there you can only measure if the capacitors has a high resistance for dc.

If you have to replace a capacitor you have to observe two values:

1. the voltage rating: capacitors are limitted in voltage applicable to them. If there is no fitting replacement. You can connect them in series

2. the capacitor If you don't have a fitting one you can arrange one by connecting several in parallel but keep in mind the voltage rating.

To find the values of a special capacitor you will find either the specifications printed on them, or you find the colour code system, whereby the value found out is in piko Farad.

CHECK YOURSELF:

1. How is a capacitor behaving at dc or ac?
2. How is the phase relation between voltage and current at ac?
3. How is the influence of the frequency on the impedance?
4. What does the term impedance mean?
5. What does the term reactance mean?
6. Which different functions can capacitors be used for in radios?
7. Which different kinds of capacitors for you know
8. What to do in order to check a capacitor in an electronic device?
9. What is necessary to be kept in mind if you want to replace a capacitor.

8.3. INDUCTORS

ELECTRICAL CHARACTERISTICS OF INDUCTORS

A) Inductors at dc

If we connect an inductor to a dc-voltage-source we will find: it takes some time till the current has reachted its full value. The amount of current flowing at last will be depending only on the voltage connected and the ohmic resistance (the resistance of the wire).


fig. 63

B) Inductor at ac

If we connect the same inductor to an ac-voltage of the same magnitude than the dc was, we find a much smaller current flowing.

We know, that the resistance of the copperwire will not have changed. But we know too, that in every circuit the current is governed by Ohm's Law.

So the decreased current is only possible if the ac-voltage has somehow decreased in the circuit.

We know too that in a coil in case of change of current is produced a so called BACK-EMF.

Applying this knowledge we can assume the shape of the back emf. It will be slightly smaller but exactly inverse to the original voltage. The rest of the voltage left over is necessary for the resistance of the copperwire. We know too that the amount of back emf is depending on the change of current in the coil. Applying this we can state: the current must have its fastest changes when the back emf has its maximum. So the back emf has an opposite direction the current must change positively to produce a negative back emf and vice versa. Also we can state: the current must not change anyhow while the back emf is “0”. We have got now four conditions for the shape of the current flowing in the circuit of an inductor connected to an ac-voltage. We can easily foresee, that the current will flow in the shape of a sinewave.


fig. 64

We can also predict some facts about the phase relation between voltage and current.


fig. 67

PHASE RELATION

As we concluded above at an inductor the current must be LAGGING BEHIND THE VOLTAGE. The biggest phaseshift possible is 90 degrees. But this value cannot be reached in practice.

FREQUENCY RESPONSE

As we found the back emf depends on the change of the current. If the frequency of the sinewave is higher we will find a faster change of current, and therefore there will be produced a bigger back emf.

So we can derive: as higher the frequency as lower will be the current - this means as higher the frequency as higher the impedance of the inductor.

The impedance of the inductor is to be calculated by the formula:

And the inductive reactance of the inductor can be calculated by the formula:

MAIN FUNCTIONS OF INDUCTORS

Inductors can be divided into two main groups:

A) LOW- (or audio-) FREQUENCY INDUCTORS. They are used for smoothing the dc of the supply or for letting through only audio frequency and to cut off high frequencies.


fig. 68

B) HIGH- (or radio-) FREQUENCY INDUCTORS They are used in tuned circuits and for aerial coils onferrite rods. They are small compared with those of group A and often they do not even have an ironcore.


figure

If the frequency is very high the wires are mode out of a lot of extremly thin strands in order to avoid the so called “skin effect”.

SPECIALITIES:

A) Sometimes we find in superhet receivers for cars instead of variable capacitors so called variable inductors used for the tuned circuits.

B) To cut off very high frequencies in wires entering a special part of a radio or another electronic equipment, there are used simple pearls of ferrite which are just put on the wire.

CHECKING AND HANDLING OF INDUCTORS

The possibilities to check an inductor by simple means are very limitted.

With a normal AVO-meter we can just measure the ohmic resistance across the two terminals. But we will hardly read more than 10 Ohms. Mostly we will measure values near “0” Ohms and if we find that, we can be sure that the wire is at least not broken, but we do not know

- if there is short circuited winding, or
- if there is anything wrong with the ironcore.

These kinds of faults can cause very considerable changes of the inductivity of the inductor.

If we suspect a fault like that we can only replace the inductor by one of the same type, or we have to measure the impedance of it at the frequencies it is meant for.

PLEASE KEEP IN MIND: There are always found inductors with an iron core which resembles a screw. They are meant for adjustment but....

NEVER TRY TO ADJUST THESE INDUCTORS ONLY FOR FUN AND WITHOUT MEASURING THE SIGNALS PRODUCED! YOU WILL MISALIGN THE RADIO!!

NEVER TOUCH THE IRON CORES WITH A NORMAL SCREWDRIVER. YOU MIGHT MAGNETIZE IT, AND THAN IT WILL NOT WORK PROPERLY ANYMORE.

CHECK YOURSELF

1. What are passive components

2. Compare the behaviour of a) resistors, b) capacitors, d) inductors at ac voltages with different frequencies.

3. Explain the term phaseshift and state which kind of phaseshift we find at a) resistors, b) capacitors and c) inductors.

8.4. COMBINATION OF PASSIVE COMPONENTS

8.4.1. SERIES CONNECTION OF R AND C, OR R AND L

If a series connection of a resistor and a capacitor, or of a resistor and an inductor is connected across an ac-voltage they stand for two different impedances. Leaving aside that the capacitor and the inductor have always a small ohmic resistance, we can simplify the situation by looking at them at first as solely capacitive or inductive reactances Xc or X1.

Recollecting our knowledge about phase relations at L and C, we find that the voltages appearing in the circuits shown in fig. 69 must have special relations. As we know:


fig. 69

In a series connection of resistances the curent in both components is equal.

Intending to draw a phasor diagram we start therefore with the phasor of the current Itot. We know in both circuits the voltage at the resistor Vr must be exactly in phase with that current.

While the voltage at the capacitor must be lagging for 90 degrees in relation to the current and the voltage at the inductor must be leading for 90 degrees. As we know too: phasors are added geometrically.


fig. 70

Therefore the overall voltage Vtot will be found by shifting the start of Vr up to the end of Vc or V1 and by drawing a line from the noughtpoint up to the end of Vc or V1 we get the overall voltage Vtot necessary to let the current Itot flow through the circuit.

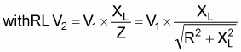
The voltages found at those components are depending on Ohm's Law, therefore Vr = I x R, Vc = I x Xc, and V1 = I x X1

These formulas demonstrate too: the relation between the voltages is equal to the relation between the reactances. In order to get an imagination of the behaviour of one of those circuits we can therefore draw instead of the voltage-triangle a triangle made up from the resistance, the reactance and showing the overall impedance.


fig. 71

This triangle shows very clearly: the impedance of the circuit can be calculated by using the old formula of PHYTHAGORAS. This combination introduced here can be used for so called PASSES.


fig. 72

If we observe how the OUTPUT VOLTAGE is changing while the frequency of the INPUT VOLTAGE is increased over a certain range we observe that the output voltage is:

- either changing from low to high values (HIGH-PASS)
- or from high values to low values (LOW-PASS)

The combination of R and C or R and L offers four different possibilities depending on where the components are positioned.


fig. 73


fig. 75a


fig. 75b

As we can see from the graphs showing the outputvoltage is not suddenly cut off totally at a special frequency, but the outputvoltage is fading out over a wide range of frequency.

We can calculate the output-voltages at various frequencies at each PASS-combination by the following formulas:

“HIGH” - Passes

“LOW” - Passes

Nevertheless for technicians it is necessary to compare different passes in relation to their ability to pass or to cut off the input signal.

Therefore there was defined a certain “LIMITTING FREQUENCY” which is considered as the frequency from which on the output-voltage is defined as “cut-off”. This limitting frequency is reached if the output-voltage is equal or lower than 70.7% of the input-signal. This limiting frequency can be calculated by the following formulas:

limit frequency
with RC - combinations

limit frequency
with RL - combinations

CHECK YOURSELF.

1. What does the term PASS mean 7

2. What is the difference between a HIGH - and a LOWPASS.

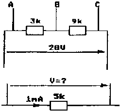
3. An RL Highpass should have a limitting frequency of 120 Hz. You have a coil with 150 mH. What is the resistance necessary for this pass.

4. What is the limitting frequency of a Low pass which is consisting of a resistance R=120 Ohms and a capacitor of 2 mikroFarad?

5. The limitting frequency of an amplifier should be 28 Hz. The coupling-capacitor. The coupling-capacitor has a capacity of 4.7 nF. Which resistance must have the resistor?

8.4.2. COMBINATION OF L AND C, RESONANT (TUNED) CIRCUITS

Combinations of inductors and capacitors have always a special characteristic referring to their RESPONSE to different frequencies. If we want to understand their behaviour we have two main possibilities:

FREE OSCILLATING CIRCUIT

Let us suppose a capacitor is charged with a certain voltage. As soon as this capacitor is connected across an inductor there starts to flow a current. The amount of current is slowly increasing because of the self-induced voltage across the coil.


figure


figure


figure

On the one hand this current is discharging the capacitor which lets drop the voltage of the capacitor. On the other hand the increasing current is building up a magnetic field around the coil. The current will reach its maximum just when the capacitor is discharged totally. At that very instant the voltage at the capacitor is Cero while the current is at its maximum, and therefore the magnetic field has its maximum too.


figure

There is no charge left at the capacitor, therefore the capacitor cannot deliver any current anymore. Combinations of inductors and capacitors have always a special characteristic referring to their RESPONSE to different frequencies. If we want to explain their behaviour we have two main possibilities:

FREE OSCILLATING CIRCUIT

Let us suppose a capacitor is charged with a certain voltage.

As soon as this capacitor is connected across an inductor there starts to flow a current. The amount of current is slowly increasing, because of the selfinduced voltage across the coil.

On the one hand this current is discharging the capacitor which lets drop the voltage of the capacitor. On the other hand the increasing current is building up a magnetic field around the coil.

The current will reach its maximum just when the capacitor is discharged totallyted across an inductor.

At that very instant the voltage at the capacitor is Cero while the current is at its maximum, and therefore the magnetic field has its maximum too.

There is no charge left at the capacitor, therefore the capacitor cannot deliver any current anymore. The current will have to vanish, but it will not stop to flow immediately. As soon as the current will be Cero the magnetic field must have vanished too. But before this can be the case, the magnetic field has to collapse first. The collapsing field will induce a voltage across the coil which will have a direction opposite to the voltage connected to it when the current started to flow.

This selfinduced voltage will cause a current to flow. This current will have the same direction as before, and it will charge the capacitor again but now in opposite direction.

As soon as the magnetic field has vanished totally the capacitor will be charged again to a voltage of the same amount as it was in the beginning, but in opposite direction.

Now the same process will start again, and cause a second halfwave of a sinusoidal ac-current and voltage. Summarizing: If we inject some electric energy to a parallel connection of a capacitor and an inductor there will appear an ac-voltage across the circuit with a frequency depending on the inductance and on the capacity.

But in reality these oscillations will fade out very soon, because the current flowing in this circuit to and for has to pass some obstacles. So for example the resistance of the wires forming the coil, or the resistance of the interconnecting wires. There will vanish also some of the charges stored in the capacitor by moving through the insulating dieelectricum.

All in all, after a short time we will find no more oscillations.

We can explain this effect also from another point of view:

ENERGY CONSIDERATIONS

If we look at the process explained in the last chapter from the point of view of energy, we will find that this LC combination is behaving very similar like a pendulum.


fig. 77


fig. 78

A pendulum starts with a lifted mass which means there is POTENTIAL MECHANICAL ENERGY

When released, the mass gains more and more velocity during its movement downward to the lowest point. In terms of energy: the potential energy is turned into CINETIC ENERGY.

This cinetic energy will cause the mass moving on upwards after passing the lowest point and - by moving upward again - turning the cinetic energy back into POTENTIAL MECHANICAL ENERGY.

TUNED CIRCUIT

Starts with seperated charges on the plates of the capacitor which means ELECTRIC ENERGY.

Once connected to the inductor, the capacitor starts to discharge and push current through the inductor. The current will cause a magnetic field in the inductor and - as soon as the capacitor is totally discharged - the former electric energy is turned into MAGNETIC ENERGY.

So the capacitor is free of charges now, it cannot supply any current anymore, and therefore the magnetic field starts to collapse now.

The collapsing magnetic field induces a voltage and causes the current to go on flowing as before.

This will charge the capacitor no in opposite direction as before. This effect goes on till the capacitor is charged again and the magnetic field has been turned into ELECTRIC ENERGY again.

CHECK YOURSELF:

1. Describe the construction of a tuned circuit.
2. Describe what happens in such a circuit after some energy into it.
3. Explain the similarities between pendulum and resonant circuit.
4. What is the reason for the fast vanishing of oscillations in such a circuit?

8.4.3. TUNED CIRCUIT CONNECTED TO AN AC-VOLTAGE

SERIES TUNED CIRCUIT AT AC

If we connect an ac-voltage source across an LC combination as shown in fig. 79 This can be looked at as a series connection of two impedances connected to an ac-voltage source.


fig. 79

To simplify the problem we can ommit first the ohmic parts of the two components and concentrate on the reactances only. We know, that their reactances are depending on the frequency of the voltage they are connected to. Refering to a series connection of resistors and the rule, that the overall resistance of two resistors connected in series is the some of the two original resistances, we can easily derive that the overall impedance of that series connection will be the sum of the two original reactances.


fig. 80

If we do the addition of the two reactances by graphical means, as shown in fig. 80 we find, that the overall impedance will have high values at deep and at high frequencies, and it will have a minimum at a certain frequency. This certain frequency is called the RESONANT FREQUENCY or the TUNED FREQUENCY and it will be exactly that frequency at which the reactance of the inductor and the reactance of the capacitor will be equal. Summing up our findings we can also say: the current in this circuit will be maximum at the resonant frequency.

PARALLEL-TUNED CIRCUIT AT AC

If we want to derive, what happens in a parallel combination of an inductor and a capacitor, connected to an ac-voltage (as shown in fig. 81), we can again use the graphical method.


fig. 81

But this time we have to add the ADMITTANCES of the reactances of the two components to find the overall admittance in that circuit.

The admittances equal the reciprocal of the reactance. Adding the values of the admittances we get as the overall admittance Ytot. But we should not forget, that this represents the overall admittance, and in order to be able to compare it with our findings in the chapter before we have to turn this graph into a graph representing the overall impedance which is again the reciprocal value of the admittance. The result is shown in fig. 81. And we find that here the impedance has a peak value exactly at the so called resonant frequency.

SUMMARIZING

SERIES TUNED CIRCUITS HAVE A MINIMUM IMPEDANCE AT RESONANT FREQUENCY!

PARALLEL TUNED CIRCUITS HAVE A MAXIMUM IMPEDANCE AT RESONANT FREQUENCY!


fig. 82

THE RESONANT FREQUENCY

Up to now we do not know, how to calculate the resonant frequency, for any combination of an inductor and a capacitor. As we stated above, the resonant frequency appears if the reactance of the inductor equals the reactance of the capacitor.

Therefore it is easy to derive the formula for the resonant circuit.







8.4.4.1. QUALITY OF TUNED CIRCUITS

For radio technology tuned circuits are mainly means to filter out a special frequency from a spectrum of frequencies. Therefore radio technicians would wish it would be possible to construct tuned circuits with a graph as shown in fig. 83. A tuned circuit with such a characteristics gle frequency. But a tuned circuit in reality will never have such a characteristics. Its characteristics will always be much smoother.


fig. 83

But different combinations of different inductors and capacitors, will show different characteristics. And it is now necessary to differentiate them.

To find out the quality of a tuned circuit mostly we use a connection like shown in fig. 84. If we vary the frequency of the ac-source we will measure changing voltages at the voltmeter. This can be understood very easy if we look at the circuit as a series connection of a resistor and a tuned circuit of parallel type.


fig. 84

Recollecting the overall impedance of the parallel type we can easily predict that the current at resonant frequency will be minimum and therefore the voltage V at the Voltmeter will be maximum. If we plot these values, we find also for the resonant frequency certain resistance in the tuned circuit. This resistance is called the RESONANT RESISTANCE.


fig. 85


fig. 86

If we imagine we would connect additional resistances in parallel and we would repeat the same experiment, we can predict too, that the graphs get as flatter as lower the parallel resistance gets. A flatter graph shows that the circuit is less able to filter. The QUALITY of tuned circuits can be calculated by the following formulas:

parallel Tuned circuit:

series Tuned circuit:

8.4.4.2. BANDWIDTH

Sometimes it is important to have a tuned circuit which lets through not only a single frequency, but a whole bond of frequencies. In this case it could be important to have a flatter graph. To be able to define the bandwidth of tuned circuit, there is again taken the value of 0.707 as limit. This means it the output voltage has dropped to 70.7 % of the output at fres the limit is reached.

CHECK YOURSELF

1. What is the difference of a series and a parallel tuned circuit?

2. What is the meaning of the terms: resonant frequency. Quality, bandwidth?

3. You have found in a radio a parallel connection of a capacitor of 10nF and an inductor with 100mH. What is the resonant frequency?

4. You want to built a tuned circuit for MW. You have a variable capacitor of 500pF. What inductance must the coil have? (500pF is the maximum value of the variable capacitor).

TO PREVIOUS SECTION OF BOOK TO NEXT SECTION OF BOOK