Back to Home Page of CD3WD Project or Back to list of CD3WD Publications

CLOSE THIS BOOKDigital Teaching Aid (DED Philippinen, 86 p.)
Flip-Flops - Lesson 7
Lesson Plan
VIEW THE DOCUMENT(introduction...)
VIEW THE DOCUMENTIntroduction
VIEW THE DOCUMENTRS Flip-Flops
VIEW THE DOCUMENTD - Flip-Flop (D-FF)
VIEW THE DOCUMENTJK Flip-Flop (JK-FF)
VIEW THE DOCUMENTWorksheet No. 7

Digital Teaching Aid (DED Philippinen, 86 p.)

Flip-Flops - Lesson 7

Lesson Plan

Titel: Flip-Flops

Objectives:

- Understand the Flip-Flop principle
- Know the three basic Flip-Flops (RS, D, JK)
- Able to analyze timing diagrams

Time

Method

Topic

Way

Remark



* Review Lesson 6





* Introduction





* RS Flip-Flops





* Clocked RS-FF





* Timing diagram





* D-FF





* FF switching time





* JK-FF





* JK-MS-FF





* Review exercise


Worksheet No. 7


S: Speech
D: Discussion
Q/A: Question/Answer
F: Exercise


B: Boardscript
P: Picture
Ex: Example
HO: Hands-On
WS: Worksheet
HT: Hand-Out


Introduction

Flip-Flops

Sometimes there is a need of digital devices or circuits whose output will remain unchanged, once set, even if there is a change in input.

RS Flip-Flops

A Flip-Flop is a bistable electronic circuit that has two stable states.

Þ Output is either 0 or 5V dc

The Flip-Flop can be regarded as a memory device. It can be used to store one binary digit at the output.


Fig. 7-1: RS Flip-Flop, logic circuit and device symbol

HO: What is the truth table for the circuit above?

Solution:

Fig. 7-2: Truth table, RS Flip-Flop

R

S

Q

Action

0

0

Last value

No change

0

1

1

Set

1

0

0

Reset

1

1

?

Forbidden

If both inputs (R, S) are high at once, the output can not be determined before; therefore, it is a forbidden state.

Ex: Create a RS Flip-Flop with NAND gates.


Fig. 7-3: RS Flip-Flop with NAND gates

Note: The inputs (R, S) are indicated with an overbar so they are inverted.


Fig. 7-4: Logic symbol, RS Flip-Flop with inverted inputs

Clocked RS Flip-Flop


Fig. 7-5: Clocked RS Flip-Flop

This Flip-Flop ca be enabled or disabled.

ENABLE ® low: R and S will have no effect on the output

ENABLE ® high: R and S inputs will be directly transmitted to the output


Fig. 7-6: Logic symbol, Clocked RS Flip-Flop

Timing diagram

A timing diagram is a drawing to determine the time dependent actions of logic devices.


Fig. 7-7: Timing diagram of a clocked RS Flip-Flop

Fig. 7-7 shows that the inputs (R, S) effect the output (Q) only when the clock signal (CLK) is high.

RS Flip-Flop application: Bounce free switch

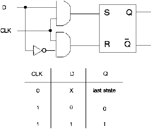
D - Flip-Flop (D-FF)

The generation of two signals to drive a Flip-Flop is a disadvantage in many applications. This has led to the D-FF, a circuit that needs only a single data input.


Fig. 7-8: D Flip-Flop, logic circuit and truth table

CLK ® low: D can change without effect on the output

CLK ® high: Q is forced to equal the value of D

Ex: Create a 4 bit data memory with D-latches (D-FF).


Fig. 7-9: Data storage with D-FF

In Fig. 7-9, when the clock goes high, input data is loaded into the Flip-Flops and appears at the output.

Suppose the data input is:

D3 D2 D1 D0 = 1 0 1 0

When the clock goes high this 4 bit word is loaded into the D-latches, resulting in an output of:

Q3 Q2 Q1 Q0 = 1 0 1 0

Flip-Flop switching time


Fig. 7-10: Timing diagram, FF switching time

tset:

Minimum of time that the date bit must be present before the clock edge hits (because of stray capacitance)

thold:

The data bit has to be hold long enough for the internal transistors to switch.

tp:

Switching time, diodes and transistors cannot switch states immediately. (some nanoseconds)

JK Flip-Flop (JK-FF)

Flip - Flops can be used to build counters, JK-FF are the ideal elements for that purpose.


Fig. 7-11: JK-FF, logic circuit

Ex: What is the truth table for the circuit above?

Fig. 7-12: Truth table, JK-FF

CLK

J

K

Q

X

0

0

last state

­

0

1

0

­

1

0

1

­

1

1

toggle

J and K ® low:

Both AND gates are disabled, clock pulses have no effect. Q retains its last value.

J ® low, K ® high:

The upper gate is disabled, only reset is possible (unless Q is already reset).

J ® high, K ® low:

The lower gate is disabled, only set is possible (unless Q is already high).

J and K ® high:

Set or reset is possible, the Flip-Flop will “toggle” on the next positive clock edge. Toggle means to switch to the opposite state.


Fig. 7-13: JK-FF's, logic symbols

Preset (PR) and Clear (CLR) are input signals to get a definite start point.

JK Master-Slave FF (JK-MS-FF)


Fig. 7-14: JK-MS-FF, logic circuit

Regardless what the master does, the slave copies it. The slave copies the master on the negative clock edge. This circuit provides a way to avoid racing.


Fig. 7-15: JK-MS-FF, logic symbol

Available as TTL device: 74 LS 76

Worksheet No. 7

No. 1 A JK master slave FF has its inputs tied to + 5V, and a series of pulses are applied to its CLK input Describe the Q output.


Figure

No. 2 The signal drives a clocked RS - FF. If Q is low before point A in time: At what point does Q becomes a 1? What does Q reset to 0?


Figure

No. 3 Use the information in the preceding problem and draw the waveform Q.

No. 4 The signal drives a D-FF. What is the value of stored in the FF after the clock pulse is over?


Figure

No. 5 A normal JK-FF, J = K = 1. A 1 MHz is applied to the CLK input it has a propagation delay tp of 50 ns. Draw the input squarewave and the out put expected at Q. Be sure to show the propagation delay time.

TO PREVIOUS SECTION OF BOOK TO NEXT SECTION OF BOOK