Back to Home Page of CD3WD Project or Back to list of CD3WD Publications

CLOSE THIS BOOKElectrical Machines - Basic vocational knowledge (Institut für Berufliche Entwicklung, 144 p.)
4. Synchronous machines
4.1. Operating principles
VIEW THE DOCUMENT4.1.1. Synchronous generator
VIEW THE DOCUMENT4.1.2. Synchronous motor
4.2. Constructional assembly
VIEW THE DOCUMENT4.2.1. Stator
VIEW THE DOCUMENT4.2.2. Rotor
4.3. Operational behaviour
VIEW THE DOCUMENT4.3.1. Synchronous generator
VIEW THE DOCUMENT4.3.2. Synchronous motor
4.4. Use of synchronous machines
VIEW THE DOCUMENT4.4.1. Synchronous generators
VIEW THE DOCUMENT4.4.2. Synchronous motors

Electrical Machines - Basic vocational knowledge (Institut für Berufliche Entwicklung, 144 p.)

4. Synchronous machines

4.1. Operating principles

4.1.1. Synchronous generator

Alternating-voltage generator

A sine-shaped alternating voltage can be generated very simply by utilising the arrangement set out in Figure 30 by means of the induction effect (U0 = c · F · n)

The sine-shaped voltage is attained through a conductor loop in the parallel homogeneous magnetic field. The conductor loop ends are connected to the slip ring and the voltage is fed to the operating means by carbon brushes.


Figure 30 - Model of an alternating voltage generator (inner-pole machine)

1 Current direction

The same effect is produced if a stationary induction coil is shifted to within the sphere of a rotating magnet.


Figure 31 - Model of an alternating voltage generator (external pole machine)

The voltage induction in the synchronous generator can be attained by the generation of a magnetic flow in

- stationary stators and rotating induction winding (external pole machine), or

- in the rotating magnetic stand and stationary induction winding in the stator (inner-pole machine).

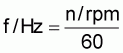
Every rotation of the conductor loop induces a period of alternating voltage. Where the rotation ensues within a second there is one period per second, that is to say, a frequency of one Hz. Given n rotations per minute, that is to say n/60 rotations per second, there is initially a frequency of

This equation, moreover, shows that proportionality prevails between the frequency of the generated voltage and the speed. This explains the name “synchronous generator”.

Where a four-pole arrangement (two north poles along with two south poles) is employed, there arises a period of alternating voltage in the event of a semi-rotation of the magnets.


Figure 32 - Interdependence of pole pair number and frequency in a synchronous generator

(1) Two-pole generator, (2) Four-pole generator

1 Winding beginning, 2 Winding end, 3 Voltage, 4 A cycle, 5 A rotation = two cycles, 6 A rotation = one cycle, 7 Coil, 8 Coil connection

The following then applies:


p = pole pair number
p = one two-pole machine
p = two four-pole machine etc.

Thus, the greatest speed at which f = 50 Hz is therefore n = 3000 rpm (p = 1).

Three-phase generator

Figure 33 initially depicts the basic arrangement of a two phase alternating voltage generator.


Figure 33 - Principle of the two-phase alternating voltage generator

1 Casing, 2 Stator, 3 Field spider, 4 Beginning winding one, 5 End winding one, 6 Beginning winding two, 7 End winding two

Two coils (resp. four half coils) are positioned spatially within 90 degrees on the circumference of a common stator ferromagnetic circuit.

By means of a rotating electromagnet (field spider) out-phased voltages of like amplitude and frequency are induced temporally within 90 degrees in these windings. These can be dropped off directly at the windings.


Figure 34 - Two-phase alternating voltage

1 Voltage, 2 Winding voltage, 3 Voltage of winding two

Where three coils are shifted spatially within 120 degrees in an alternating voltage generator and distributed within the range of a common stator circuit, a rotating (electro)magnet induces three displaced voltages temporally within 120 degrees.


Figure 35 - Principle of the three-phase alternating generator

1.1. Winding one beginning
1.2. Winding one end
2.1. Winding two beginning
2.2. Winding two end
3.1. Winding three beginning
3.2. Winding three end


Figure 36 - Three-phase alternating voltage

1 Winding one voltage, 2 Winding two voltage, 3 Winding three voltage, 4 Voltage

This principle was first cited in 1885 by Ferraris. (Galileo Ferraris, 1847-1897, Italian physicist and electrical engineer).

4.1.2. Synchronous motor

In a motor stator - given the simplest contingency - a rotating field is yielded by three coils displaced within 120 degrees through which current flows from three streams displaced over 120 degrees. Where there is a field spider of a synchronous machine in the rotating field, force actions make themselves felt between the north pole of the rotating field and the south pole of the field spider resp. between the south pole of the rotating field and the north pole of the field spider. One could imagine rubber threads (field lines) strung up between the rotating field and the field spider.

The rotating field propels the field spider and both run at the same speed. This is why the motor is called a synchronous motor.

4.2. Constructional assembly

4.2.1. Stator

Synchronous machines may be either inner or external pole machines (Cp Figure 9). As direct current power required for excitation is relatively small as compared to alternating current energy, it is more economical to feed the rotors via slip rings with direct voltage. Alternating voltage can then be fed through permanent terminals, resp. tapped off. For this reason inner pole machines are generally manufactured.

Synchronous machines are mainly inner pole machines.

The stand of the inner pole machine comprises a steel casing containing a lamella pack with magnetically high-grade iron.

The windings are housed in the inner-positioned grooves. In the case of the single-phase machine these are distributed around some two thirds of the total circumference whereas, in the case of a three phase synchronous machine, three coils have each been displaced spatially within 120 degrees.


Figure 37 - Stator winding of a two-pole inner-pole synchronous machine Legend as for Figure 35


Figure 38 - Stator winding of a four-pole inner-pole synchronous machine

L1; L2; L3 Three-phase conductor
N Neutral conductor
4 Star point 1.1. to 3.2. as for Figure 35

4.2.2. Rotor

As regards rotor shape, one differentiates between the turbine and salient pole machines. Both rotor types feature a magnetic constant field. For this reason the rotor iron need not be a lamella pack.

The rotor of the turbine-type machine is called a non-salient pole rotor. It is cylindrically set up, rather long and has a relatively small diameter of up to some 1200 mm. A non-salient pole rotor only has a relatively small number of poles. Mainly it only features one pole pair, that is to say a north and south pole. As this machine mainly runs on alternating voltage of f = 50 Hz, this results in a considerable rotor speed. Thus, for example, a synchronous machine with one pole pair and alternating current at a frequency of f = 50 Hz, requires a speed of 3000 rpm.


Figure 39 - Two-pole non-salient pole rotor

The salient pole machine features a field spider with distinct poles which bear the exciter winding. This is relatively short and has a big diameter of some 10 m. The considerable number of pole pairs yield speeds of 60 rpm to 750 rpm given alternating voltage at a frequency of f = 50 Hz.


Figure 40 - Six-pole salient pole rotor

1 Field spider

4.3. Operational behaviour

4.3.1. Synchronous generator

Voltage generation

Figure 41 sets out the interrelationship between the generated voltage U0, the terminal voltage U and the ohmic load current.


Figure 41 - Interdependence of induction voltage U0(1) and terminal voltage U(2) given differing active current IW(3)

4 Voltage

In order to retain the required, constant terminal voltage, the generated voltage must be supplied.

According to the generator equation

U0 = O · F · n

one can determine the induced voltage in the synchronous generator.

As the frequency is speed-dependent according to the equation

and, generally speaking, a constant frequency is required by energy consumers, it is only possible to control the voltage U0 by means of the exciting current Ie:

Ie ® F ® U0

The exciter current is set by means of field voltage plate resp. carbon regulator, tyrill regulator or electronic facility.

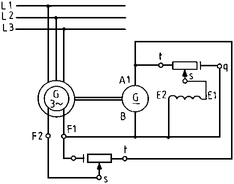
Figure 42 shows a synchronous generator with a self-exciting direct current generator. The circuit diagram indicates that the current can be set from zero to maximum. A short-circuit terminal q has also been provided for the exciter circuit of the synchronous generator. Switching off excitation cannot ensue through immediate interruption of the exciting circuit as induction leads to voltage peaks. Moreover, even where the exciting circuit has been short-circuited by means of a terminal q, voltage peaks corresponding to normal operating value arise in the operational winding through residual magnetism.


Figure 42 - Circuit of a synchronous generator

L.1; L.2; L.3 conductors
A; B; E and F generation connections (terminal board)
q; s; t controller connections

The following should be heeded when setting the voltage in synchronous generators:

- where the setting ensues manually, the exciting current must be reset slowly;

- where a generator is to stop working, then in all cases shift the slider of the field voltage plate to the short-circuit terminal q.

Isolated operation

Synchronous generators are sometimes run in isolated operation. A number of important installations, for instance transmitting units of the postal and telecommunication services, must continue operations in the event of a power failure. Consequently, for this reason, standby generator sets have been installed in many works and institutions. These standby units ensure power supplies if the national grid fails. The drive machines of these standby units are mainly diesel motors which drive a synchronous generator along with the accompanying, self-exciting generator. We differentiate between three load categories. The synchronous generator can be loaded either with active current, inductive or capacitive reactive current. Figure 43 indicates the terminal voltage yielded according to the load.


Figure 43 - Load characteristic lines of a synchronous generator

1 Voltage, 2 Current, 3 Rated current, upper curve U = f (I) given capacitive load and lower curve U = f (I) given inductive load

Thus, one can deduce that the exciting current must be continuously set given a required, constant terminal voltage.

Rigid network operation

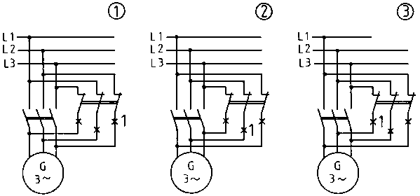
Where a synchronous generator feeds power to a network whose voltage also remains constant in the face of load differences, then one refers to a rigid network machine. Generally speaking several generators operate within such a network, for instance, as is customary for energy generation in power stations. One also refers to parallel or compound operation. Where several or merely one generator works within the network, then the following must be heeded when switching on the second resp. subsequent generator:

- The frequency of the generator to be added must conform with the network frequency!

- Network voltage and generator voltage must feature identical values. The phase position of both voltages must concur.

- The correct phase sequence L1-L2-L3 of the network and the generators to be switched on must be checked!

Special measuring devices resp. circuits have been devised to ensure that these conditions are adhered to or, as one says, that the generator to be switched on is “synchronized”.

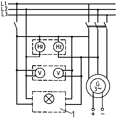
The most frequently employed measuring devices are the double frequency measuring unit, the double voltage measuring device and the synchronoscope. The double frequency measuring unit contains two vibration measuring devices independent of one another, which indicate network frequency as well as the frequency of the generator to be switched on. Both frequencies can be read off simultaneously. The correct frequency is attained by setting the speed of the drive machine of the generator to be synchronized. Switching on must always ensue at the same frequency as, otherwise, the generator and/or the drive machine may be damaged. The double voltage measuring unit has two iron moving instruments independent of one another which indicate the voltage of the network and the generator. Voltage setting of the generator ensues through the exciting current. In order to control the phase position and phase sequence one can utilise light, dark or mixed circuits; the latter is also called light-dark circuit. The three circuits feature in Figure 44. The lamps are generally arranged in circular formation for better observation.


Figure 44 - Circuits to synchronize three-phase generators

(1) Bright connection, (2) Dark connection, (3) Mixed connection
1 Lamps

The light circuit shall be switched on when all three lamps light up brightly at the same time. In this conjunction note that the lamps are brightest given a 60 degree phase shift between generator and network. The circular arrangement of the lamps yields a rotating light reflex where the frequencies of the network and the generator do not concur. The speed of the generator drive machine is controlled in line with the rotation of the rotating light reflex. The rotational speed of the light reflex is a measure for the difference between network and generator frequencies. The rotational speed of the light reflex is a measure for the difference between the network and generator frequencies. The direction indicates whether the generator is running too quickly or too slowly.

The generator to be switched on has been positioned in the correct phase position in the network - given synchronizing dark connection - if all three lamps light up and extinguish simultaneously. If this is not the case, then two connections should be interchanged. Generator switching on ensues when all three lamps extinguish.

Where the lamps have been arranged in circular position within a mixed circuit, they light up one after the other and the light reflex wanders in accordance with the either too low or too great generator frequency. Switching on occurs when the lamp H1 extinguishes and lamps H2 and H3 light up brightly.

As synchronizing with these cited circuits is a troublesome business, power stations utilize a so-called synchronoscope. The synchronoscope indication ensues through an indicator which is controlled by two systems operating in accordance with the induction principle. The indicator is furthermore illuminated by a phase lamp in synchronizing bright connection. By this yields an optical impression of the rotational movement of the indicator is achieved according to which the speed controls of the prime mover ensue in line with the indicator movement. Figure 45 shows a customary circuit for synchronization.


Figure 45 - Circuit for synchronizing a three-phase generator

1 Synchronoscope

4.3.2. Synchronous motor

Starting

The rotating field immediately runs at low inertia once a stator winding of the synchronous motor is connected to the three-phase mains. Conversely, the field spider cannot follow at once because of its inertia mass. Constantly alternating north and south poles of the rotating field continuously cross the north pole of the field spider and give rise to pulsating force actions in the one or other direction. In this manner the synchronous motor does not develop a “starting torque”. For this reason a starting winding in the rotor is used.


Figure 46 - Starting winding of the synchronous rotor

1 Rods, 2 Rotating field, 3 Spur ring

This starting winding consists of aluminium or copper rods positioned in axial direction through the pole shoe and short-circuited at the ends through end rings. As the rotating field rotates a torque is attained (see short-circuit rotor principle) which causes the machine to accelerate. Switching on the exciting current draws the motor into the synchronous run of the rotational field.

Rated operation

The envisaged “rubber threads” (Cp 4.1.2.) stretch more and more. The synchronous speed is always retained. The synchronous motor does not alter its speed given an increased load.


Figure 47 - Speed-torque curve of the synchronous motor

1 Speed, 2 Torque, 3 Rated torque, 4 Breakdown torque, 5 · n = f (M)

Where the load is increased substantially over and beyond the rated torque, the magnetic coupling forces are no longer able to draw the rotor in to the synchronous run of the stator rotating field. One can imagine that the “rubber threads” could easily tear through such overload. The rotor “gets out of step”.

This takes place according to machine type overload between 1.5 and 1.9 times above the rated torque (breakdown torque MK).

4.4. Use of synchronous machines

4.4.1. Synchronous generators

Synchronous generators are the basis of overall power generation. They are used in thermal power stations in conjunction with steam turbines as turbogenerators. Their range of performance extends up to 1500 MVA and a voltage of 10.5 kV. The turbines of water power stations operate at lower speeds as steam turbines. The adoption of synchronous generators along with a 50 Hz network presupposes the employment of multi-pole machines which come as salient-pole machines. Water force generators (hydrogenerators) are also constructed for relatively low speeds up to powers of 500 MVA.

4.4.2. Synchronous motors

Synchronous motors are used to drive pumps and compressors above all in the chemical industry and as drives for rotating tubular furnaces. There is also a combined application of bigger synchronous machines as motor and generator in pump storage plants. The synchronous machine is coupled to a water tube and a pump. Due to low network loads it operates as a motor and pumps water into a raised basin. During peak network load spells this water is able to run back into the lower basin by means of a turbine. The synchronous machine then operates as a generator.

Questions for repetition and control

1. Given a speed of n = 60 rpm, a synchronous generator shall generate an alternating voltage at a frequency of f = 50 Hz. How many pole pairs are required?

2. What is the operating frequency of a synchronous machine with two pole pairs where the rotor evidences a speed of 1500 rpm?

3. How can the voltage of a synchronous motor be changed?

4. Which conditions must be heeded for parallel switching of synchronous generators?

TO PREVIOUS SECTION OF BOOK TO NEXT SECTION OF BOOK