Back to Home Page of CD3WD Project or Back to list of CD3WD Publications

CLOSE THIS BOOKElectrical Machines - Basic vocational knowledge (Institut für Berufliche Entwicklung, 144 p.)
8. Transformer
8.1. Transformer principle
VIEW THE DOCUMENT8.1.1. Operating principle of a transformer
VIEW THE DOCUMENT8.1.2. Voltage transformation
VIEW THE DOCUMENT8.1.3. Current transformation
8.2. Operational behaviour of a transformer
VIEW THE DOCUMENT8.2.1. Idling behaviour Idling features
VIEW THE DOCUMENT8.2.2. Short-circuit behaviour
VIEW THE DOCUMENT8.2.3. Loaded voltage behaviour
VIEW THE DOCUMENT8.2.4. Efficiency
8.3. Three-phase transformer
VIEW THE DOCUMENT8.3.1. Three-phase transformation with single-phase transformers
VIEW THE DOCUMENT8.3.2. Three-phase transformers
VIEW THE DOCUMENT8.3.3. Vector groups
VIEW THE DOCUMENT8.3.4. Application of three-phase transformers in power supply
VIEW THE DOCUMENT8.3.5. Parallel operation of transformers
VIEW THE DOCUMENT8.3.6. Technical data of customary transformers

Electrical Machines - Basic vocational knowledge (Institut für Berufliche Entwicklung, 144 p.)

8. Transformer

8.1. Transformer principle

8.1.1. Operating principle of a transformer

Transformers are stationary electrical machines which transmit energy from systems with certain current and voltage values into systems with generally different current and voltage values but with identical frequency.

Two separate windings are on the same iron core.

Following connection to alternating voltage U1 there is a standstill current I0. The magnetomotive force Q = I0 · N1 generates a magnetic alternating flow (F1) in the iron core.

The input and output winding of an alternating voltage are induced in accordance with the induction law. A self-induction voltage U10 arises in the input winding. It is counter-positioned in accordance with Lenz’s law on applied voltage. During idling operation - because of mutual induction - there arises the output voltage U20 which is simultaneously the terminal voltage U2.

U1~ ® I0~ ® Q0~ ® F1~ ® U20~

The value of the induced voltage is derived from the following equation:

max. flow density

AFe

limb cross-section

U0

induction voltage

f

frequency

N

number of turns

The induction voltage increases along with the number of turns, the magnetic flow density in the iron core, the iron cross-section and the frequency.

Example:

Which maximum flow density occurs in an iron core of 16 cm2 cross-section when a voltage of 380 V (50 Hz) is applied to the primary coil with 980 turns?

Given: AFe = 16 cm2; N1 = 980; U1 = 380 V; f = 50 Hz

Sought:

Solution:





» 1.09 V · s · m-2

» 1.09 T

The iron core evidences a maximum flow density of 1.09 T.

8.1.2. Voltage transformation

A few field lines already close before reaching the output coil (Figure 125) so that flow F1 can be divided into a maximum flow FK which saturates both coils and a leakage flow FS.

The leakage flow may be ignored in regard to the unloaded transformer (idling). Therefore the following applies:

According to the transformer equation

and

.

If we relate both equation then

Shortening gives us

During idling no current flows into the output winding, thus there is no voltage decrease. Consequently the induced voltage U20 equal to the terminal voltage U2 (Cp Figure 125):


Figure 125 - Transformer principle

1 Input winding/upper voltage winding/primary winding, 2 Output winding/under voltage winding/secondary winding

U20 = U2

In the event of minimal idling current I voltage decrease in the input winding is negligibly minimal. We therefore have

U10 = U1

which results in

The voltages behave like the numbers of turns.

The interrelationship of the numbers of turns is known as the transformation ratio Ü. We have:

The rated voltages U1n and U2n are indicated on the rating plate of the transformer.

Example:

What secondary terminal voltage arises in a transformer where 380 V is applied to the primary winding of 980 turns and the secondary winding has 594 turns?

Given: U1 = 380 V; N1 = 980; N2 = 594

Sought: U2

Solution:



U2 » 230 V

8.1.3. Current transformation

Load behaviour of the transformer

If the transformer is output-loaded, current I2 flows into coil N2. Current I2 generates the magnetic flow F2K. According to Lenz’s Law this magnetic flow is counter-positioned to the cause (F1K).


Figure 126 - Loaded transformer

In this manner the magnet flow F1K is weakened and induction voltage U10 decreases. Given uniform rated voltage, the difference increases between the two voltages U10 and U1.

Consequently, a greater input current I1 flows whereby the magnetic flow F1K is increased. The magnetic flow F in the iron core thus remains virtually constant:

F = F1K - F2K = constant

This also applies to the output voltage of the transformer.

The input current I1 increases as the load current I2 becomes greater.

Transformation ratio

Without heeded the losses of the transformer, the following applies according to the energy conservation law:

s1 = s2

U1 · I1 = U2 · I2

If we arrange the equation so that the voltage and current values appears on respective sides, then

.

The following relationships may be cited for current ratio:

Conversely the currents are proportional to the voltages or numbers of turns. A transformer converts high currents into low ones or low currents into higher ones.

Example:

A welding transformer takes up 220 (current being 10A). The output voltage is 20V. How great is the welding current?

Solution:


I2 » 110A

8.2. Operational behaviour of a transformer

8.2.1. Idling behaviour Idling features

A transformer idles where mains voltage U1 remains applied to the primary side whilst no consumer is connected to the secondary side (Za) (Figures 125/126).

Primary circuit

U1 applies


I0 flows (idling current)

Secondary circuit

Za = ¥


I2 = 0


U2 = U20

Idling current

The applied voltage U drives the idling current I0. This is needed to establish the magnetic field Iµ. This lags behind the voltage U1.


Figure 127 - Indicator image for idling operation

1 Iron loss current IFe

The phase position of the idling current I0 to voltage U1 can be determined according to the circuitry of Figure 128.


Figure 128 - Circuitry to determine idling losses

1 Rated voltage

The value of idling current I0 is between 2 and 5 per cent of idling current in big transformers and up to 15 per cent in smaller transformers.

No-load curve

The idling curve I = f (U1) in Figure 129 indicates that no-load current I0 increases proportionally to the input voltage U1. No-load current increases markedly over and beyond the input rated speed U1n. It can, moreover, even attain values greater than the rated current.


Figure 129 - Idling curve of a transformer I0 = f (U1)

Transformers shall not be driven by voltages greater than the rated voltage.

Idling losses (iron losses)

The active power derived from the circuit in Figure 128 can only be transformed into heat in the input winding and iron core as no current flows into the secondary winding during idling. The active power P0, which is converted into heat in the iron core, is made up of eddy current and hyteresis loss.

The following example shows that the iron losses almost always arise during idling.

Example:

The following idling values were measured in a transformer:

U1n = 220 V; I0 = 0.5 A; P0 = 40 W; R1 = 3.

What percentage of winding losses are contained in idling power?

Solution:

P0 = PVFe + PVW

PVW = 0.75 W

PVFe = P0 - PVW = 40 W - 0.75 W = 39.25 W

Thus, the power loss determined during idling is an iron loss.

Iron losses are determined during no-load operation and are independent of load.

8.2.2. Short-circuit behaviour

Short-circuit curves

Secondary current I2 increases if load resistance is decreased. Where Za = 0 the transformer has been short-circuited.

Primary circuit

U1 is applied


IK flows

Secondary circuit

Za = 0


U2 = 0

Short-circuit voltage

The short-circuited transformer can be replaced by resistor Z1 which corresponds to the transformer internal resistor.


Figure 130 - Short-circuited transformer

1 Short-circuit current IK

Figure 131 depicts the commensurate duplicate circuit diagram.


Figure 131 - Duplicate circuit diagram for short circuit run

1 Ohmic winding resistance, 2 Scattered reactance (is made up of the scatter flow of the input and output coils), 3 Inner resistance of the transformer (impedance)

During a short-circuit attempt (Figure 132) the input voltage given a short-circuited output winding is increased until primary and secondary nominal currents flow. The voltage applied to the input side is then the short-circuit voltage UK.


Figure 132 - Circuitry to determine short-circuit losses

1 Short circuit voltage

The short-circuit voltage is the overall voltage decrease of a transformer during rated loading.

The relative short-circuit voltage UK in % is determined by the following equation:

The relative short-circuit voltage is, on average, 2 to 10% of input rated voltage (U1n) in mains transformers.

Short-circuit losses (winding losses)

In the short-circuit experiment (Figure 132) a power meter indicates short-circuit losses as the primary and secondary rated currents generate winding losses. The iron core is only slightly magnetised by the applied short-circuit voltage (UK U1).

The winding losses can be metered during the short-circuit experiment. They are dependent on the load current (PVW = I2 R).

8.2.3. Loaded voltage behaviour

In contrast to operational idling, during loading the secondary circuit is closed through an external resistance Za (Figure 126). Secondary current I2 flows. According to the energy conservation law the transformer must also take up commensurate primary power, thus a primary current I1 also flows.

Primary circuit

U1 is applied


I1 > I0

Secondary circuit

Za < ¥


I2 > 0


U2 ¹ U20

Voltage curve U2 = f (I2)

As the curve in Figure 133 shows, terminal voltage U2 decreases during loading.


Figure 133 - Voltage behaviour during loaded operation U2 = f (I)2

1 UK small, 2 UK big

Figure 134 depicts the duplicate circuit diagram for the loaded transformer.


Figure 134 - Duplicate circuit for the loaded transformer with a transformation ratio Ü = 1:1

The duplicate circuit diagram corresponds to a transformer with a transformation ratio

As rated current flows the short-circuit voltage UK decreases at the internal transformer resistance Zi as a result of which the terminal voltage U2 declines by the power decrease of the short-circuit voltage UK.

Transformers with considerable short-circuit voltage UK have powerful internal resistors, that is to say pronounced voltage changes as load alters.

UK = 2...10%

minimal voltage losses


voltage-rigid behaviour

UK = 20...50%

considerable voltage losses


voltage-flexible behaviour

Example:

A 220/42 V transformer has a short-circuit voltage of 10%.

How great is the voltage change between idling and rated current loading?

Solution:

Output voltages at differing loads

Given differing loads with ohmic, inductive or capacitive external resistance gives rise to the dependence of output voltage on load current as shown in Figure 135.


Figure 135 - Secondary terminal voltage depending on the degree and nature of loading

1 Idling, 2 Rated load

Given capacitive load, the output voltage may even be greater than no-load voltage.

The output voltage of a transformer depends on the

- degree of load current I2
- the magnitude of relative short-circuit voltage
- the nature of the load (ohmic, inductive or capacitive).

8.2.4. Efficiency

Efficiency represents the ratio of power output to power input.

Efficiency is determined by the separate loss indication.

Pin = Pout + PVFe + PVW

Pout

rated power of the transformer given


cos j = 1 (resistive load)

PVW

metered winding losses in short-circuit trial

PVFe

metered iron losses in no-load trial

The following equation applies for determining efficiency for partially inductive or capacitive load:

Example:

Given:

Sn = 100 kVA
PVFe = 570 W
PVW = 2.1 kW
cos j = 0.85

Sought: h

Solution:

8.3. Three-phase transformer

8.3.1. Three-phase transformation with single-phase transformers

For economical reasons the transmission of electric power these days is not undertaken by single-phase systems but by three-phase systems. Thereby, three-phase alternating voltage has to be transformed into another, like frequency and number of phases. The transformation is possible by means of three identical single-phase transformers.

The resultant voltages must not only possess the same value but shall also evidence a mutual phase displacement of 120 degrees.

Consequently, the mains connection of the single-phase transformers must ensure a delta or star circuit despite the spatially separate installation of electric primary and secondary winding connections.


Figure 136 - Transformation through three single-phase transformers

In view of their size, big transformers of this kind come as so-called three-phase (transformer) bank. They are generally added by a fourth single-phase transformer. This latter unit constitutes the reserve and can be switched on if another transformer fails.

Material and space requirements are usually too great for medium and small power units for this kind of transformation. The constructional fusion into a unit leads to substantial material economies.

8.3.2. Three-phase transformers

Core transformers are most frequently constructed.

An input and an output coil each have been positioned on the common limb. Following three-phase mains connection the three input coils along with three-phase consumers, can be linked up into a star (Y) or delta (D) connection.


Figure 137 - Three-phase transformer in Yy circuitry

1 Upper voltage winding
2 Under voltage winding

8.3.3. Vector groups

Circuitry of windings

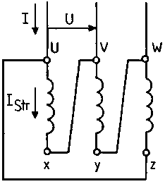
- The primary and secondary circuits of the three-phase transformer each consist of three strands. These three strands can form a delta connection if the terminals x, y and z are connected to v, w and u.


Figure 138 - Delta connection

In the delta connection the conductor voltage U equals the phase voltage U. Strand current is made up thus:

- Where the terminals x, y and z are interconnected we obtain a star circuit.


Figure 139 - Star connection

As opposed to the delta circuit, phase voltage is phase and conductor current values are identical.

- A special kind of star connection is the zigzag connection which, however, is only very rarely employed.

Phase position of upper and undervoltages

- The delta and star connection of the upper and under voltages yields the following combinations:

Yy

Yd

Dy

Dd

The designation Yy indicates that the upper and undervoltage windings have been star-connected. Yd denotes uppervoltage winding as star and undervoltage winding as delta.

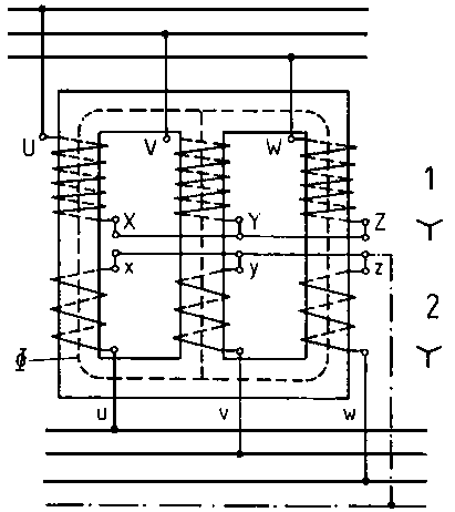
Figure 140 indicates that these designations are not final.


Figure 140 - Connection options of a star-star circuit

(1) Upper voltage windings, (2) Undervoltage windings

Circuits 1 and 2 and 3 and 4 are identical; however, both groups differ as regards the phase position of under to upper voltage. The upper and undervoltage windings of circuits 1 and 2 feature opposing winding senses. As a result, in line with the transformer principle, there is no phase displacement between upper and lower voltage.


Figure 141 - Voltage indicator for the voltages 1 and 2 of Figure 140

The windings of circuits 3 and 4 possess the same winding sense. For this reason there is a phase displacement of 180 degrees between upper and undervoltage, that is to say the voltages are counter-directed to each other.


Figure 142 - Voltage indicator for circuits 3 and 4 of Figure 40

Consequently any comprehensive vector group designation must not only indicate winding circuits but also data pertaining to the phase position of the voltages.

The example of the star delta connection shows how to determine the phase position from the circuit diagram.


Figure 143 - Star-delta connection

The circuit diagram is added by the phase voltages (I, II, III, 1, 2, 3) whose indicators are always directed towards the terminals. The uppervoltage indicators (I, II, III) are inserted into a twelve-segment circle which serves as construction aid (Figure 144). The position of the indicator can be varied ad lib; however, amongst themselves they should heed a mutual phase displacement of 120 degrees and the winding circuit (star). The position of the under voltage indicator is determined by the uppervoltage indicator. The circuit diagram shows that the undervoltage indicators are counter-directed to the uppervoltage indicators (indicator 1 counter to indicator 1 etc.). Where the indicators 1, 2 and 3 are inscribed into the twelve-segment circle heeding the (delta) undervoltage winding circuit, the position of the undervoltage terminals u, v and w are stipulated. The phase position of like-named conductor voltages, for example between the upper-voltage terminals U, V and the undervoltage terminals u and v can now be derived from the indicator figure. In our example the undervoltage lags behind the upper voltage by 150 degrees.


Figure 144 - Indicator of a star-delta connection

A phase displacement of the undervoltage against the upper voltage of 30 degrees in each case, from zero; 30; 60 etc. up to 360 (0) degrees can be attained through varying linkage of the delta and star connections. However, in practice, one sticks to those connections where the displacement is 0; 150; 180 and 330 degrees. Thereby angle indication does not ensue directly but by means of a so-called index. This is derived from the division of the phase angle by 30 degrees.

Vector group designation

Vector group = circuit + index

Example:

Yy0

Y star connection of the uppervoltage winding OS


y star connection of the undervoltage winding US

0 30 degrees =

0 degrees phase displacement

Dy5

D delta connection OS


y star connection US

5 30 degrees =

150 degrees phase displacement

The index indicates by how many times of 30 degrees the undervoltage lags behind the upper voltage

Standardized vector groups

Survey 21 focuses attention on the most common of the 12 vector groups.

Survey 21 - Standardized vector groups of three-phase transformers

Vector group circuit

Circuit diagram

Indicator image

Transformation ratio

Dy5

Yd5

Yz5

Yy0

8.3.4. Application of three-phase transformers in power supply


Figure 145 - Utilisation of transformer vector groups in power supplies

1 Power station generator, 2 Machine transformer, 3 Network transformer, 4 Distribution transformer, 5 Substation transformer

Block and machine transformers

- Block transformers along with a generator make up one unit. They establish the connection between the generator and the high-voltage side.

- Machine transformers operate in the same manner as block transformers whereby, initially, several generators work together on a bus bar.

- Preferred vector group for both transformers is Yd5.

Mains transformers

- Mains transformers function as a link between transmission networks of differing voltage planes, e.g. between the 380 kV and 220 kV mains.

- Network transformers are preferred in the Yy0 vector group.

Distribution and urban network transformers

- Distribution transformers link the transmission network to the consumer system.

- Urban network transformers are transformers whose undervoltage is less than 1 kV. Particular significance accrues to supplying the asymmetrically loaded urban network.

- The vector group Dy5 is suitable for urban network and distribution transformers.

8.3.5. Parallel operation of transformers

Basic information on parallel operation

The extension of existing electrotechnical installations makes it necessary to parallel connect further transformers to the existing ones.

Excessive transmission ratings may also necessitate multiple operation of several transformers.

Parallel operation signifies the upper and undervoltage inter-switching of several transformers.

Conditions for parallel operation

In order to prevent the transformers being preloaded or subject to unequal load distribution amongst themselves because of compensating currents, the following conditions must prevail:

- the vector group must have the same index figure

- same transformation ratio

- same short circuit voltages U. They shall not deviate by more than 10 per cent from one another

- rated power ratios should not be greater than 3 : 1.

8.3.6. Technical data of customary transformers

The surveys 22 and 23 feature the index figures of several mains and distribution transformers.

Survey 22 - Characteristic values of distribution transformers (three-phase oil transformer)

Rated power

kVa

100

160

250

400

630

1000

1600

Rated uppervoltage

kV

(6; 10; 15; 20)

(6; 10; 15; 20; 30)

(6; 10; 15; 20; 30)

Adjustment range

%

± 4

± 5

± 5

Rated undervoltage

kV

(0.231; 0.4; 0.525)

(0.4; 0.525)

(0.4; 0.525; 6.3)

Idling losses

W

380

550

700
(740)

1000
(1050)

1450
(1550)

2200
(2400)

3200
(3400)

Short circuit losses

W

2200
(2300)

2900
(3200)

4400

5900

7800

11000

16000

Short circuit voltage

%

3.8
(4)


6

6

6

6

6

Dimensions length a 1

mm

1110

1260

1810
(1870)

1980
(2040)

2110
(2170)

2300
(2350)

2650
(2800)

width b

mm

640

800

800
(880)

1100

1100

1000

1000

height h1

mm

1420

1590

1870
(1900)

1950
(2000)

2215
(2255)

2490
(2600)

2700
(2775)

Oil filling

kg

215

300

470
(570)

620
(700)

755
(860)

1150
(1250)

1550
(1750)

total weight

kg

790
(800)

1070
(1080)

1520
(1680)

2020
(2200)

2620
(2850)

4000
(4250)

5750
(5950)

Vector group

-

(Yy0; Yz5)

(Yy0; Dy5)

(Yy0; Dy5)

Survey 23 - Characteristic values of dry-type transformers

Rated power

kVa

63

100

160

250

400

630

1000

Rated upper-voltage

kV

(2; 3; 5; 6; 10; )

(2; 3; 5; 6; 10; )

rated under-voltage

kV

(0,231; 0,4; 0,525)

(0,4; 0,525)

Rated frequency

Hz

(50)

(50)

Idling losses

W

580

750

900

1200

1750

2500

2900

Short-circuit losses

W

1330

1700
(1780)

2570
(2750)

3200

5250

6500

10400

Short-circuit voltage

%

(3, 8(4))

(6)

Figure 146 serves as an example of the dimensional size of a three-phase oil transformer.


Figure 146 - Oil transformer for the 250 - 16000 kVA range

1 Oil level, 2 Thermo-pockets, 3 Oil removal device, 4 Converter, 5 Eye bolt, 6 Earthing screw, 7, 8 Oil opening, 9 Buchholz relay, 10 Stop valves (from 1000 kVA onwards), 11 Shoulder hooks, 12 Hoisting points, 13 Variable dimensions

Questions for revision and control

1. Describe the basic construction and range of a transformer.
2. How can iron and winding losses be determined in a transformer?
3. How can short-circuit voltage be determined?
4. Which factors cause a voltage drop in a transformer?
5. What is the significance of the index figure in vector group data? Which index figures are cited?
6. Which are the most common vector groups and for which purposes are they used?
7. Name the parallel switching conditions.

TO PREVIOUS SECTION OF BOOK