Back to Home Page of CD3WD Project or Back to list of CD3WD Publications

CLOSE THIS BOOKCircuits, Formulas and Tables Electrical Engineering - Basic vocational knowledge (Institut für Berufliche Entwicklung, 201 p.)
9. Circuits in Motor Vehicles
VIEW THE DOCUMENT(introduction...)
VIEW THE DOCUMENT9.1. Battery Charge
VIEW THE DOCUMENT9.2. Ignition Systems
VIEW THE DOCUMENT9.3. Starting Aid for Diesel Engines
VIEW THE DOCUMENT9.4. Turn-signal Flasher

Circuits, Formulas and Tables Electrical Engineering - Basic vocational knowledge (Institut für Berufliche Entwicklung, 201 p.)

9. Circuits in Motor Vehicles

Block diagram

The block diagram represents the simplified circuit. Only the essential parts are taken into consideration. The devices are copied by means of rectangles or squares and properly marked.


Figure

Terminal diagram

The terminal diagram represents the electrical connection between the devices. Thus it allows the exchange of products, devices and parts of devices. The components are represented with the corresponding lines, junctions and terminal designations.


Figure

Circuit diagram

The circuit diagram is the detailed representation of a circuit. It represent the operating method of an electrical system or of single devices. The devices are drawn in their basic setting and in dead condition.


Figure

9.1. Battery Charge


General wiring-diagram


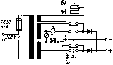
Battery charger 6/12 V switchable


Battery charger 6/12 switchable with built-in charge indicator lamp and measuring instrument

9.2. Ignition Systems

Battery-ignition systems


General wiring diagram

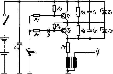
Transistorized ignition systems


General wiring diagram


Variants of transistorized ignition systems (A)


Variants of transistorized ignition systems (B)


Transistorized ignition (Bosch)

9.3. Starting Aid for Diesel Engines


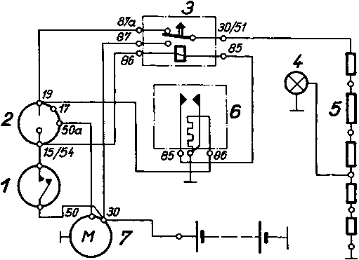
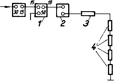
Terminal diagram of a preheating system

1 glow-plug and starter switch, 2 glow-plug indicator, 3 ballast resistor, 4 glow plugs


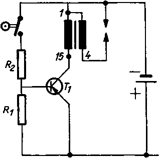
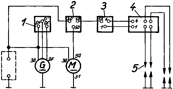
Preheating with automatic re-annealing after starting

1 headlamp-ignition switch, 2 glow-plug and starter switch, 3 contactor, 4 charge indicator lamp (as glow-plug indicator), 5 resistor, 6 time-delay switch, 7 starter

9.4. Turn-signal Flasher


Turn-signal flasher with two turn-signal lamps and indicator lamp


Turn-signal flasher with three turn-signal lamps and turn-signal lamp


Turn-signal flasher with three turn-signal lamps and two turn-signal lamps

TO PREVIOUS SECTION OF BOOK TO NEXT SECTION OF BOOK