Back to Home Page of CD3WD Project or Back to list of CD3WD Publications

Index.htm Thr480.htm

 

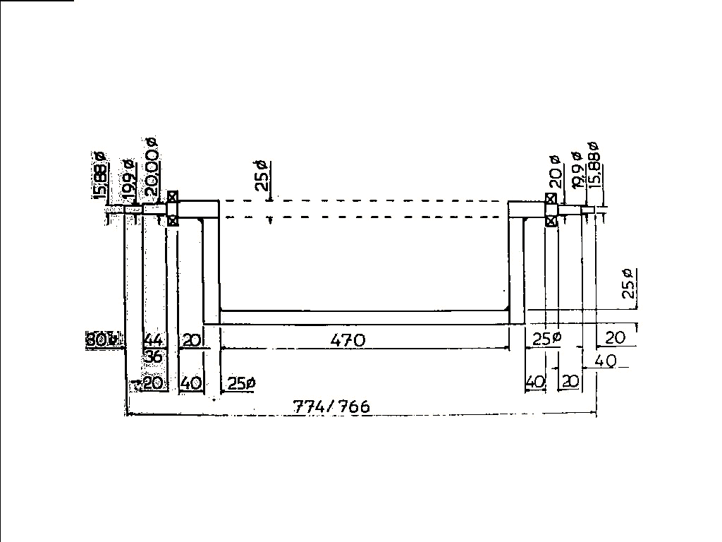
PEDAL THRESHER / MILL - CRANKSHAFT ASSEMBLY, 2 PIECES, MILD STEEL