Back to Home Page of CD3WD Project or Back to list of CD3WD Publications

Index.htm Thr380.htm

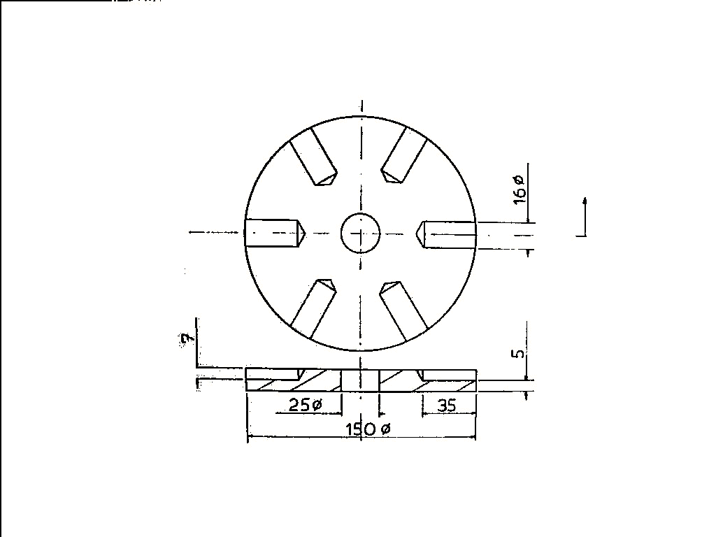
PEDAL THRESHER / MILL - SPOKE HUB, ALTERNATIVE DESIGN, 2 PIECES, MILD STEEL