Back to Home Page of CD3WD Project or Back to list of CD3WD Publications

Indice - Precedente - Siguiente


Mechero de bunsen

 

Materiales requeridos para la construcción

1. 5 1/2" de tubería de cobre de 5/16" de diámetro.
2. Aguja de inyección.
3. Pedazo de madera de 3/4" x 3" x 5".
4. Dos pedazos de madera de 3/4" x ," x 2 1/2"

Procedimiento para la construcción

1. Perfore un agujero de 1/2" de diámetro en el centro del pedazo de madera de 3/4" x 3" x 5".

2. En uno de los pedazos mencionados en (2) de la sección anterior, perfore un agujero de 1/4" a 1/2" del extremo, en el medio de su ancho de 3", de la manera que se muestra en el diagrama

3. Perfore un agujero de 3/16" completamente a través de la tubería de cobre, a 1" del extremo.

4. Fabrique un soporte para el mechero uniendo las piezas de 3/4" x 3" x 2 1/2" a la pieza que sirve como base, de la manera que se muestra en el diagrama.

5. Corte el corcho a un espesor de 1/4" y perfore una agujero de 1/4" en el centro.

6. Perfore un agujero de 1/4" en el centro del pedazo de zuncho.

7. Una la tubería de cobre al agujero de 1/4" en la base, asegurándose de que los agujeros de 3/16" se encuentren exactamente sobre la madera.

8. Rompa el extremo de una aguja de inyección cortándola con una lima pequeña. Inserte el cabo de la aguja en la tubería de polietileno (del tanque de seguridad); luego introdúzcala a través de (1) el zuncho y (2) el corcho. Pase la tubería a través del agujero en la plataforma y hacia dentro de la tubería de cobre.

9. Clave el zuncho y el corcho al fondo de la plataforma. Ver el diagrama.

10. Haga que la punta de la aguja llegue exactamente al medio o fondo de lo agujeros de 3/16" en la tubería de cobre.

11. Corte dos agujeros de 3/16" en un pedazo de hojalata de 1 1/2" de longitud y 5/16" de ancho de manera que sean concéntricos a los agujeros en la tubería de cobre. Envuelva la hojalata alrededor del tubo de cobre de manera que quede bastante ajustada. La entrada de aire del mechero puede ser regulada rotando la pieza.

12. Tome 10" de alambre de calibre 32 y enróllelo en una bola de un diámetro de aproximadamente 1/2". Coloque la bola a la mitad del tubo de cobre. Esto le ayudará a obtener una llama pareja para su mechero.

Tanque de gas y mechero de bunsen

 

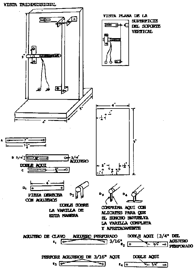
Telégrafo

Materiales requeridos para la construcción

1. Un pedazo de madera de 1" x 4" x 9".
2. Un pedazo de madera de 1" x 4" x 5".
3. 3 metros de alambre de cobre esmaltado de calibre 24.
4. Una varilla de hierro dulce de 1 cm. de diámetro y 2 1/2" de longitud.
5. Zuncho de metal.
6. Diez pernos de 3/16" con tuercas.

Procedimiento para la construcción

1. Corte y lije los pedazos de madera mencionados en 1 y 2 de la sección anterior.

2. Perfore agujeros de 3/16" en el soporte vertical de la manera que se muestra en el diagrama.

3. Clave el soporte vertical al centro de la base y barnice las piezas.

4. Corte cinco pedazos de zuncho de metal en las siguientes longitudes: un pedazo de 7 1/2", un pedazo de 2 1/2", dos pedazos de 1 3/4" y un pedazo de 4 1/2".

5. En el pedazo de 7 1/2", perfore dos agujeros de 3/16" con exactamente 7" entre sus centros.

6. Perfore un agujero de 3/16" en uno de los extremos del pedazo de zuncho de 2 1/2". En el otro extremo haga un corte a lo largo del eje longitudinal del pedazo de zuncho de 1 1/4" de longitud y 3/16" de ancho. En un punto exactamente 1 3/4" del centro del agujero, doble el zuncho en un ángulo de 90 .

7. Perfore un agujero en cada extremo del pedazo de zuncho de 4 1/2". Doble este pedazo de zuncho alrededor de la varilla de hierro que usará como el núcleo del electroimán y apriete el zuncho en el punto donde los dobleces se encuentran. En consecuencia, el zuncho deberá amoldarse exactamente a la forma de la varilla, y los extremos del zuncho deberán encontrarse y ser comprimidos junto con los agujeros alineados en el extremo. Doble la parte baja detesta pieza de tal manera que el centro de la varilla de hierro se encuentre a 3/4" sobre el soporte vertical.

8. Perfore un agujero de 3/16" cerca de cualquiera de los extremos de uno de los pedazos de 1 3/4". Abra un agujero con un clavo a 1/2" del otro extremo. Doble la pieza formando un ángulo de 90 a 3/4" del centro del agujero de 3/16".

9. En el otro pedazo de 1 3/4", perfore un agujero de 3/16" en cada extremo. Haga el ángulo de 90 a 3/4" de uno de estos agujeros.

10. Coloque el pedazo de zuncho de 4 1/2" que sostiene la varilla de acero en el costado izquierdo del soporte vertical, de la manera que se muestra en el dibujo. Emperne las piezas al soporte vertical.

11. Ajuste el pedazo de 2 1/2" en el agujero al lado superior izquierdo del soporte vertical, de la manera que se muestra en el diagrama. Cuando el perno se encuentre flojo, el zuncho deberá deslizarse libremente a lo largo de lo ranura.

12. Clave el pedazo de 1 3/4" (el que tiene el agujero hecho con el clavo) al costado superior derecho del soporte vertical. Ver el diagrama. Esta pieza deberá estar en línea recta con la pieza en la parte superior. Esta pieza se utiliza para brindar un apoyo a las piezas movibles del telégrafo.

13. Emperne el otro pedazo de 1 3/4" al agujero en el costado inferior derecho del soporte vertical. Emperne el brazo mas corto de esta pieza.

14. Con un perno de 3/16" y 3/8" de longitud, asegure el pedazo de zuncho de 7 1/2" de la manera que se muestra en el diagrama. Coloque un perno de 3/16" de 1/4" a 3/8" de longitud en el agujro en el otro extremo y ajústelo con una tuerca. Esto servirá como "martillo" de la pieza movible.

15. Dejando libre aproximadamente 5", enrolle todo el alambre de cobre alrededor de la varilla de hierro de manera ordenada. Nota: no cubra con el alambre aproximadamente 1" da uno de los extremos de la varilla para que este extremo pueda ser utilizado en el soporte de zuncho de metal,

16. Retire el aislamiento de los extremos del alambre y únalos a los pernos de contacto en la parte inferior del soporte vertical.

17. Conecte una o, como máximo, dos pilas a los terminales, y con un ligero ajuste su telégrafo deberá funcionar.

Telégrafo

Usos en experiencias prácticas y demostraciones

Este aparato es útil para enseñar una aplicación del electromagnetismo.

Notas sobre el uso y construcción

Es de suma importancia que cuando se construya este aparato se sigan las indicaciones de los planos. Será necesario corregir 12 distancia entre el brazo movible y el electroimán una vez que Ud. haya terminado de ensamblar esta pieza. Esto puede requerir tiempo y paciencia.

Soporte para calentamiento o soporte para embudo

 

Soporte de anillo graduable

Materiales requeridos para la construcción

1. Soporte vertical de madera de 1/2" x 1/2" x 12" (o espiga de 1/2" de diámetro).
2. Base de madera de 1/2" x 4" x 6".
3. 19" de zuncho.
4. 2" de alambre rígido.

Procedimiento para la construcción

1. Corte y lije el soporte vertical y la base.

2. Haga un corte en el lado de 4" con la sierra y el formón. El corte deber" estar de acuerdo con las dimensiones del soporte vertical y estar situado en el centro de un extremo. Clave el soporte vertical en este corte y barnice esta estructura con dos capas de barniz.

3. Doble el zuncho de manera que en el centro se forme un anillo de 2 1/2" a 3" de diámetro.

4. Tome dos pedazos de zuncho de 1 1/4" y dóblelos alrededor del brazo de zuncho entre el anillo y el soporte vertical.

5. A 2" del anillo, doble los brazos del anillo para formar un cuadrado que se amolde a la forma del soporte vertical. Ver el diagrama .

6. Doble los extremos del zuncho formando dos vueltas cilíndricas como se muestra en el diagrama.

7. Doble el alambre rígido en "U", con los extremos de la "U" muy cerca cl uno del otro.

8. Ajuste el anillo al soporte vertical e inserte el gancho en forma de "U" en los extremos. La presión ejercida deberá ser suficiente como para fijarlo en su lugar.

 

Tubo de ensayo o frasco fabricado con una bombilla de luz

Materiales requeridos para la construcción

1. Bombillas de luz quemadas.
2. Un instrumento de punta afilada.

Tubo de ensayo o frasco fabricado con una bombilla de luz

Procedimiento para la construcción

Precaución:

Sostenga la bombilla de luz con un pedazo de tela durante todos los pasos. También se recomienda utilizar lentes.

Nota:

Las bombillas de luz vacías pueden ser utilizadas como tubos de ensayo y frascos. Están fabricadas con vidrio pyrex (vidrio resistente al calor) y pueden soportar temperaturas elevadas.

1. Retire las dos conexiones soldadas que se encuentran en la base de la bombilla encañando bajo ellas con un instrumento en punta. Remuévalas y rompa los alambres.

2. A continuación, rompa la base de cerámica colocando el instrumento en punto en los agujeros de los alambres descubiertos en el paso 1 y girando el instrumento hasta que la cerámica se rompa y caiga. Esto puede requerir cierta paciencia.

3. Otra manera de rajar la cerámica en un principio es sujetar las pequeñas varillas de cobre al costado de la cubierta de bronce con un alicate y apretar con mucha fuerza.

4. Cuando se retira la base de cerámica se puede ver el interior hueco de la columna de vidrio que va hacia dentro de la bombilla. Esta deberá romperse y removerse. Inserte el destornillador o el extremo cortante de la lima triangular en la columna y de un golpe ligero en la superficie de la mesa; la columna se romperá y desprenderá dentro de la bombilla.

5. Utilizando un destornillador o la lima, agrande el agujero en el vidrio lo suficiente como para poder retirar la columna. Continue alisando y agrandando el agujero, y retire la mayor parte del material de la base.

6. Limpie la bombilla y ésta se econtrará lista para ser usada.

 

Sostenedor de alambre para tubos de ensayo fabricados con bombillas de luz

Materiales requeridos para la construcción

De 2 1/2 a 3 de alambre resistente

Procedimiento para la construcción

1. Enderece el pedazo de alambre. Junte sus extremos y forme un círculo de 1" en su pacto medio. Esto puede hacerse enrollando el alambre alrededor de un objeto de diámetro adecuado.

2. En puntos a aproximadamente 6" del circulo, doble círculos de 2" de diámetro en el alambre.

3. Dé forma a los mangos hasta que el sostenedor se vea como el que se muestra en el diagrama.

 

Atril para tubos de ensayo fabricados con bombillas de luz

Materiales requeridos para la construcción

1. Base de madera de 1/2" x 4" x 12".
2. Pedazo de madera de 1/2" x 1" x aproximadamente 13" (ver nota).
3. Dos soportes verticales de 1/2" x 1" x aproximadamente 3 1/2".
4. Tres pies de zuncho de metal.

Sostenedor de alambre para tubos de ensayo

Figura 1

Figura 2

Figura 3

Figura 4

Figura 5

Zuncho

Procedimiento para la construcción

Nota: En la mayoría de las bombillas de luz la distancia entre la base y el extremo superior deberá ser exactamente 3", como Ud. puede observar en el diagrama. Por lo tanto, la longitud de los soportes verticales deberá ser 3" más el espesor de la pieza del fondo. Debido a que la madera varia algo en espesor, es posible que no sea exactamente 1/2". Mida la madera y corte los soportes verticales en las longitudes apropiadas. La longitud de la pieza superior deberá ser adaptada de la misma manera, siendo su longitud la de la base mas el espesor de los soportes verticales.

1. Corte y lije los pedazos de madera.

2. Clave los dos soportes verticales a la base. Clave las piezas superiores a los soportes verticales.

3. Barnice toda la estructura.

4. Doble el zuncho en la forma que se indica en el diagrama.

5. Asegúrese de que las bombillas de luz van a caber en los círculos. Luego perfore agujeros en el zuncho para unirlo a la pieza superior. Los agujeros pueden ser perforados con clavos grandes de 3/4".

 

Hidrómetro simple

Materiales requeridos para la construcción

1. Una pajilla para beber.
2. Dos pedazos de alambre resistente.
3. Tiras largas de papel de 1/4" de ancho.
4. Cera de vela o lacre.
5. Barniz.
6. Papel cuadriculado.
7. Pasta de harina (engrudo).

Procedimiento para la construcción

1. Corte tiras largas y uniformes de 1/4" de ancho de papel blanco común. Aplique engrudo espeso a la tira y envuélvala en forma de espiral alrededor de la pajilla de manera que cada vuelta de papel esté adyacente a, pero no sobre, la vuelta anterior. Cubra la pajilla dos veces de esta manera. Deberá cortarse un pedazo angosto de papel cuadriculado y aplicarse en este momento. Este deberá numerarse comenzando con 0.0 en el extremo inferior.

Hidrómetro

2. Mientras el engrudo se está secando, inserte los pedazos da alambre en uno de los extremos de la pajilla y selle el extremo con cera.

3. Cuando el engrudo se haya secado, aplique dos capas de barniz al hidrómetro.

4. Pruebe el hidrómetro. Si no se para derecho, inserte pedazos de alambre adicionales a través del extremo superior y luego selle con cera.

5. Para un hidrómetro de este tipo la gravedad especifica del líquido es igual a:

Lectura de la medida en agua

Lectura de la medida en X

6. Para construir el hidrómetro también puede utilizarse el tallo seco de una planta de maíz o una espiga de madera de diámetro uniforme. Para hacer que la madera o el maíz flote verticalmente, pose uno de sus extremos.

Usos en demostraciones prácticas

1. Para ilustrar las leyes de flotación.

2. Para determinar la gravedad especifica de los líquidos.

Preguntas para estudio adicional

1. ¿Desplaza el hidrómetro el mismo volumen de cualquier líquido en el que flota? ¿Cuál es la razón para su respuesta?

2. ¿Cómo puede Ud. convertir el hidrómetro en un lactómetro, alcoholómetro o un medidor de ácido sulfúrico?

3. ¿Puede Ud. utilizar cualquier cuerpo flotante para medir la gravedad especifica?

4. ¿Por qué debe el hidrómetro flotar solamente de manera vertical?

5. Si el corte transversal del hidrómetro fuera un cuadrado, un rectángulo, un hexágono o algo similar, ¿seria de utilidad para determinar la gravedad especifica de los líquidos?

6. ¿Es el área de corte transversal una variable de importancia cuando se considera el funcionamiento correcto del hidrómetro? ¿Cuáles son las razones para su respuesta?

7. ¿Cómo puede Ud. aumentar la sensibilidad del hidrómetro?

 

Trípode

Trípode - Paso 1

Trípode - Paso 2

Trípode - Paso 3

Trípode - Paso 4

Materiales requeridos para la construcción

54" de alambre resistente

Procedimiento para la construcción

1. Corte el alambre en tres pedazos iguales de 18".

2. Tome dos pedazos y entrelace las primeras 7".

3. Tome el tercer pedazo y entrelácelo de manera similar pero con los extremos libres de los dos primeros pedazos. Ver el diagrama.

4. Todas las porciones entrelazadas deberán medir 7" de longitud.

5. El triángulo formado en el centro deberá ser equilátero, con lados de 4" de longitud.

6. Doble las partes terminadas en las esquinas del triángulo para formar las patas.

7. La última pulgada de cada pata deberá doblarse hacia afuera (hacia afuera del triángulo) para formar "pies" para un mejor soporte.

 

Desecador

Materiales requeridos para la construcción

1. Una botella de 6" de diámetro.
2. Cuatro cubos de madera de 1".
3. Una lata lo suficientemente pequeña como para pasar a través de la boca de la botella.

Procedimiento para la construcción

1. Aplique vaselina a la boca y el costado de la tapa de la botella.

2. Barnice la pequeña lata.

3. Ensamble de la manera que se muestra en el diagrama.

Desecador

 

Repisa para colmena de abejas

Repisa para colmena de abejas

Materiales requeridos para la construcción

Una lata pequeña

Procedimiento para la construcción

1. Corte un agujero en forma de "V", de 1/2" de altura, en en un lado de la parte superior de la lata.

2. Invierta la lata y perfore un aguero de un diámetro de 3/8" a 1/2" en el fondo.

3. Barnice la lata.

 

Instrumento para la medición de la velocidad del sonido

Materiales requeridos para la construcción

1. Un tubo de luz.
2. Una botella de 4 libras.
3. Dos tapones de caucho de un agujero.
4. Soporte vertical de madera de 1/2" x 4" x 50".
5. Base de madera de 1/2" x 4" x 12".
6. Tubería de caucho.
7. Tubería de vidrio.

Procedimiento para la construcción

1. Corte la base y el soporte vertical al tamaño adecuado. Unalos de la manera que se muestra en el diagrama. Barnice.

2. Abra ambos extremos del tubo de luz fluorescente (tubo de luz) dejando los pedazos de metal del extremo, si es posible. Lave el tubo de luz con agua y un trapo.

3. Asegure el tubo al soporte vertical por medio de cartelas de zuncho de metal de la manera que se muestra en el diagrama.

4. Coloque el tapón de un solo agujero en el extremo inferior del tubo e introduzca un tubo de vidrio pequeño en el agujero. Una el tubo de caucho.

5. Corte y separe el fondo de una botella de 4 libras (ver Capitulo VI I ). coloque el otro tapón de un solo agujero en i boca de la botella.

6. Introduzca otro tubo de vidrio en el tapón de la botella y una el otro extremo del tubo de caucho.

Instrumento para la medición de la velocidad del sonido

Figura 1

Figura 2

Usos en experiencias prácticas y demostraciones

1. Para determinar la velocidad del sonido.

2. Para determinar la longitud de onda de las ondas de sonido.

3. Para demostrar la resonancia.

Preguntas para estudio adicional

1. ¿Cuál es la relación entre la longitud de onda de dos sonidos con una octava de diferencia?

2. ¿Afecta los resultados la distancia entre el diapasón y el extremo superior del cilindro?

3. ¿Afecta los resultados el diámetro del tubo? ¿Su longitud?

4. ¿Afecta la temperatura del medio el periodo de tiempo que puede escucharse el sonido?

5. ¿Afecta la altura de la columna de agua el periodo de tiempo que puede escueharse el sonido?

6. ¿Puede Ud. usar algún otro líquido en lugar de agua y obtener los mismos resultados?

7. ¿Puede pensar en alguna otra forma de determinar la velocidad del sonido utilizando el tubo de luz fluorescente pero sin utilizar agua o algún otro líquido?

 

Manómetro de tubo en forma de "U"

Materiales requeridos para la construcción

1. Base de madera de 1/2" x 4" x 5".
2. Soporte vertical de madera de 1/2" x 4" x 10".
3. Tubería de polietileno de 20".
4. Un globo grande.
5. 24" de tubería de caucho.
6. Cuatro pedazos de zuncho de metal, cada uno de 1 1/2" de longitud.
7. Un embudo.

Manómetro de tubo en forma de "U"

Presilla de metal

Figura 1

Figura 2

Figura 3

Figura 4

Procedimiento para la construcción

1. Corte y lije la base y el soporte vertical. Unalos por medio de clavos.

2. Aplique dos capas de barniz a los pedazos de madera y déjelos secar antes de unirlos a la tubería.

3. Marque líneas indicadoras a lo largo del soporte vertical a 3/4" del extremo superior y paralelas a los extremos.

4. Usando estas líneas indicadoras, una la tubería de polietileno al soporte vertical con zuncho de metal de la manera que se muestra. Antes de asegurar el zuncho, dóblelo en la forma adecuada y perfore agujeros en éste para los clavos. Tenga cuidado de no comprimir la tubería con el zuncho.

5. Haga una regla de medida con papel cuadriculado, lo suficientemente ancha como para caber entre las partes verticales de la tubería, y únala al soporte vertical.

6. Para fabricar un manómetro de tubo en forma de "U", tome un pedazo de caucho de un globo grande y colóquelo sobre la boca de un embudo de manera que forme un diafragma templado. Enrolle unas cuantas vueltas de cordel alrededor de éste para asegurarlo en su lugar en el embudo. Una el instrumento formado con el embudo al tubo en forma de "U" con un pedazo de 2 de tubería de cancho.

Usos en experiencias prácticas y demostraciones

1. Para demostrar que la presión de un líquido es igual en todas direcciones.

2. Para determinar la gravedad específica de los líquidos que no se mezclan con el agua.

3. Para medir la presión de los gases y líquidos cuantitativamente.

Preguntas para estudio adicional

1. ¿Cuál seria la diferencia si se usara mercurio en el tubo en forma de "U" en lugar de agua para medir las gravedades especificas?

2. ¿Puede Ud. utilizar el manómetro para demostrar que un gas, al igual que un líquido, transmite presiones ejercidas sobre él de manera similar en todas direcciones?

3. ¿Ejercen todos los líquidos la misma presión a la misma profundidad?

4. ¿Puede Ud. determinar la presión del agua corriente?

5. La difusión de los gases puede demostrarse con el manómetro. Utilizando el manómetro, investigue la presión creada por la difusión de los gases.

6. ¿Cómo utilizaría Ud. el tubo en forma de "U" para investigar el efecto de diferentes climas en la velocidad de transpiración?

7. Sin modificación alguna, ¿serviría el manómetro como barómetro? De no ser así, ¿como lo modificaría Ud. para que sirviera este propósito?

 

Contador de tiempo para intervalo corto

Materiales requeridos para la construcción

1. Pedazo de madera "A" de 3/4" x 3/4" x 7".
2. Pedazo de madera "B" de 3/4" x 3/4" x 9 1/2".
3. Pedazo de madera "C" de 3/4" x 3/4" x 3 1/4".
4. Pedazo de vidrio de 1/16" x 1 1/4" x 1 1/4".
5. 6" de tubería de vidrio de 8 mm. de diámetro.
6. Un perno de 3/16" y 1 1/2" de longitud.
7. Dos corchos de 8 mm. de diámetro.

Procedimiento para la construcción

1. Tome el pedazo de 6" de tubería de vidrio y verifique con la escuadra que uno de sus lados sea perfectamente derecho.

2. Filtre, hierva y vuelva a filtrar una taza de agua. Luego airéela y déjela reposar por dos días. Este procedimiento es necesario para eliminar del agua cualquier substancia orgánica que pueda producir CO2 u O2 más adelante y para normalizar el nivel de gas disuelto del agua.

3. Remoje los dos corchos en agua por dos días. Al final de este periodo de tiempo, introduzca un corcho en el extremo de la tubería de vidrio. Empújelo más allá de 1/8" del extremo del tubo y selle el extremo con lacre.

4. Llene el tubo con agua "tratada". Introduzca el segundo corcho hasta la mitad, retírelo y vuelva a introducirlo de manera que se capture una pequeña burbuja de aire en el tubo. La burbuja deberá medir aproximadamente de 1/8" a 3/16" de diámetro. De no ser así, repita los pasos anteriores.

5. Una vez que haya obtenido la burbuja de tamaño apropiado, selle el segundo extremo con lacre. De esta manera la burbuja permanecerá del mismo tamaño y podrá asegurarse la exactitud.

6. Tome el bloque "A" (antes mencionado) y examínelo cuidadosamente, asegurándose de que sus lados sean paralelos y derechos. Este pedazo deberá ser un cuadrado perfecto. Retire un pedazo triangular de 1/4" x 2 7/8" de uno de los lados de esta pieza. Ver el diagrama. Asegúrese de que estas nuevas superficies sean perfectamente derechas.

7. Tome el bloque "B" y asegúrese de que sea perfectamente cuadrado. En uno de sus lados (ver el diagrama), corte pequeñas ranuras de 1/8" de profundidad utilizando su sierra de mano en puntos a 2", 4", 5 1/4" y 7" del extremo. Perfore un agujero de 3/16" a 1/2" del extremo donde Ud. comenzó a medir. En el extremo opuesto y en la misma superficie donde cortó las ranuras, mida la mitad del espesor y retire por una longitud de 3/4". Ver el diagrama. De esta manera Ud. tiene una madera de 1/4" de espesor en los últimos 3/4" de su longitud. Esta pieza deberá caber en el bloque "C".

8. Del bloque "C" se deberá retirar una ranura de 3/4" de longitud y 1/2" de profundidad del centro de uno de sus lados. Los bloques "B" y "C" deberán caber firme y apretadamente. Clávelos juntos.

9. Introduzca clavos de 1 1/2" de longitud en los extremos del bloque "C" de manera que los extremos de los clavos sobresalgan del fondo de este bloque formando dos "pies".

10. Dibuje una línea a lo ancho del bloque "B", a 4" del extremo que tiene el agujero perforado en él. Marque esta línea con un lápiz oscuro de manera que pueda ser vista a troves de una capa de barniz.

11. Barnice todas las piezas de madera. Cuando barnice el bloque "B", coloque un extremo del pedazo de vidrio sobre la línea (de la manera que se muestra en el diagrama) con uno de sus extremos sobresaliendo 1/4" del ancho del bloque "B" en ambos lados. Cuando el barniz se haya secado, el pedazo de vidrio deberá quedar pegado de manera permanente.

12. Introduzca el perno en el agujero en el bloque "B".

13. Ensamble la tubería de vidrio de la manera que se muestra en el diagrama.

14. Añada los elásticos al instrumento de la manera que se muestra en el diagrama.

15. Verifique que el lado derecho de la tubería de vidrio se encuentre en el extremo superior.

Contador de tiempo para intervalo corto

Calibración

1. Use un cronómetro, un reloj con segundero o un péndulo simple con 60 períodos por minuto.

2. Verifique que el tubo se encuentre nivelado -la burbuja no se moverá en una posición nivelada. Verifique en diferentes lugares. Es posible realizar ajustes utilizando un perno en el extremo.

3. Para calibrar el intervalo de 0,1 segundos, mueva la burbuja al costado de donde se ha retiarado el triángulo. Marque el centro del punto donde se detiene la burbuja como "cero". Presione ese lugar por un periodo de dos segundos; es necesario presionar rápidamente sin sacudir el instrumento bruscamente. Al final del intervalo de dos segundos, retire la presión sobre el bloque cuidadosa pero rápidamente; la burbuja se detendrá inmediatamente. Marque este punto (el punto en que se detiene el centro de la burbuja) y repita esto diez veces. La posición promedio que se obtenga será su marca de dos segundos. Divida la longitud entre los dos puntos en veinte intervalos iguales, y de esta manera cada intervalo representará 0.1 de segundo. Haga la prueba con un intervalo corto para verificar la exactitud.

4. Para calibrar el intervalo de 15 segundos, asegúrese nuevamente de que el tubo se encuentre nivelado. Lleve la burbuja al extremo del cual no se retiró un triángulo; marque el centro del punto donde se detiene la burbuja como "cero". Presione este extremo del bloque rápida y cuidadosamente, y retire la presión luego de 15 segundos. Marque el lugar de los 15 segundos y repita esta operación 10 voces para determinar el punto promedio. Marque el punto promedio, el cual será el promedio obtenido para la marca de los 15 segundos, y divida el intervalo entre O y 15 en 15 intervalos iguales, con cada división representando un segundo.

Usos en demostraciones prácticas

Este instrumento le brinda un contador de tiempo capaz de medir con precisión décimos de segundo hasta 15 segundos. Por supuesto, no ha sido diseñado para reemplazar al cronómetro. Más bien, su función es suplementar el equipo que se encuentra disponible para ser usado por los estudiantes.


Indice - Precedente - Siguiente