Back to Home Page of CD3WD Project or Back to list of CD3WD Publications

3.5 Bruit

Table des matières - Précédente - Suivante

En ce qui concerne la pollution sonore, les exigences imposées à la centrale peuvent varier énormément selon les conditions locales. Les Instructions Techniques allemandes sur la protection contre le bruit (TA-Lärm) énoncent les seuils indicatifs suivants:

  la journée la nuit
  dB (A) dB (A)
Zones exclusivement industrielles 70 70
Zones essentiellement industrielles 65 50
Zones industrielles et résidentielles 60 45
Zones essentiellement résidentielles 55 40
Zones exclusivement résidentielles 50 35
Etablissements de cure, complexes    
Hospitaliers, établissements de soins 45 35

Dans le cas d'un projet concret, les seuils à respecter sont définis également en fonction du bruit ambiant préexistant.

D'une façon générale, une centrale électrique devrait être à bonne distance des zones d'habitation. D'après le décret sur l'éloignement des établissements industriels promulgué en Rhénanie du Nord-Westphalie, un éloignement de 800 m de la centrale signifie qu'il n'y a plus de nuisances acoustiques en provenance de cette centrale. Néanmoins on rencontre, dans des villes d'Allemagne, des centrales qui sont implantées à des distances beaucoup plus faibles des zones d'habitations les plus proches. Cela est souvent le cas notamment lorsqu'il s'agit de centrales mixtes produisant à la fois du courant électrique et de la vapeur pour le chauffage, la centrale ne pouvant être trop éloignée de la zone desservie en raison des pertes dues au transport.

La distance entre une centrale électrique et les habitations les plus proches doit être essentiellement fonction des nuisances acoustiques aux lieux d'émergence. Les bruits émis par le générateur de vapeur et les turbines pourront être atténués en recourant à des mesures d'insonorisation en façade.

L'approvisionnement en combustibles et autres fournitures de même que l'évacuation des résidus, y compris le chargement et le déchargement des camions, wagons ou navires, constituent une source importante d'émissions sonores. Dans le cas d'une centrale fonctionnant au charbon, il faut également tenir compte des bruits provenant de l'installation de manutention du charbon. C'est pourquoi, les opérations de livraison et d'évacuation des matériaux de même que le fonctionnement des équipements de manutention du charbon sont souvent limités aux heures de la journée.

4. Interactions avec d'autres domaines d'intervention

L'exploitation d'une centrale thermique entraîne inévitablement la diffusion de certains polluants dans l'atmosphère, dans les cours d'eau et dans les sols. Néanmoins là où une centrale thermique a pour effet de remplacer de multiples petites installations de combustion industrielles qui émettent des polluants en bien plus grandes quantités ou sert à approvisionner en chaleur de processus un établissement industriel, on pourra, du fait de l'amélioration du rendement et de la mise en oeuvre de techniques plus respectueuses de l'environnement, parvenir à un bilan plus favorable au niveau des émissions et immissions de polluants. La production mixte de chaleur et d'électricité présente surtout un grand intérêt lorsque la centrale est implantée dans une zone industrielle ou est associée à un complexe industriel consommant des quantités importantes d'énergie calorifique.

Pour son fonctionnement, une centrale thermique a besoin d'un certain nombre de fournitures et surtout de combustible. Dans le cas d'une centrale à charbon, en particulier, les interactions avec d'autres secteurs de l'industrie sont nombreuses. A ce titre, il faut surtout citer les industries extractives pour l'approvisionnement en charbon ainsi que le domaine des carrières pour la fourniture des produits calcaires nécessaires à la désulfuration des fumées. Si l'on considère les centrales fonctionnant au gaz, on note une étroite relation avec la production du gaz, alors que les centrales brûlant du pétrole sont tributaires de la production pétrolière, du raffinage ainsi que du stockage et du transport des produits pétroliers.

En ce qui concerne les interactions d'une centrale thermique avec les autres secteurs industriels, il importe de tenir compte de tous les maillons de la chaîne de production, de l'extraction du combustible à l'évacuation des déchets (cf. Point 5). Par ailleurs, l'approvisionnement en eau de la centrale se trouve imbriqué avec le réseau public d'alimentation en eau lorsque les deux systèmes utilisent les mêmes ressources hydriques et que celles-ci sont limitées.

Au niveau de l'évacuation des résidus, on peut également voir apparaître des liens avec d'autres branches industrielles. Les cendres volantes et les mâchefers peuvent trouver un emploi dans l'industrie du ciment en tant qu'additifs. Selon leur nature et leur degré de pureté, les sous-produits de la désulfuration (plâtre, stabilisant ou composés soufrés) peuvent être utilisés dans l'industrie du ciment et du plâtre ou dans l'industrie chimique (engrais par ex.). Par voie de conséquence, l'extraction de produits naturels tel le gypse peut s'en trouver réduite. Les cendres volantes et les produits de la désulfuration (plâtre, sulfites-sulfates) peuvent également être utilisés tels quels pour la construction de routes ou de digues ou en tant que matériau de remplissage (remblayage de fosses) pour la remise en culture des terrains d'anciennes mines à ciel ouvert.

5. Appréciation récapitulative de l'impact sur l'environnement

Comme nous l'avons vu aux chapitres 2 et 3, les centrales thermiques émettent des poussières, des gaz nocifs SOx, NOx, CO, CO2, HCl et HF ainsi que des chaleurs perdues et du bruit, qui sont autant de facteurs ayant des effets négatifs sur l'environnement. Grâce à différentes mesures, telles que le choix d'un site approprié, la mise en oeuvre de technologies respectueuses de l'environnement et permettant d'obtenir des rendements élevés (production mixte de chaleur et d'électricité) ainsi qu'à des dispositions visant à éviter ou à réduire les rejets de polluants, on parvient à atténuer ces effets négatifs dans une large mesure. Toutefois, il n'est pas toujours possible de réduire l'impact sur l'environnement au point de le rendre vraiment acceptable, surtout lorsque l'on utilise des combustibles de mauvaise qualité, que la centrale est de taille importante et que les zones d'habitation ainsi que la végétation au voisinage des installations sont particulièrement sensibles.

Dans l'étude d'impact sur l'environnement, il faut inclure tous les maillons de la chaîne de production, à savoir de l'extraction des combustibles/production des réactifs chimiques au processus de combustion, en passant par les transports, sans oublier l'évacuation des résidus et la consommation d'énergie des autres unités impliquées, comme dans le cas d'un établissement industriel rattaché à la centrale. Une telle analyse globale peut faire ressortir des pollutions supplémentaires, par exemple lors du transport par camions du combustible ou des résidus, mais aussi une minoration des émissions globales, par exemple du fait de la disparition de multiples petites installations de combustion plus polluantes auxquelles la centrale thermique s'est substituée.

La réduction des nuisances étant l'objectif primordial lors de la mise en place d'une centrale électrique respectant l'environnement, le choix du site et l'appréciation du niveau initial de pollution, imputable à des rejets d'autre provenance, revêtent la plus grande importance. Ici, on notera l'éventualité d'un antagonisme des objectifs, lorsque par exemple l'effet de réduction des émissions par le recours à une production mixte de chaleur et d'électricité se trouve en partie compromis, ou même annihilé, du fait qu'un tel concept ne peut pratiquement être mis en oeuvre qu'à proximité d'un complexe industriel, lui-même à l'origine d'une importante pollution.

En ce qui concerne les émissions de poussières et de SOx, on dispose de techniques ayant fait leurs preuves à l'échelle industrielle et qui peuvent contribuer à réduire notablement les rejets. Etant donné que dans de nombreux pays, on utilise la plupart du temps, pour des motifs économiques, des charbons d'origine locale ayant des fortes teneurs en stériles et en soufre, il convient d'accorder la plus grande attention à la réduction de ces substances polluantes. Selon la situation locale et les données d'ensemble, on devrait s'efforcer de ramener les émissions à des valeurs inférieures à 150 mg/m³ (c. n.) de poussières et à 400 mg/m³ de SO2. Pour la limitation des émissions de NOx, on devrait dès la phase d'étude du projet prévoir des mesures appropriées pour obtenir une combustion produisant peu de NOx. Grâce à ces mesures primaires, il est possible de limiter les émissions de NOx à des valeurs allant de 200 à 600 mg/m³ (c. n.) (sans foyer à cendres fondues) selon la nature du combustible.

D'une façon générale, il conviendra de toujours commencer par appliquer des mesures visant à réduire la consommation ainsi que des mesures primaires, par exemple l'obtention de rendements élevés, qui influencent également favorablement les émissions de CO2, et de ne recourir aux mesures secondaires qu'en second lieu.

Les aspects du contrôle jouent également un rôle non négligeable dans l'appréciation de la compatibilité d'une centrale thermique avec les impératifs de l'environnement, car même les mesures de réduction des pollutions les mieux conçues ne sont vraiment efficaces que si leur application fait l'objet d'un contrôle. Dans cet ordre d'idées, on pourrait envisager par exemple la désignation de préposés aux questions de l'environnement.

Pour la planification et l'évaluation de l'impact sur l'environnement de centrales thermiques, on devrait s'aider de la liste de contrôle ci-après:

- degré d'efficacité au niveau de la production et de l'utilisation de l'électricité et/ou de l'énergie thermique (tarifs subventionnés ?) ;
- justification de la nécessité du projet (taille de l'installation, interactions avec d'autres domaines) ;
- description et analyse du projet et de ses effets (conception technique, choix du combustible, sources d'émission, systèmes de contrôle, aspects sécurité) ;
- examen de sites optionnels et détermination du niveau de pollution initial, estimation du niveau de pollution dans la région après la mise en service de la centrale (immissions, effets sur l'air, les cours d'eau, les sols, la flore et la faune, les hommes, le matériel et les biens culturels) ;
- détermination des répercussions sur l'environnement étant donné le niveau de pollution escompté et mesures visant à réduire les nuisances (choix du site, consommations évitées, mesures primaires et secondaires)

6. Bibliographie

Généralités

Asian Development Bank: Environmental Guidelines for Selected Industrial and Power Development, Projects, 1987.

Biswas, A.K.; Geping, Q.: Environmental Impact Assessment for Developing Countries, London: Tycooly Publ. Editor: United Nations Univ., Natural Resources and the Environment Series, vol. 19, 1987.

Deutsche Stiftung Für Internationale Entwicklung: Environmental Impact Assessment (EIA) for Development; Proceedings of a joint DSE/UNEP International Seminar Feldafing/ Federal Republic of Germany, Avril 9-12, 1984.

Fleischhauer, M.; Friedrich, R.; Häring, S.; Haugg, A.; Müller, J.; Reuter, A.; Voß, A.; Wystrcil, H.-G.: Grundlagen zur Abschätzung und Bewertung der von Kohlekraftwerken ausgehenden Umweltbelastungen in Entwicklungsländern, Institut für Energiewirtschaft und Rationelle Energieanwendung, Stuttgart, mai 1990.

Storm, Bunge: Handbuch der Umweltverträglichkeitsprüfung, Berlin: E. Schmidt Verlag, Umweltprogramm der Vereinten Nationen, Ziele und Grundsätze der Umweltverträglichkeitsprüfung, 16 janvier 1987.

World Energy Conference: Environmental Effects Arising from Electricity Supply and Utilisation and the Resulting Costs to the Utility, Report 1988, octobre 1988.

Maintien de la pureté de l'air

Anton, P.; Elsässer, R.F.: Problemverschiebungen bei der Umweltpolitik zwischen Luft, Wasser und Boden, VGB-Kongreß "Krafwerke 1985", p. 207 à 211.

Basu, P.; Greenblatt, J.; Wu, S.; Briggs, D.: Effects of Solid Recycle Rate, Bed Density and Sorbent Size on the Sulfur Capture in a Circulating Fluidized Bed Combustor, Proceedings from the 1989 International Conference on Fluidized Bed Combustion, San Francisco, Ca, p. 701-707.

Baumüller, F.: Überblick über die Entschwefelungsverfahren, Sonderpublikation der BWK, Staub, Umwelt, p. 7 à 11, 1986.

Berman, I.M., Fluidized bed combustion systems: FBC presents a way to burn coal with minimal SO2 and NOx emissions. Development work is leading into demonstration units by a number of manufacturers, POWER ENGINEERING, Novembre 1982.

Boardman, R.D.; Smoot, L.D.: Prediction of Fuel and Thermal NO in Advanced Combustion Systems, 1989; Joint Symposium on Stationary Combustion NOX Control, March, San Francisco, Ca.

Davids, P.; Haug, N.; Lange, M.; Oels, H.-J. et Schmidt, B.: Luftreinhaltung bei Kraftswerks- und Industriefeuerung, BWK 39, fascicule 4, p. 180 à 188, 1987.

EPRI Report, Inorganic and Organic Constituents in Fossil Fuel Combustion Residues, Vol. 1: A critical Review, EPRI EA-5176, Project Z4BS-8, Interim Report, August 1987.

Given, P.H.: An essay on the Organic Chemistry of Coal, COAL Science, VOLUME 3, Edited by Gorbaty, M.L.; Larson, J.W. and Wender, I., pp. 63-252, 1984.

Graßl, H.: Anthropogene Beeinflussung des Klimas, VGB Kraftwerkstechnik 69, fascicule 11, novembre 1983.

Haji-Javad, M.; Heinisch, M.; Hetschel, M.; Hutter, F.; Ludwig, H.: Konzeption eines Steinkohlekraftwerks aus umweltfreundlichen Komponenten, Forschungsbericht BMFT-FB-T 85-065.

Haßler, G.; Fuchs, P.: Verfahren und Anlagen zur kombinierten SO2-/NOx-Minderung, Sonderpublikation der BWK, Staub, Umwelt, p. 21 à 27, 1986.

Kalmbach, S.; Kropp, L.: Umweltrelevante Stoffe, Umweltmagazin, p. 53 à 55, mai 1987.

Kanij, J.B.W.: The Emission of Polycyclic Aromatic Hydrocarbons by Coalfired Power Stations in the Netherlands, Kema Scientific & Technical, Reports 5, 1987.

Krolewski, H.: Maßnahmen zur Luftreinhaltung bei Kraftwerken und ihre Auswirkungen auf Wasser und Abfall, VGB Kraftwerkstechnik 65, fascicule 9, p. 801 à 806, 1985.

Leckner, B.; Amand, L.E.: Emissions from a Circulating and a Stationary Fluidized Bed Boiler: A comparison, Proceedings from the 1987 International Conference on Fluidized Bed Combustion, Boston, Ma, Vol. 2, p. 891 à 897.

Lee, Y. Y.; Hiltunen, M.: The Conversion of Fuel-Nitrogen to NOx in circulating Fluidized Bed Combustion, 1989 Joint Symposium on Stationary Combustion NOX control, March, San Francisco. Ca.

Leithner, R.: Einfluß unterschiedlicher WSF-Systeme auf Auslegung, Konstruktion und Betriebsweise der Dampferzeuger, VGB Kraftwassertechnik 69, juillet 1989.

Natusch, D.F.S.: Final Report: Formation and Transformation of Particulate Polycyclic Organic Matter Emitted from Coal-fired Plants and Shale Oil Reporting, U.S. DOE Contract DOE-ACO2-78EV04960, University of Colorado, avril 1984.

Natusch, K.; Ratdjczak, W.: Meßtechnik zur Überwachung des Betriebsverhaltens von Rauchgasreinigungsanlagen, Sonderpublikationen der BWK, Staub, Umwelt, p. 29 à 34, 1986.

Perhac, R.M.: Environmental Effects of Nitrogen Oxides, 1989 Joint Symposium on Stationary Combustion NOx Control, March, San Francisco, Ca.

Smith, R.C.: The Trace Element Chemistry of Coal During Combustion and the Emission from Coal-fired Plants, Prog. Energy Combustion Science, 6(1) p. 53 à 119, 1980.

US EPA Report: Preliminary Environmental Assessment of Coal Fired Fluidized Bed Combustions Systems, EPA Report n° 600-7-77-05, mai 1977.

US EPA Report: The Hydrogen Chloride and Hydrogen Fluoride Emission Factors for NAAPA (National Acid Precipitation Assessment Programm) Emission Inventory, US EPA Report No. 600/7-85/041, octobre 1981.

US EPA Report: Locating and Estimating Air Emissions for Sources of Polycyclic Organic Matter, EPA 450/4-84-007P, septembre 1987.

Vernon, Jan L.; Soud, Hermine N.: FGD Installations on Coal-fired Plants, IEA Coal Research, EACR/22, Londres, avril 1990.

Weber, E.; Hüber, K.: Übersicht über rauchgasseitige Verfahren zur Stickoxidminderung, Sonderpublikationen der BWK, Staub, Umwelt, p. 12 à 16, 1986.

Yeh, H.; Newton, G.J.; Henderson, T.R.; Hobbs, C.H.; Wachtner, J.K.: Physical and Chemical Characterization of the Process Stream for a Commercial Scale Fluidized Combustion Boiler, Environmental Science & Technology, vol. 22, juillet 1988.

Résidus

Hackl, A.: Vom Rohstoff bis zum Sonderabfall, Entsorgungs-praxis 3, p. 81 à 83, 1987.

Pietrzeniuk, H.-J.: Rückstände bei der Verbrennung: Flugaschen, Filterstäube und REA-Gips, Umwelt n° 6, p. 455 à 458, 1986.

Verwertungskonzept für die Reststoffe aus Kohlekraftwerken, VGB Kraftwerkstechnik 66, n° 4, p. 377/385, 1986.

Eaux usées

Burfmann, F.: Betriebserfahrungen mit der Abwasseraufbereitung hinter einer Rauchgasreinigungsanlage, VGB Kraftwerkstechnik 66, 1986 fascicule 9, p. 866 à 871.

Heitmann, H.G.: Chemische Behandlung von Abwässern aus Kraftwerken, BWK 38, n° 11, p. 499 à 509, 1986.

Ludwig, H.: Abwasserbehandlung, BWK vol. 437, 1985, n° 9, p. 343 à 351.

Neumann, J.C. et Hofmann, G.: Behandlung und Aufarbeitung von Abwässern aus Rauchgaswäschern; BWK vol. 437, 1985, n° 9, p. 352 à 355.

Sieth, I.: Abwasser aus Rauchgasreinigungsanlagen, Techn. Mitt. 78, année 1985, n° 1/2, p. 71 à 73.

Textes législatifs, directives

Abwasserabgabengesetz du 06/11/1990 (BGBl. I, p. 2432).

Erste Allgemeine Verwaltungsvorschrift zum Bundes-Immissions-schutzgesetz (Technische Anleitung zur Reinhaltung der Luft - TA-Luft) (Instructions techniques pour le maintien de la pureté de l'air) du 27 février 1986 (GMBl. p. 95, art. p. 202).

Deutsches Umweltrecht, WLB, Verlag Technik GmbH, Berlin, 1991.

Gesetz zum Schutz vor schädlichen Umwelteinwirkungen durch Luftverunreinigungen, Geräusche, Erschütterungen und ähnliche Vorgänge (Bundesimmissionsschutzgesetz - BImSchG) in der Bekanntmachung der Neufassung vom 14. mai 1990 (BGGl. I, p. 880).

Gesetz über die Vermeidung und Entsorgung von Abfällen (Abfallgesetz - AbfG) du 27 août 1986 (BGBl. I, p. 1410, art. p. 1501).

Gesetz zur Ordnung des Wasserhaushalts (Wasserhaus-haltsgesetz - WHG) i.d.F. der Bekanntmachung vom 23. September 1986 (BGB1 I, p. 1529).

Lärmbekämpfung 81, Entwicklung - Stand - Tendenzen, Umweltbundesamt (éd.), Berlin 1981.

Rahmen-Abwasser-Verwaltungsvorschrift mit Anhängen 31 und 47 zu § 7a WHG vom 08/09/1989.

VDI-Richtlinie 2113 (12/76): Auswurfbegrenzung: Nebenanlagen von Dampfkesseln für feste Brennstoffe.

Vernon, Jan L.: Emission Standards for Coal-fired Plants: Air Pollutant Control Policies, IEACR/11, IEA Coal Research, Londres, août 1988.

Veordnung zur Durchführung des Bundesimmissions-schutzgesetzes (Störfall-Verordnung) mit
- Erster Allgemeiner Verwaltungsvorschrift zur Störfall-Veordnung und
- Zweiter Allgemeiner Verwaltungsvorschrift zur Störfall-Verordnung.

Vierte Verordnung zur Durchführung des Bundes-Immissions-schutzgesetzes (Verordnung über genehmigungs-bedürftige Anlagen - 4. BImSchV) du 24 juillet 1985 (BGBl.I, p. 1586).

Zweites Gesetz zur Änderung des Bundes-Immissions-schutzgesetzes vom 4. Oktober 1985 (BGBl. I, p. 1950).

Zweite allgemeine Verwaltungsvorschrift zum Afallgesetz (Instructions Techniques sur la gestion des déchets ("TA-Abfall"), 1ère partie: Technische Anleitung zur Lagerung, chemisch/physikalischen, biologischen Behandlung, Verbrennung und Ablagerung von besonders überwachungsbedürftigen Abfällen vom 12. März 1991.

7. Annexe

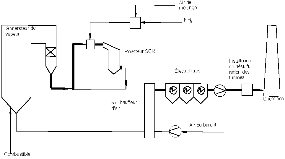
A-1 Flux d'énergie et de matières d'une centrale thermique (schéma)

A-2 Schéma d'une centrale thermique équipée de différents dispositifs d'épuration des fumées

A-3 Détails sur les différents procédés de désulfuration

A-4 Valeurs limites d'émission selon les Instructions Techniques sur le maintien de la pureté de l'air ("TA-Luft")

A-5 Lois et prescriptions allemandes sur la limitation des émissions de centrales thermiques

A-6 Valeurs limites d'émission pour les polluants atmos-phériques d'installations de combustion industrielles en RFA, valeurs limites d'émission pour nouvelles centrales de grande puissance, alimentées au charbon, dans différents pays ainsi que normes de la CE, tableau de conversion des émissions de CO2 et de NOx

A-7 Exigences minimales selon l'art. 7a de la loi sur la gestion de l'eau WHG, annexe 47: lavage des fumées d'installations de combustion, 08-09-1989

Annexe A-1

Flux d'énergie et de matières d'une centrale thermique (schéma)

Schema d'une centrale thermique

Annexe A-3

La désulfuration directe dans l'installation de combustion est utilisée pour les combustibles solides, par exemple dans les foyers à lit fluidisé. Du calcaire ou de la chaux est alors injecté dans la chaudière pour agglomérer le SO2. La désulfuration a lieu simultanément à la combustion par une température d'environ 850° C, cette température relativement faible autorisant également de faibles émissions de NOx de l'ordre de 200 à 400 mg/m³ (c. n.). Le taux de désulfuration se situe entre 80 et 90%. Les foyers à lit fluidisé, qui ne peuvent être mis en oeuvre que dans de nouvelles centrales, fonctionnent selon le principe du lit fluidisé fixe ou circulant, ce dernier permettant d'obtenir, dans des conditions par ailleurs égales, les taux d'émission les plus faibles.

L'injection de calcaire ou de chaux peut être employée dans le cas de chaudières à charbon (chauffe sur grille ou chauffe au pulvérisé). L'élimination des SO2 est obtenue par injection de produits calcaires, par exemple de la chaux hydratée, finement moulus dans le flux de gaz en partie haute du foyer, les températures étant inférieures à 1000° C. Ce dispositif peut également être installé après coup dans une installation déjà en service et permet d'obtenir des taux de désulfuration maximum de 60 à 80%.

Les produits résiduels des lits fluidisés et de l'injection de calcaire ou de chaux dans le foyer sont éliminés dans une installation de dépoussiérage montée en aval et se composent d'un mélange de cendres de charbon, d'additif excédentaire p. ex. CaO et de différents sels de calcium (CdSO4, CaCl2, CaF2). Dans chaque cas particulier, il conviendra de vérifier si ces résidus peuvent être valorisés, par ex. dans l'industrie des matériaux de construction, ce qui risque d'être difficile du fait du mélange des différents sels, ou s'il faut prévoir une mise en décharge.

Les systèmes de désulfuration des fumées peuvent être répartis en trois groupes:

- les méthodes par voie humide
- l'absorption par pulvérisation
- les méthodes par voie sèche.

Dans les grandes installations industrielles, la méthode par voie humide utilisant du calcaire (ou éventuellement de la chaux vive ou de la chaux hydratée) en tant qu'additif et fournissant du plâtre comme matière résiduelle est la plus couramment utilisée. Les séparateurs par voie humide étant présents dans la plupart des installations, on dispose d'une vaste expérience dans ce domaine. Après un conditionnement approprié, séchage et boulettage par ex., le plâtre résiduel peut être utilisé comme matériau de construction ou, après avoir été mélangé à des cendres volantes, être mis en décharge ou encore servir comme matériau de remblayage pour gagner des terres sur la mer par exemple (cf. point 2.5).

Dans le cas de l'absorption par pulvérisation, l'additif (chaux vive ou chaux hydratée) est pulvérisé sous forme de suspension aqueuse dans un absorbeur, par une température de 60 à 70° C. Au cours de l'évaporation de l'eau introduite avec la suspension, il se produit une réaction du SO2 avec l'additif. Le produit obtenu est un mélange à fine granulométrie qui est ensuite capté par le dépoussiéreur placé en aval. Il est constitué d'un mélange de sels de calcium (CaSO4, CaSO3, CaCl2, CaF), d'additif en excédent et de cendres volantes et peut être utilisé pour combler des fosses ultimes ou pour gagner des terres en région côtière par ex., ou devra être mis en décharge. L'éventuelle nécessité d'un traitement préliminaire des résidus et les précautions à prendre par ailleurs pour éviter une contamination de la nappe phréatique ou des cours d'eau ont été évoquées au point 2.5.

D'autres méthodes de désulfuration des fumées, telle que la méthode par voie sèche, notamment la méthode au coke actif ou les procédés à régénération utilisant du sulfate de sodium comme additif et fournissant de l'anhydride sulfureux comme sous-produit, que l'on peut alors utiliser pour fabriquer de l'acide sulfurique ou du soufre, ont donné satisfaction dans certains domaines et peuvent être également envisagées dans des conditions particulières. Néanmoins, ces méthodes sont généralement plus dispendieuses que le procédé calcaire/plâtre et comportent un certain nombre de contraintes au niveau de la fabrication des sous-produits pour lesquels il faut également chercher des débouchés, dans l'industrie chimique par exemple.

Dans des conditions de fonctionnement par ailleurs identiques, la quantité de résidus recueillie selon les différentes méthodes croît dans l'ordre: injection de chaux ou de calcaire dans le foyer, absorption par pulvérisation, lavage avec formation de plâtre, lavage avec formation d'acide sulfurique ou de soufre (cf. point 2.3).

Annexe A-4
Valeurs limites d'émission selon les Instructions Techniques sur le maintien de la pureté de l'air ("TA-Luft")

  Valeurs limites à court terme IW1 Valeurs limites à long terme IW2
- Poussières en suspension mg/m³ 0,15 0,30
- Plomb et composés inorganiques dans les poussières en suspension en tant que Pb µg/m³ 2,0  
- Cadmium et composés de cadmium inorganiques dans les poussières en suspension en tant que Cd µg/m³ 0,04  
- Acide chlorhydrique en tant que Cl mg/m³ 0,10 0,20
- Monoxyde de carbone mg/m³ 10,0 30,0
- Anhydride de soufre mg/m³ 0,14 0,40
- Oxyde d'azote mg/m³ 0,08 0,20

Le tableau ci-dessus présente les seuils d'émission énoncés dans les Instructions Techniques sur le maintien de la pureté de l'air ("TA-Luft") pour la protection contre les effets nocifs des polluants sur la santé. Les valeurs IW1 et IW2 sont les valeurs limites indiquées respectivement pour les émissions de longue durée et de courte durée. Pour l'évaluation de l'impact sur l'environnement de centrales thermiques, le fonctionnement permanent constitue le facteur déterminant, si bien qu'on devra se référer à la valeur IW2, pour laquelle les Instructions Techniques sur le maintien de la pureté de l'air ("TA-Luft") se basent sur une période d'observation s'étalant sur une année.

Pour la protection contre les effets nocifs et les nuisances imputables aux immissions de poussières, les Instructions Techniques sur le maintien de la pureté de l'air ("TA-Luft") énoncent également des seuils d'émission qui ont été repris dans le tableau ci-dessous:

    Valeurs limites

à court terme IW1

Valeurs limites

à long terme

Retombées de poussières g(m2d) 0,35 0,65
Plomb mg/(m2d) 0,25
Cadmium m g/(m2d) 5,0
Thallium m g/(m2d) 10,0
Fluor m g/(m2d) 1,0 3,0

Ici, on devra tenir compte des composés inorganiques entrant dans la composition des poussières, dans le cas du fluor désignés par HF, et les composés fluorés inorganiques apparaissant sous forme gazeuse, désignés par F.

On dispose de relativement peu d'informations sur la combinaison des effets des différents polluants, appelés effets synergiques, ainsi que sur les interactions des substances polluantes dans l'atmosphère:

Les effets toxicologiques des différentes substances ont été présentés dans le Catalogue des normes antipollution.

Ci-après, on trouvera une brève description des effets des différentes substances polluantes:

- Le plomb a un effet inhibiteur sur les enzymes du métabolisme de l'hémoglobine chez l'homme et chez les mammifères, ce qui se traduit par une réduction du bilan d'oxygène et du volume respiratoire. Des troubles apparaissent à partir d'une absorption persistante de moins de 1 mg Pb/jour. Pour les plantes qui absorbent le plomb à partir du sol, moins qu'à partir de l'air, le plomb est faiblement toxique. On constate plutôt une réduction de la qualité des plantes qu'une diminution des rendements.
- Le cadmium se dissout facilement. Chez l'homme et chez les mammifères, il est absorbé par les organes du tube digestif et s'accumule dans le foie et les reins. Le métal pur, comme ses composés, présente des propriétés carcinogènes. En Asie, des concentrations de cadmium dans le riz provoquent des maladies appelées itai-itai et aua-aua. Chez les plantes, de faibles concentrations de cadmium dans le sol entraînent déjà des dégâts importants. Le métal n'est pas seulement absorbé par les racines, mais aussi par les pousses et les feuilles. Outre les pertes de rendement, il faut surtout craindre la contamination des plantes utiles, le cadmium pouvant s'accumuler tout au long de la chaîne alimentaire.
- Le monoxyde de carbone est toxique pour l'homme comme pour les animaux en raison de sa grande affinité pour l'hémoglobine du sang, qui est responsable du transport de l'oxygène. L'absorption s'effectue uniquement par inhalation. Le monoxyde de carbone est incolore, inodore, sans saveur et totalement imperceptible. Pour les plantes, il est absolument inoffensif, car il s'oxyde rapidement en CO2, substance utilisée par les végétaux pour la photosynthèse.
- L'anhydride sulfureux entraîne chez l'homme et chez les mammifères une opacification de la cornée, des dyspnées, des inflammations des voies respiratoires, des irritations de l'oeil, des syncopes et des oedèmes pulmonaires, des bronchites, des troubles cardio-vasculaires.

Chez les plantes, on note des dégradations visibles des parties aériennes par action directe, ainsi que des dégâts indirects dues surtout à l'acidification du sol.

- Les oxydes d'azote sont issus de la réaction de l'oxygène et de l'azote de l'air lors des combustions à haute température. La plupart du temps, ils se présentent sous forme de monoxyde d'azote NO ou de dioxyde d'azote NO2. On les regroupe sous la dénomination gaz nitreux.

Les gaz nitreux sont la plupart du temps inhalés par l'homme et par les animaux et pénètrent ainsi dans les poumons, où ils irritent les muqueuses. Alors que le NO2 conduit à des oedèmes pulmonaires, le NO agit sur le système nerveux central.

- En présence de smog photochimique, les oxydes d'azote et les hydrocarbures s'associent pour former des composés nitreux qui provoquent des irritations des yeux et des muqueuses.

Tous les gaz nitreux provoquent chez les plantes l'apparition de taches et de lisières brun foncé en bordure des feuilles. A la fin du processus, les membranes touchées sont complètement desséchées.

Si l'on compare le monoxyde (NO) et le dioxyde d'azote (NO2), on constate que le NO2 est nettement plus toxique. Mais le NO2 est beaucoup moins nuisible aux animaux et aux plantes qu'à l'homme. Par un phénomène d'oxydation, le monoxyde d'azote se transforme dans l'atmosphère en dioxyde d'azote, si bien que le NO prédomine à proximité d'une installation de combustion alors que le NO2 prévaut lorsqu'on s'en éloigne.

"Lois et prescriptions allemandes sur la limitation"

Annexe A-5 Lois et prescriptions allemandes sur la limitation des émissions de centrales thermiques

- Loi fédérale de protection contre les nuisances (BImSchG)

- Décision de la conférence des ministres de l'environnement (nécessité de dynamisation du décret sur les chaudières industrielles en ce qui concerne les émissions d'oxyde d'azote) (UMK)

- Loi sur la gestion de l'eau (WHG)

- Décret sur l'origine des eaux usées (AbWHerkV)

- Loi sur les déchets (AbfG)


Table des matières - Précédente - Suivante